Please wait… 
Please wait while we process your order,
do not press the back button… 
Design 911 Design 911 supply Porsche parts, Porsche spares and Porsche accessories, to both retail and to the trade. Our Porsche product and accessory range includes brakes, exhausts, tyres, wheels and Porsche panels and interiors. https://design91.uk/images/schemaLogo.png https://design91.uk/images/schemaLogo.png +443456003478 https://design91.uk Facebook Instagram

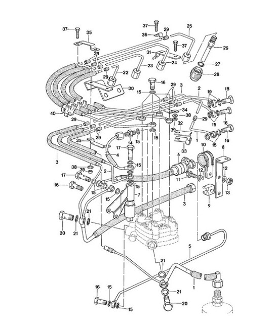
K-jetronic - 2 - 924 1980 - 1985 - PORSCHE

Click the image numbers to view product info

Diagram 107-010 Porsche 9J1.1 Taycan GTS 2020-24 SKU: 047133627, fuel supply line,SKU: 047133627B, fuel line SKU: 047133627, fuel supply line,SKU: 047133627B, fuel line SKU: 047133655B, fuel control line,SKU: 047133655C, fuel line SKU: 047133655B, fuel control line,SKU: 047133655C, fuel line SKU: 047133625C, fuel return line,SKU: 047133625E, fuel line SKU: 047133625C, fuel return line,SKU: 047133625E, fuel line SKU: 047133625C, fuel return line,SKU: 047133625E, fuel line SKU: 047133315, injection line,SKU: 047133315B, injection line SKU: 047133315, injection line,SKU: 047133317B, injection line SKU: 047133319, injection line,SKU: 047133319B, injection line SKU: 047133321, injection line,SKU: 047133321B, injection line SKU: 047133551, injector valve,SKU: 049133551, injector valve SKU: 047133192, support,SKU: 047133885, support SKU: 047133191C, support,SKU: 047133887, support SKU: 047133191D, support,SKU: -, to use after:f 92a04 13234>> see group 1/07/11 and information on quality group 2 of 07.06.85,SKU: 047133193G, line bracket SKU: 047133627C, fuel line SKU: 477133525D, solenoid valve with support SKU: 477133827, support SKU: 99950725540, cable holder SKU: 063133558, screw socket SKU: 90012305020, sealing ringa 8 x 11,5 SKU: 90012305020, sealing ringa 8 x 11,5 SKU: 90012305020, sealing ringa 8 x 11,5 SKU: 90012305020, sealing ringa 8 x 11,5 SKU: 90012305020, sealing ringa 8 x 11,5 SKU: 90012305020, sealing ringa 8 x 11,5 SKU: 90012305020, sealing ringa 8 x 11,5 SKU: 90012305020, sealing ringa 8 x 11,5 SKU: 90012305020, sealing ringa 8 x 11,5 SKU: 90012305020, sealing ringa 8 x 11,5 SKU: 90012305020, sealing ringa 8 x 11,5 SKU: 91111089901, banjo bolt SKU: 91111089901, banjo bolt SKU: 91111089901, banjo bolt SKU: 91111089901, banjo bolt SKU: 91111089901, banjo bolt SKU: N90088701, banjo bolt SKU: N90088701, banjo bolt SKU: 90017500202, screw SKU: N0138062, sealing ringa 10 x 14 SKU: 90017502001, banjo bolt SKU: 90017502001, banjo bolt SKU: N0138123, sealing ringa 12 x 15,6 SKU: N0138123, sealing ringa 12 x 15,6 SKU: N0138123, sealing ringa 12 x 15,6 SKU: N0138123, sealing ringa 12 x 15,6 SKU: 034133557E, o-ring SKU: 063133555, insulating socket SKU: 047133265, rubber SKU: 047133265, rubber SKU: 047133265, rubber SKU: 047133265, rubber SKU: 047133265, rubber SKU: 047133265, rubber SKU: 047133265, rubber SKU: 047133671, clip SKU: 047133671A, clip SKU: N0284521, clip SKU: N0284541, clip SKU: N0284541, clip SKU: N0286101, clip SKU: 90007509202, hexagon-head bolt m 4 x 10 SKU: 90007509202, hexagon-head bolt m 4 x 10 SKU: 90007509202, hexagon-head bolt m 4 x 10 SKU: 90003100902, washer 4,3 SKU: 90003100902, washer 4,3 SKU: PCG01100460, hexagon nut m 4 SKU: PCG01100460, hexagon nut m 4 107-010