Enter your VAT number here and click Verify:
Your details have been verified. VAT number registered to:
,
.
Your order will now be zero rated for VAT purposes. We reserve the right to verify these details after your order request has been made and reinstate VAT if required.
Your VAT details were not recognised or were invalid. Your VAT number must be matched to your Billing Country as specified above. This is currently specified as . You do not need to enter the country code part of your VAT number as this has already been selected in your billing address details above.
The VAT number checking service is currently offline. Please supply your VAT details within the comments or special instructions field below and we will apply a VAT discount after placing your order request.
Catalyst / Bypass

DesignTek 996 Stage 1 Performance package. High Grade stainless steel exhaust system for Porsche 996 1998-2004. 14 - 16 gauge T304 stainless steel.
Includes sports mufflers, 200 cell sports cats giving that you can really feel and superb sports car sound.
Fitting clamps in the images are not included
PLEASE NOTE THESE CATS MAY REQUIRE A REMAP TO ENSURE NO DASHBOARD LIGHTS - Please contact us regarding this!
NOTE: In the United Kingdom, sports catalytic converters and bypass pipes do not have type approval and are not legally permitted for use on vehicles manufactured after 1st March 2001. They are not MOT compliant and cannot be used on public roads. These components are intended solely for race and track use.
For vehicles manufactured before 1st March 2001, a non-type approved sports catalytic converter may be fitted, provided it offers comparable performance to the original and the vehicle continues to meet the applicable emissions standards for its age. The vehicle must still pass an MOT test.
If you are located outside the UK, please check your local laws and regulations to ensure compliance.
Related reference numbers
Related, superseded, cross reference or alternative numbers for comparison.
EXHAUSTKIT34
The product you are viewing cross references to these numbers
- Porsche 996 C2 3.4L 1997-08/01
- Porsche 996 C4 3.4L 1997-08/01
- Porsche 996 C2 3.6L 09/01-2005
- Porsche 996 C4 3.6L 09/01-2005
- Porsche 996 C4S 3.6L 09/01-2005
- Porsche 996 GT3 MKI 1999-02
- Porsche 996 GT3 MKII 2003>>

Fits:
Porsche 996 GT3
2ND ARY CATALYTIC BYPASS PIPES
More power and sportscar sound
More power on 996 GT3 +12HP
more sports car sound
Saves 30lbs 15 KG from rear of your 996.
Not UK MOT appoved
*A re-map to the ECU may require when fitting these cats.
Please note: These sport cats will make your car sound louder than with stock cats. If you have ,or intend to install sport silencers, you may find the car is a bit loo loud. We recommend to use one sport exhaust component if you are concerned about decibel levels.
NOTE: In the United Kingdom, sports catalytic converters and bypass pipes do not have type approval and are not legally permitted for use on vehicles manufactured after 1st March 2001. They are not MOT compliant and cannot be used on public roads. These components are intended solely for race and track use.
For vehicles manufactured before 1st March 2001, a non-type approved sports catalytic converter may be fitted, provided it offers comparable performance to the original and the vehicle continues to meet the applicable emissions standards for its age. The vehicle must still pass an MOT test.
If you are located outside the UK, please check your local laws and regulations to ensure compliance.
Related reference numbers
Related, superseded, cross reference or alternative numbers for comparison.
99611112108
The product you are viewing cross references to these numbers
- Porsche 996 GT3 MKI 1999-02
- Porsche 996 GT3 MKII 2003>>
- Porsche 996 GT3 RS 2003-04
Connecting sleeve from cat to rear silencer.
Price is for each sleeve.

Fits:
Porsche 996 1998-05 (not Turbo and GT2)
Porsche 997 2005>> (not Turbo and GT2)
Porsche 991 Carrera C2 3.4L (350Bhp)
Porsche 991 Carrera C2S 3.8L (400Bhp)
Porsche 991 Carrera C4 3.4L (350Bhp)
Porsche 991 Carrera C4S 3.8L (400Bhp)
Fits cars with and without sport exhaust
Click 'Zoom in' for large parts diagram.
Diagram ref no 13
This high-quality exhaust connecting sleeve joins the catalytic converter to the rear silencer on Porsche 996 and 997 models, offering a superior solution compared to the original Porsche part and many aftermarket alternatives.
Manufactured to tighter tolerances and improved material quality, this upgraded exhaust sleeve provides a more precise fit, improved sealing, and enhanced durability over time. Unlike the original OE sleeve – which can be prone to corrosion and fitment issues as the vehicle ages – this version is designed to deliver long-term reliability and ease of installation.
Crucially, this sleeve is engineered to fit both Porsche 996 and Porsche 997 applications, making it a more versatile and cost-effective option than other aftermarket versions that are often model-specific or require modification.
Direct replacement for Porsche part number 99711152000
Fits Porsche 996 and Porsche 997 models
Improved fit and sealing versus the original OE sleeve
Higher quality construction than typical aftermarket alternatives
Reduces the risk of exhaust leaks and future corrosion
Ideal for exhaust repairs, restorations, or upgrades
Price is per individual sleeve
Whether you are refreshing a tired exhaust system or carrying out a full overhaul, this exhaust sleeve offers a better-than-OEM solution trusted by Porsche specialists and enthusiasts alike.
Related reference numbers
Related, superseded, cross reference or alternative numbers for comparison.
99711152000
The product you are viewing cross references to these numbers
- Porsche 996 C2 3.4L 1997-08/01
- Porsche 996 C4 3.4L 1997-08/01
- Porsche 996 C2 3.6L 09/01-2005
- Porsche 996 C4 3.6L 09/01-2005
- Porsche 996 C4S 3.6L 09/01-2005
- Porsche 996 GT3 MKI 1999-02
- Porsche 996 GT3 MKII 2003>>
- Porsche 996 GT3 RS 2003-04
- Porsche 997 MK1 Carrera 2 3.6L 2005-08
- Porsche 997 MK1 Carrera 2S 3.8L 2005-08
- Porsche 997 MK1 Carrera 4 3.6L 2005-08
- Porsche 997 MK1 Carrera 4S 3.8L 2005-08
- Porsche 991.1 Carrera C2 3.4L (350 Bhp) 2012-16
- Porsche 991.1 Carrera C2S / GTS 3.8L (400/430 Bhp) 2012-16
- Porsche 991.1 Carrera C4 3.4L (350 Bhp) 2012-16
- Porsche 991.1 Carrera C4S / GTS 3.8L (400/430 Bhp) 2012-16
Connecting sleeve from cat to rear silencer. Price is for each sleeve.

Fits:
Porsche 996 1998-05 (not Turbo and GT2)
Porsche 997 2005>> (not Turbo and GT2)
Porsche 991 Carrera C2 3.4L (350Bhp)
Porsche 991 Carrera C2S 3.8L (400Bhp)
Porsche 991 Carrera C4 3.4L (350Bhp)
Porsche 991 Carrera C4S 3.8L (400Bhp)
Fits cars with and without sport exhaust
Grade 5 titanium is resistant to salt water and variety of corrosive media temperatures below 300°C
Click 'Zoom in' for large parts diagram.
Diagram ref no 13
Titanium Exhaust Sleeve – Catalytic Converter to Rear Silencer Grade 5 Titanium (Ti-6Al-4V) Porsche 996 / 997 / 991
Replaces Porsche Part Number: 99711152000
This Grade 5 titanium exhaust sleeve connects the catalytic converter to the rear silencer and represents a significant upgrade over the original Porsche steel sleeve and conventional aftermarket alternatives. Manufactured from aerospace-grade Grade 5 titanium (Ti-6Al-4V), this Rohler exhaust sleeve delivers exceptional strength, corrosion resistance, and weight reduction, making it the ideal long-term solution for performance-focused and enthusiast-owned Porsches. Unlike the original OE clamp, which is susceptible to corrosion over time, this titanium version is highly resistant to salt water and corrosive environments at temperatures below 300°C, ensuring outstanding longevity.
Precision-engineered for accurate fitment across multiple Porsche generations, this upgraded sleeve fits 996, 997, and select 991 Carrera models, offering broader compatibility than many aftermarket options while retaining true bolt-on installation.
Grade 5 titanium (Ti-6Al-4V) construction
Stronger, lighter, and more corrosion-resistant than OEM steel sleeves
Superior longevity compared to original and aftermarket versions
Direct replacement for Porsche 99711152000
Precision fit with excellent sealing Suitable for standard and factory sport exhaust systems
Ideal for performance, restoration, or preventative maintenance
Related reference numbers
Related, superseded, cross reference or alternative numbers for comparison.
99711152000
The product you are viewing cross references to these numbers
- Porsche 996 C2 3.4L 1997-08/01
- Porsche 996 C4 3.4L 1997-08/01
- Porsche 996 C2 3.6L 09/01-2005
- Porsche 996 C4 3.6L 09/01-2005
- Porsche 996 C4S 3.6L 09/01-2005
- Porsche 996 GT3 MKI 1999-02
- Porsche 996 GT3 MKII 2003>>
- Porsche 996 GT3 RS 2003-04
- Porsche 997 MK1 Carrera 2 3.6L 2005-08
- Porsche 997 MK1 Carrera 2S 3.8L 2005-08
- Porsche 997 MK1 Carrera 4 3.6L 2005-08
- Porsche 997 MK1 Carrera 4S 3.8L 2005-08
- Porsche 991.1 Carrera C2 3.4L (350 Bhp) 2012-16
- Porsche 991.1 Carrera C2S / GTS 3.8L (400/430 Bhp) 2012-16
- Porsche 991.1 Carrera C4 3.4L (350 Bhp) 2012-16
- Porsche 991.1 Carrera C4S / GTS 3.8L (400/430 Bhp) 2012-16
In case you need to relocate your existing lambda probe because it's not in the right location. Welding and cutting specialist required.
Fits:
Many Porsche vehicles. Universal kit.
Related reference numbers
Related, superseded, cross reference or alternative numbers for comparison.
100390100392
The product you are viewing cross references to these numbers
- Porsche 964 (911) C2 1989-93
- Porsche 964 (911) C4 1989-93
- Porsche 964 (911) RS 3.6L 1991-93
- Porsche 964 (911) RS 3.8L 1991-93
- Porsche 964 (911) TURBO 3.3L 1991-93
- Porsche 964 (911) TURBO 3.6L 1991-93
- Porsche 993 (911) C2 1994-97
- Porsche 993 (911) C4 1994-97
- Porsche 993 (911) RS 1994-97
- Porsche 993 (911) C2S 1994-97
- Porsche 993 (911) C4S 1994-97
- Porsche 993 (911) TURBO 1994-96
- Porsche 993 (911) GT2 1994-97
- Porsche 993 (911) TURBO S 1994-97
- Porsche 996 C2 3.4L 1997-08/01
- Porsche 996 C4 3.4L 1997-08/01
- Porsche 996 C2 3.6L 09/01-2005
- Porsche 996 C4 3.6L 09/01-2005
- Porsche 996 C4S 3.6L 09/01-2005
- Porsche 996 TURBO 2000-05
- Porsche 996 GT2 2001-05
- Porsche 996 GT3 MKI 1999-02
- Porsche 996 GT3 MKII 2003>>
- Porsche 996 GT3 RS 2003-04
- Porsche 997 MK1 Carrera 2 3.6L 2005-08
- Porsche 997 MK1 Carrera 2S 3.8L 2005-08
- Porsche 997 MK1 Carrera 4 3.6L 2005-08
- Porsche 997 MK1 Carrera 4S 3.8L 2005-08
- Porsche 997 MK1 TURBO 2007-09
- Porsche 997 MK1 GT3 2007-09
- Porsche 997 MK1 GT2 2007-09
- Porsche 997 MKII Carrera C2 3.6L 2009-12
- Porsche 997 MKII Carrera C4 3.6L 2009-12
- Porsche 997 MKII Carrera C2S 3.8L 2009-12
- Porsche 997 MKII Carrera C4S 3.8L 2009-12
- Porsche 997 MKII GT3 2010-11
- Porsche 997 MKII Turbo 2010-13
- Porsche 997 MKII GT2 RS 2011-13
- Porsche 991.1 Carrera C2 3.4L (350 Bhp) 2012-16
- Porsche 991.1 Carrera C2S / GTS 3.8L (400/430 Bhp) 2012-16
- Porsche 991.1 Carrera C4 3.4L (350 Bhp) 2012-16
- Porsche 991.1 Carrera C4S / GTS 3.8L (400/430 Bhp) 2012-16
- Porsche 991.1 Turbo 3.8L (520 Bhp) 2014-16
- Porsche 991.1 Turbo S 3.8L (560 Bhp) 2014-16
- Porsche 991.1 R 4.0L (500 Bhp) 2016
- Porsche 991.1 GT3 3.8L (475 Bhp) 2014-16
- Porsche 991.1 GT3 RS 4.0L (500 Bhp) 2015-16
- Porsche 991.2 Carrera 2 3.0L (370 Bhp) 2016-19
- Porsche 991.2 Carrera 2S / GTS 3.0L (420/450 Bhp) 2016-19
- Porsche 991.2 Carrera 4 3.0L (370 Bhp) 2016-19
- Porsche 991.2 Carrera 4S / GTS 3.0L (420/450 Bhp) 2016-19
- Porsche 991.2 Cabriolet 2 3.0L (370 Bhp) 2016-19
- Porsche 991.2 Cabriolet 2S / GTS 3.0L (420/450 Bhp) 2016-19
- Porsche 991.2 Cabriolet 4 3.0L (370 Bhp) 2016-19
- Porsche 991.2 Cabriolet 4S / GTS 3.0L (420/450 Bhp) 2016-19
- Porsche 991.2 Targa 4 3.0L (370 Bhp) 2016-19
- Porsche 991.2 Targa 4S / GTS 3.0L (420/450 Bhp) 2016-19
- Porsche 991.2 Turbo Coupe 3.8L (540 Bhp) 2016-19
- Porsche 991.2 Turbo S Coupe 3.8L (580 Bhp) 2016-19
- Porsche 991.2 Turbo Cabriolet 3.8L (540 Bhp) 2016-19
- Porsche 991.2 Turbo S Cabriolet 3.8L (580 Bhp) 2016-19
- Porsche 991.2 Speedster 4.0L (510Bhp) 2019
- Porsche 991.2 GT3 4.0L (500 Bhp) / GT3 RS 4.0L (520 Bhp) 2017-19
- Porsche 991.2 GT2 RS 3.8L PDK (700 bhp) 2018-19
- Porsche 992.1 Carrera 2 3.0L 2019-24
- Porsche 992.1 Carrera 4 3.0L 2019-24
- Porsche 992.1 Carrera 2 Cabriolet 3.0L 2019-24
- Porsche 992.1 Carrera 4 Cabriolet 3.0L 2019-24
- Porsche 992.1 Carrera 2S / GTS 3.0L 2019-24
- Porsche 992.1 Carrera 4S / GTS 3.0L 2019-24
- Porsche 992.1 Carrera 2S / GTS Cabriolet 3.0L 2019-24
- Porsche 992.1 Carrera 4S / GTS Cabriolet 3.0L 2019-24
- Porsche 992.1 Targa 4 3.0L 2020-24
- Porsche 992.1 Targa 4S / GTS 3.0L 2020-24
- Porsche 992.1 Speedster 4.0L 2019-24
- Porsche 992.1 Turbo 3.8L 2020-24
- Porsche 992.1 Turbo S 3.8L 2020-24
- Porsche 992.1 Turbo Cabriolet 3.8L 2020-24
- Porsche 992.1 Turbo S Cabriolet 3.8L 2020-24
- Porsche 992.1 GT3 4.0L / 992 S/T 4.0L 2021-24
- Porsche Cayman 2.7L 987C 2006-08
- Porsche Cayman S 3.4L 987C 2005-08
- Porsche Cayman 2.9L 987C MKII 2009-12
- Porsche Cayman S / R 3.4L 987C MKII 2009-12
- Porsche Cayman 2.7L 981 2013-16
- Porsche Cayman S / GTS 3.4L 981 2013-16
- Porsche Cayman GT4 3.8L 2015-16
- Porsche Cayman 718 2.0L Manual (300 Bhp)
- Porsche Cayman 718 2.0L PDK (300 Bhp)
- Porsche Cayman S 718 2.5L Manual (350 Bhp)
- Porsche Cayman S 718 2.5L PDK (350 Bhp)
- Porsche Cayman T 718 2.0L Manual (300 Bhp)
- Porsche Cayman T 718 2.0L PDK (300 Bhp)
- Porsche Cayman GTS 718 2.5L Manual (365 Bhp)
- Porsche Cayman GTS 718 2.5L PDK (365 Bhp)
- Porsche Cayman GTS 718 4.0L Manual (400 Bhp)
- Porsche Cayman GTS 718 4.0L PDK (400 Bhp)
- Porsche Cayman GT4 718 4.0L / GT4 RS 718 4.0L
-
crankcase left 996 GT3-1 M96.76 2000-01 and 996 GT3-1/GT3 RS M96.79 2004-05 101-05
-
oil pump 996 GT3-1 M96.76 2000-01 and 996 GT3-1/GT3 RS M96.79 2004-05 104-00
-
exhaust system 996 GT3-1 M96.76 2000-01 and 996 GT3-1/GT3 RS M96.79 2004-05 202-00
-
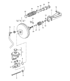
brake master cylinder, brake booster, pre-charge pump 996 GT3-1 1999-05 604-00
-
pedals 996 GT3-1 1999-05 702-00
-
battery, power distributor, starter, generator, battery main switch for 996 GT3-1 1999-05 902-05
Exhaust Catalytic Converters & Bypass Pipes – Performance, Efficiency & Flow Control
The catalytic converter plays a crucial role in your Porsche’s exhaust system, reducing harmful emissions while maintaining optimal exhaust flow. Positioned between the exhaust manifold and silencer, it converts toxic gases such as carbon monoxide, hydrocarbons, and nitrogen oxides into less harmful emissions before they exit the tailpipe.
At Design911, we offer a complete range of catalytic converters and bypass pipes for Porsche vehicles. Our manufacturer-quality converters ensure reliable emission control and long-term performance, while our bypass options are designed for track or performance use, optimising exhaust flow for maximum power and throttle response.
Whether you’re maintaining your Porsche to meet emissions standards or upgrading for improved exhaust performance, our selection includes both direct-fit converters and performance bypass kits built from high-grade stainless steel for strength, corrosion resistance, and durability.
What Do Catalytic Converters & Bypass Pipes Do?
A catalytic converter uses a fine mesh of precious metals to trigger chemical reactions that break down pollutants. The bypass alternative eliminates restriction in the exhaust flow, improving performance in non-emissions-controlled environments such as track driving.
Core Functions:
- Converts
toxic exhaust gases into environmentally friendly emissions.
- Maintains
exhaust back pressure for engine efficiency.
- Reduces harmful NOx, CO, and HC emissions.
- Supports smoother engine performance and throttle control.
- Bypass versions enhance exhaust flow and improve power output for track cars.
Upgrading to a performance-grade system ensures your Porsche continues to meet emission requirements — or achieves greater flow and responsiveness for motorsport applications.
Why Do Catalytic Converters Fail?
Catalytic converters are exposed to extreme heat, unburnt fuel, and contaminants — all of which can degrade their performance over time.
Common Causes of Failure Include:
- Carbon
or oil buildup blocking the internal honeycomb.
- Thermal
damage from overheating or rich fuel mixtures.
- Physical
damage from road debris or misfiring engines.
- Corrosion
due to moisture and exhaust condensation.
- Age-related wear reducing catalytic efficiency.
A failing converter can cause reduced engine power, poor
fuel economy, rattling sounds, or a check-engine light. Replacing it
restores emissions compliance, performance, and exhaust efficiency.
Why Replace or Upgrade
with Precision-Engineered Components?
Replacing a failing converter or upgrading to a bypass pipe ensures your Porsche maintains peak performance and reliability.
Key Benefits:
- Restores optimal emissions performance and efficiency.
- Improves exhaust flow and throttle response.
- Reduces engine stress and fuel consumption.
- Durable stainless-steel construction for longevity.
- Direct-fit
compatibility for Porsche 911, Cayman, Boxster, Panamera, Macan
and more.
- Performance bypass options available for track and tuning applications.
Whether you want emissions compliance or maximum flow for competition use, our parts deliver reliability, precision, and performance.
Highlights:
- Direct-fit catalytic converters and bypass pipes for Porsche models.
- Precision-engineered for optimal flow and reduced emissions.
- Built from heat-resistant stainless steel for durability.
- Bypass pipes for performance tuning and track applications.
- Restores power, efficiency, and exhaust sound balance.
- Available for classic and modern Porsche vehicles.