Exhaust Cross over pipes
Fits:
Porsche 964 (911) C2 1989-93
Porsche 964 (911) C4 1989-93
Porsche 964 (911) RS 3.6L 1991-93
Porsche 964 (911) RS 3.8L 1991-93
Kit Includes
2 x Catalytic converter / heat exchanger cross over flange
1 x Catalytic converter gasket
1 x Heat exchanger gasket
6 x Heat exchanger to cylinder head seal ring
4 x Heat exchanger barrel nut
16 x Exhaust lock nut
8 x Exhaust bolt M8 x 40
Ninemeister Converter Repair Flange
Over time, age, heat cycles, and corrosion take their toll on Porsche exhaust systems. A common weak point is the catalytic converter flange, which can corrode and eventually disintegrate. When this happens, it compromises the seal in your exhaust system, leading to exhaust leaks, loss of performance, and increased noise.
The Ninemeister repair flange is a high-quality replacement solution designed specifically to restore your Porsche’s exhaust integrity.
Key Features
- Direct
Repair Solution – allows you to remove the corroded flange and re-weld
this precision-machined replacement in place.
- Durable
Construction – built to withstand the extreme heat and corrosive
conditions of Porsche exhaust systems.
- Restores
Exhaust Sealing – eliminates leaks, restores back pressure, and
ensures smooth engine performance.
- Cost-Effective
Repair – no need to replace the entire catalytic converter when only
the flange is damaged.
- Tailored Fitment – engineered to match Porsche specifications for proper alignment and fit.
Why Replace a Corroded Converter Flange?
- Eliminate
Exhaust Leaks – prevent harmful gases from escaping and affecting
cabin safety.
- Restore
Performance – exhaust leaks reduce back pressure, causing poor
throttle response and reduced efficiency.
- Prevent
Further Damage – corrosion at the flange can spread, leading to costly
catalytic converter or exhaust system replacements.
- Long-Term Reliability – a fresh flange ensures your exhaust remains structurally sound for years to come.
The Ninemeister catalytic converter repair flange provides a reliable, cost-effective fix for corroded catalytic converter
flanges, helping you keep your Porsche exhaust system safe, efficient, and true
to factory performance.
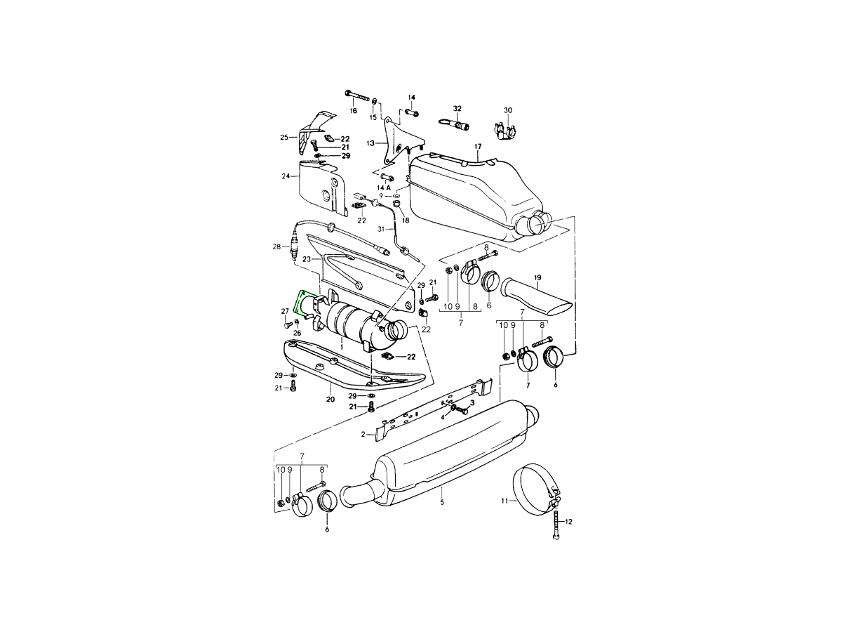
Section of diagram ref no 1, 3, 4, 5, 6, 7, 8 and 12.
Related reference numbers
Related, superseded, cross reference or alternative numbers for comparison.
9M96411104205KIT
The product you are viewing cross references to these numbers
- Porsche 964 (911) C2 1989-93
- Porsche 964 (911) C4 1989-93
- Porsche 964 (911) RS 3.6L 1991-93
- Porsche 964 (911) RS 3.8L 1991-93
Fits:
Porsche 964 (911) C2 1989-93
Porsche 964 (911) C4 1989-93
Porsche 964 (911) RS 3.6L 1991-93
Porsche 964 (911) RS 3.8L 1991-93
Ninemeister Converter Repair Flange
Over time, age, heat cycles, and corrosion take their toll on Porsche exhaust systems. A common weak point is the catalytic converter flange, which can corrode and eventually disintegrate. When this happens, it compromises the seal in your exhaust system, leading to exhaust leaks, loss of performance, and increased noise.
The Ninemeister repair flange is a high-quality replacement solution designed specifically to restore your Porsche’s exhaust integrity.
Key Features
- Direct
Repair Solution – allows you to remove the corroded flange and re-weld
this precision-machined replacement in place.
- Durable
Construction – built to withstand the extreme heat and corrosive
conditions of Porsche exhaust systems.
- Restores
Exhaust Sealing – eliminates leaks, restores back pressure, and
ensures smooth engine performance.
- Cost-Effective
Repair – no need to replace the entire catalytic converter when only
the flange is damaged.
- Tailored Fitment – engineered to match Porsche specifications for proper alignment and fit.
Why Replace a Corroded Converter Flange?
- Eliminate
Exhaust Leaks – prevent harmful gases from escaping and affecting
cabin safety.
- Restore
Performance – exhaust leaks reduce back pressure, causing poor
throttle response and reduced efficiency.
- Prevent
Further Damage – corrosion at the flange can spread, leading to costly
catalytic converter or exhaust system replacements.
- Long-Term Reliability – a fresh flange ensures your exhaust remains structurally sound for years to come.
The Ninemeister catalytic converter repair flange provides a reliable, cost-effective fix for corroded catalytic converter
flanges, helping you keep your Porsche exhaust system safe, efficient, and true
to factory performance.
Section of diagram ref no 1
Related reference numbers
Related, superseded, cross reference or alternative numbers for comparison.
9M96411104205
The product you are viewing cross references to these numbers
- Porsche 964 (911) C2 1989-93
- Porsche 964 (911) C4 1989-93
- Porsche 964 (911) RS 3.6L 1991-93
- Porsche 964 (911) RS 3.8L 1991-93

Fits:
Porsche 911 Turbo 3.3 09/77-07/89
Porsche 964 Turbo 3.3-3.6 08/90-09/93
Diagram Ref No 4
Related reference numbers
Related, superseded, cross reference or alternative numbers for comparison.
93011112803
The product you are viewing cross references to these numbers
- Porsche 911 1978-1989 3.3L Turbo (930)
- Porsche 964 (911) TURBO 3.3L 1991-93
- Porsche 964 (911) TURBO 3.6L 1991-93