Turbo Chargers / Intercoolers & Parts

• Original turbocharger as base part
• TTE Billet geometry compressor
• TTE high flow turbine
• 400 PS Capable
• Single parts finely balanced then components assembled and core high-speed VSR balanced
• Supplied with a balance test result document
• Made in Germany
- Porsche 911 1975-1977 3.0L Turbo (930)
- Porsche 911 1978-1989 3.3L Turbo (930)
- Porsche 964 (911) TURBO 3.3L 1991-93
- Porsche 964 (911) TURBO 3.6L 1991-93

• Original turbocharger as base part
• Very early response
• Billet Milled TTE compressor blade
• High Flow Turbine
• 550 PS Capable
• Plug and Play installation
• Proven TheTurboEngineers quality
• Single parts finely balanced then components assembled and core high-speed VSR balanced
• Supplied with a balance test result document
Made in Germany
- Porsche 911 1975-1977 3.0L Turbo (930)
- Porsche 911 1978-1989 3.3L Turbo (930)
- Porsche 964 (911) TURBO 3.3L 1991-93
- Porsche 964 (911) TURBO 3.6L 1991-93


Fits:
Porsche 911 (930) Turbo 1978-89
Porsche 964 Turbo 3.3L 991-92
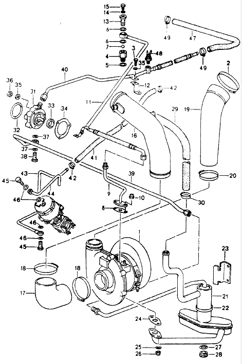
Click 'Zoom in' for large parts diagram.
Diagram ref no 9
Related reference numbers
Related, superseded, cross reference or alternative numbers for comparison.
93010712403
The product you are viewing cross references to these numbers
- Porsche 911 1975-1977 3.0L Turbo (930)
- Porsche 911 1978-1989 3.3L Turbo (930)
- Porsche 964 (911) TURBO 3.3L 1991-93

Fits:
Porsche 911 (930) Turbo 1978-89
Porsche 964 Turbo 3.3L 991-92
Click 'Zoom in' for large parts diagram.
Diagram ref no 9
Related reference numbers
Related, superseded, cross reference or alternative numbers for comparison.
93010712403
The product you are viewing cross references to these numbers
- Porsche 911 1975-1977 3.0L Turbo (930)
- Porsche 911 1978-1989 3.3L Turbo (930)
- Porsche 964 (911) TURBO 3.3L 1991-93


Fits:
Porsche 911 (930) Turbo 1975-89
Porsche 964 (965) 1989-94
Click 'Zoom in' for large parts diagram.
Diagram ref no 24
Related reference numbers
Related, superseded, cross reference or alternative numbers for comparison.
93010711601
The product you are viewing cross references to these numbers
- Porsche 911 1975-1977 3.0L Turbo (930)
- Porsche 911 1978-1989 3.3L Turbo (930)
- Porsche 964 (911) TURBO 3.3L 1991-93
- Porsche 964 (911) TURBO 3.6L 1991-93


Fits:
Porsche 911 Turbo 1975-77 for 930/51/52/53/54
Porsche 911 Turbo 1978-89
Click 'Zoom in' for large parts diagram.
Diagram ref no 39
Related reference numbers
Related, superseded, cross reference or alternative numbers for comparison.
93010733804
The product you are viewing cross references to these numbers
- Porsche 911 1975-1977 3.0L Turbo (930)
- Porsche 911 1978-1989 3.3L Turbo (930)

Engine to turbocharger
Fits:
Porsche 911 (930) 3.0L / 3.3L Turbo 1975-1989
Porsche 965 3.3L Turbo 08/1990 - 07/1992
This product supersedes Porsche's old part numbers:
- 93010712501,
- 93010712503,
- 93010712505,
- 93010712507,
Diagram ref no 11
Related reference numbers
Related, superseded, cross reference or alternative numbers for comparison.
93010712509
The product you are viewing cross references to these numbers
- Porsche 911 1975-1977 3.0L Turbo (930)
- Porsche 911 1978-1989 3.3L Turbo (930)
- Porsche 964 (911) TURBO 3.3L 1991-93
Engine to turbocharger
Fits:
Porsche 911 (930) 3.0L / 3.3L Turbo 1975-1989
Porsche 965 3.3L Turbo 08/1990 - 07/1992
This product supersedes Porsche's old part numbers:
- 93010712501,
- 93010712503,
- 93010712505,
- 93010712507,
Diagram ref no 11
Related reference numbers
Related, superseded, cross reference or alternative numbers for comparison.
93010712509
The product you are viewing cross references to these numbers
- Porsche 911 1975-1977 3.0L Turbo (930)
- Porsche 911 1978-1989 3.3L Turbo (930)
- Porsche 964 (911) TURBO 3.3L 1991-93

Fits:
Porsche 911 (930) Turbo 1975-89
Porsche 964 (965) Turbo 3.3L / 3.6L 1991-94
Click 'zoom in' for large parts diagram.
Diagram ref no 44.
Related reference numbers
Related, superseded, cross reference or alternative numbers for comparison.
93012304305
The product you are viewing cross references to these numbers
- Porsche 911 1975-1977 3.0L Turbo (930)
- Porsche 911 1978-1989 3.3L Turbo (930)
- Porsche 964 (911) TURBO 3.3L 1991-93
- Porsche 964 (911) TURBO 3.6L 1991-93

Fits:
Porsche 911 (930) Turbo 1975-89
Porsche 964 (965) Turbo 3.3L / 3.6L 1991-94
Click 'zoom in' for large parts diagram.
Diagram ref no 43.
Related reference numbers
Related, superseded, cross reference or alternative numbers for comparison.
93012305302
The product you are viewing cross references to these numbers
- Porsche 911 1975-1977 3.0L Turbo (930)
- Porsche 911 1978-1989 3.3L Turbo (930)
- Porsche 964 (911) TURBO 3.3L 1991-93
- Porsche 964 (911) TURBO 3.6L 1991-93