Enter your VAT number here and click Verify:
Your details have been verified. VAT number registered to:
,
.
Your order will now be zero rated for VAT purposes. We reserve the right to verify these details after your order request has been made and reinstate VAT if required.
Your VAT details were not recognised or were invalid. Your VAT number must be matched to your Billing Country as specified above. This is currently specified as . You do not need to enter the country code part of your VAT number as this has already been selected in your billing address details above.
The VAT number checking service is currently offline. Please supply your VAT details within the comments or special instructions field below and we will apply a VAT discount after placing your order request.
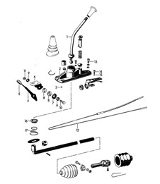
Gearshift Control Parts

Fits:
Porsche 356 BT6 / C
Click 'Zoom in' for large parts diagram.
Diagram ref no 8
Related reference numbers
Related, superseded, cross reference or alternative numbers for comparison.
64450473006
The product you are viewing cross references to these numbers
- Porsche 356B 1959-63
- Porsche 356C 1963-65

Fits:
Porsche 356C (1964-1965)
Porsche 911 (1965-1972)
Porsche 912 (1965-1969)
Porsche 914 (1970-1976)
models with 32mm and 42mm ends
Click 'Zoom in' for large parts diagram.
Diagram ref no 12
Related reference numbers
Related, superseded, cross reference or alternative numbers for comparison.
91442413101
The product you are viewing cross references to these numbers
- Porsche 911 1965-1968 2.0L / 912 SWB (F)
- Porsche 911 1968-1973 2.2L / 2.4L / 2.7L RS LWB (F)
- Porsche 356C 1963-65
- Porsche 914 (1970-1976)

Fits:
Porsche 356B 1960-65
F >>110 406 COUPE -REUTTER-
F >>153 022 CABRIO HARDTOP
F >> 87 491 ROADSTER
Porsche 911 1970-86
Porsche 911 turbo 1975-1988
Porsche 914 1973-76
Porsche 924 1976-79
Click 'Zoom in' for large parts diagram.
Diagram ref no 25
Related reference numbers
Related, superseded, cross reference or alternative numbers for comparison.
96442422300
The product you are viewing cross references to these numbers
- Porsche 911 1968-1973 2.2L / 2.4L / 2.7L RS LWB (F)
- Porsche 911 1974-1977 2.7L / 1976-77 3.0 Carrera
- Porsche 911 1978-1983 3.0L / SC
- Porsche 911 1984-1986 3.2L
- Porsche 911 1975-1977 3.0L Turbo (930)
- Porsche 911 1978-1989 3.3L Turbo (930)
- Porsche 924 2.0L 1976-79
- Porsche 356B 1959-63
- Porsche 356C 1963-65
- Porsche 914 (1970-1976)

Fits:
Porsche 356A / 356B / 356C - 1956 to 1965
Porsche 911 1969 to 1988
Porsche 911 turbo - 1975 to 1988
Product Description
If your 915 shift coupler has never been service or replaced and you're experiencing a loose and worn-out feel in your shifter, the culprit is likely the coupler.
The factory-installed coupler bushings are constructed from low durometer compliant rubber, which tends to wear out quickly. Our upgraded brass bushing is designed to enhance shifter feedback and deliver precise shifts. It's the solution you've been seeking to optimize the performance of your 915 transmission.
Fits factory shift coupling - 91142402404 and 69542402404
Click 'Zoom in' for large parts diagram.
Diagram ref no 9
Related reference numbers
Related, superseded, cross reference or alternative numbers for comparison.
TR18
The product you are viewing cross references to these numbers
- Porsche 911 1968-1973 2.2L / 2.4L / 2.7L RS LWB (F)
- Porsche 911 1974-1977 2.7L / 1976-77 3.0 Carrera
- Porsche 911 1978-1983 3.0L / SC
- Porsche 911 1984-1986 3.2L
- Porsche 911 1987-1989 3.2L G50
- Porsche 911 1975-1977 3.0L Turbo (930)
- Porsche 911 1978-1989 3.3L Turbo (930)
- Porsche 356A 1955-59
- Porsche 356B 1959-63
- Porsche 356C 1963-65
Fits:
Porsche 356B T6
Porsche 356C
Click 'Zoom in' for large parts diagram.
Diagram ref no 41
Related reference numbers
Related, superseded, cross reference or alternative numbers for comparison.
69542492103
The product you are viewing cross references to these numbers
- Porsche 356B 1959-63
- Porsche 356C 1963-65
Fits:
Porsche 356B / 356C 1960-65
Click 'Zoom in' for large parts diagram.
Diagram ref no 38
Related reference numbers
Related, superseded, cross reference or alternative numbers for comparison.
69542492200
The product you are viewing cross references to these numbers
- Porsche 356B 1959-63
- Porsche 356C 1963-65

Fits:
Porsche 356B / 356C 1960-65
Click 'Zoom in' for large parts diagram.
Diagram ref no 38
Related reference numbers
Related, superseded, cross reference or alternative numbers for comparison.
69542492200
The product you are viewing cross references to these numbers
- Porsche 356B 1959-63
- Porsche 356C 1963-65

Fits:
Porsche 356B T5 (from Trans#35001)
Porsche 356C
Porsche 911/912 up to 1986
Click 'Zoom in' for large parts diagram.
Fits to no 29 on diagram.
Related reference numbers
Related, superseded, cross reference or alternative numbers for comparison.
69542422300
The product you are viewing cross references to these numbers
- Porsche 911 1965-1968 2.0L / 912 SWB (F)
- Porsche 911 1968-1973 2.2L / 2.4L / 2.7L RS LWB (F)
- Porsche 911 1974-1977 2.7L / 1976-77 3.0 Carrera
- Porsche 911 1978-1983 3.0L / SC
- Porsche 911 1984-1986 3.2L
- Porsche 356B 1959-63
- Porsche 356C 1963-65

Fits:
Porsche 356B T5 (from Trans#35001)
Porsche 356C
Porsche 911 / 912 up to 1986
Click 'Zoom in' for large parts diagram.
Fits to no 29 on diagram.
Related reference numbers
Related, superseded, cross reference or alternative numbers for comparison.
69542422300
The product you are viewing cross references to these numbers
- Porsche 911 1965-1968 2.0L / 912 SWB (F)
- Porsche 911 1968-1973 2.2L / 2.4L / 2.7L RS LWB (F)
- Porsche 911 1974-1977 2.7L / 1976-77 3.0 Carrera
- Porsche 911 1978-1983 3.0L / SC
- Porsche 911 1984-1986 3.2L
- Porsche 356B 1959-63
- Porsche 356C 1963-65
Fits:
Porsche 356 1960-65
Porsche 911/912 1965-75 Sportomatic Transmission Cars
Porsche 914 1970-76
Diagram ref no 4
Related reference numbers
Related, superseded, cross reference or alternative numbers for comparison.
91442490100
The product you are viewing cross references to these numbers
- Porsche 911 1965-1968 2.0L / 912 SWB (F)
- Porsche 911 1968-1973 2.2L / 2.4L / 2.7L RS LWB (F)
- Porsche 911 1974-1977 2.7L / 1976-77 3.0 Carrera
- Porsche 911 1978-1983 3.0L / SC
- Porsche 356B 1959-63
- Porsche 356C 1963-65
- Porsche 914 (1970-1976)
Replacement OEM Part Number: 96442422300.
Fits inside the Gearshift Coupling part number 91142402404

Fits:
Not for G50 Transaxle
Porsche 356B 1960-65
F >>110 406 COUPE -REUTTER-
F >>153 022 CABRIO HARDTOP
F >> 87 491 ROADSTER
Porsche 911 1970-86
Porsche 911 turbo 1977-88
Porsche 914 1973-76
Porsche 924 1976-79
Click 'Zoom in' for large parts diagram.
Diagram ref no 25
Powerflex. Replacing your car rubber suspension bushes with Polyurethane Suspension Bushes will give you:
- Better road holding
- Constant steering geometry
- Increased tyre life
- More responsitive steering
- Longer service life of suspension components
Related reference numbers
Related, superseded, cross reference or alternative numbers for comparison.
PFR57-430
The product you are viewing cross references to these numbers
- Porsche 911 1968-1973 2.2L / 2.4L / 2.7L RS LWB (F)
- Porsche 911 1974-1977 2.7L / 1976-77 3.0 Carrera
- Porsche 911 1978-1983 3.0L / SC
- Porsche 911 1984-1986 3.2L
- Porsche 911 1975-1977 3.0L Turbo (930)
- Porsche 911 1978-1989 3.3L Turbo (930)
- Porsche 924 2.0L 1976-79
- Porsche 356B 1959-63
- Porsche 356C 1963-65
- Porsche 914 (1970-1976)
Replacement OEM Part Number: 96442422300.
Fits inside the Gearshift Coupling part number 91142402404

Fits:
Not for G50 Transaxle
Porsche 356B 1960-65
F >>110 406 COUPE -REUTTER-
F >>153 022 CABRIO HARDTOP
F >> 87 491 ROADSTER
Porsche 911 1970-86
Porsche 911 turbo 1977-86
Porsche 914 1973-76
Porsche 924 1976-79
Click 'Zoom in' for large parts diagram.
Diagram ref no 25
Powerflex Black Series - Designed for the Track - Ready to Race - Engineered to be the best.
Powerflex Black Series bushes are manufactured using a 95 Shore A compound to provide maximum control of chassis geometry. This compound can be up to 80% more resistant to load than standard rubber and 25% stiffer than our purple performance material.
If your requirements are purely for the ultimate in handling and chassis performance then Powerflex Black Series are unique, offering the most precise and accurate alignment for your chassis.
Replacing your car rubber suspension bushes with Polyurethane Suspension Bushes will give you:
- Better road holding
- Constant steering geometry
- Increased tyre life
- More responsitive steering
- Longer service life of suspension components
Related reference numbers
Related, superseded, cross reference or alternative numbers for comparison.
PFR57-430BLK
The product you are viewing cross references to these numbers
- Porsche 911 1968-1973 2.2L / 2.4L / 2.7L RS LWB (F)
- Porsche 911 1974-1977 2.7L / 1976-77 3.0 Carrera
- Porsche 911 1978-1983 3.0L / SC
- Porsche 911 1984-1986 3.2L
- Porsche 911 1975-1977 3.0L Turbo (930)
- Porsche 911 1978-1989 3.3L Turbo (930)
- Porsche 924 2.0L 1976-79
- Porsche 356B 1959-63
- Porsche 356C 1963-65
- Porsche 914 (1970-1976)
Replacement OEM Part Number: 96442422300.
Fits inside the Gearshift Coupling part number 91142402404

Fits:
Not for G50 Transaxle
Porsche 356B 1960-65
F >>110 406 COUPE -REUTTER-
F >>153 022 CABRIO HARDTOP
F >> 87 491 ROADSTER
Porsche 911 1970-86
Porsche 911 turbo 1975-88
Porsche 914 1973-76
Porsche 924 1976-79
Click 'Zoom in' for large parts diagram.
Diagram ref no 25
Powerflex Heritage Collection. For Modern Day Classics.
A range of bushes engineered for the road to compliment your classic car.
POWERFLEX Heritage Collection bushes are manufactured using modern day materials with properties biased for the road. These dark grey coloured bushes will improve any collector's car, whilst retaining the same standard appearance of a rubber bush.
Related reference numbers
Related, superseded, cross reference or alternative numbers for comparison.
PFR57-430H
The product you are viewing cross references to these numbers
- Porsche 911 1968-1973 2.2L / 2.4L / 2.7L RS LWB (F)
- Porsche 911 1974-1977 2.7L / 1976-77 3.0 Carrera
- Porsche 911 1978-1983 3.0L / SC
- Porsche 911 1984-1986 3.2L
- Porsche 911 1975-1977 3.0L Turbo (930)
- Porsche 911 1978-1989 3.3L Turbo (930)
- Porsche 924 2.0L 1976-79
- Porsche 356B 1959-63
- Porsche 356C 1963-65
- Porsche 914 (1970-1976)

Fits:
Porsche 356B / 356C 1960-65
Porsche 911 1965-89
Porsche 914-6 / 914-6:SPM 1970-76
Click 'Zoom in' for large parts diagram.
Diagram ref no 13
Related reference numbers
Related, superseded, cross reference or alternative numbers for comparison.
91430130701
The product you are viewing cross references to these numbers
- Porsche 911 1965-1968 2.0L / 912 SWB (F)
- Porsche 911 1968-1973 2.2L / 2.4L / 2.7L RS LWB (F)
- Porsche 911 1974-1977 2.7L / 1976-77 3.0 Carrera
- Porsche 911 1978-1983 3.0L / SC
- Porsche 911 1984-1986 3.2L
- Porsche 911 1987-1989 3.2L G50
- Porsche 911 1975-1977 3.0L Turbo (930)
- Porsche 911 1978-1989 3.3L Turbo (930)
- Porsche 356B 1959-63
- Porsche 356C 1963-65
- Porsche 914 (1970-1976)
Porsche Gearshift Control Parts | Precision Engineering for Smooth & Accurate Gear Selection
Gearshift control parts form the vital link between your Porsche’s gear lever and transmission. They ensure smooth, precise, and responsive gear selection — translating driver input into clean, accurate engagement of gears. Whether manual or automatic, the integrity of your gearshift system directly impacts driving feel, safety, and transmission performance.
At Design911, we supply high-quality gearshift control parts designed to match or exceed original performance standards. Crafted from durable materials and engineered for precision fitment, our range includes linkages, bushings, cables, mounts, and selector mechanisms to restore crisp shifting and eliminate play or vibration.
Whether you’re replacing worn components or upgrading for enhanced performance, our Porsche gearshift control parts deliver improved shift feel, reliability, and driver confidence.
What Do Gearshift Control Parts Do?
Gearshift control components ensure that movement from the gear lever is accurately transferred to the gearbox or selector mechanism, enabling proper gear engagement.
Core Functions:
- Transfer motion from the gear lever to the transmission.
- Maintain smooth and accurate gear selection.
- Absorb vibration and prevent excess movement in linkages.
- Provide tactile, responsive feedback during shifting.
- Ensure consistent alignment for both manual and automatic systems.
Without properly functioning gearshift components, gear
changes may feel loose, inaccurate, or noisy — leading to wear and potential
gearbox damage.
Why Do Gearshift Control Parts
Fail or Wear Out?
Over time, gearshift components experience constant mechanical stress, heat, and vibration, leading to wear or misalignment.
Common Causes of Failure Include:
- Worn bushings or linkage joints causing play in the shifter.
- Cable stretching or detachment in cable-operated systems.
- Cracked mounts or fatigued metal joints.
- Corrosion or contamination from dirt and moisture.
Misalignment from hard shifting or vibration.
When these parts degrade, drivers may experience sloppy or stiff gear changes, difficulty engaging gears, or excessive movement in the gear lever.
Why Replace or Upgrade
Your Porsche Gearshift Control Parts?
Replacing worn or damaged gearshift control components
restores crisp shifting, precise engagement, and driving confidence. Upgrading
to performance-grade linkages or bushings provides improved tactile feedback
and reduced shifter movement.
Key Benefits:
- Restores accurate and responsive gear changes.
- Eliminates excess play, looseness, or stiffness in the shifter.
- Reduces vibration and improves driving comfort.
- Enhances overall gear selection accuracy and feel.
- Compatible with Porsche 911, Cayman, Boxster and classic models.
- Ideal for rebuilds, restorations, and performance upgrades.
It’s recommended to replace gearshift control components during clutch or gearbox servicing to maintain transmission integrity and performance consistency.
Highlights
- Premium Porsche gearshift control parts for manual & automatic transmissions.
- Precision-engineered for smooth and accurate shifting.
- Includes linkages, bushings, mounts, and selector components.
- Direct-fit replacements for Porsche road and performance models.
- Improves shift quality, precision, and long-term reliability.
- Essential for transmission maintenance, restoration, or upgrades.