


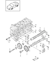
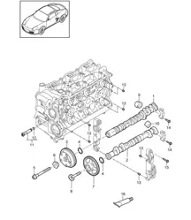
Fits:
Porsche 991.1 Carrera 2012-16
Porsche 991 Turbo 2014-20
Porsche 981 Boxster 2012-16
Porsche 981 Boxster Spyder 2016
Porsche 981C Cayman 2014-16
Porsche 981C Cayman GT4 2016
Click 'Zoom in' for large parts diagram.
Diagram ref no. 5
Related reference numbers
Related, superseded, cross reference or alternative numbers for comparison.
9A110525403
The product you are viewing cross references to these numbers
- Porsche Boxster 981 2.7L 2012-16
- Porsche Boxster 981 S / GTS 3.4L 2012-16
- Porsche Boxster 981 Spyder 3.8L 2016
- Porsche 991.1 Carrera C2 3.4L (350Bhp) 2012-16
- Porsche 991.1 Carrera C2S 3.8L (400Bhp) 2012-16
- Porsche 991.1 Carrera C4 3.4L (350Bhp) 2012-16
- Porsche 991.1 Carrera C4S 3.8L (400Bhp) 2012-16
- Porsche 991.1 Turbo 3.8L (520bhp) 2014-16
- Porsche 991.1 Turbo S 3.8L (560Bhp) 2014-16
- Porsche 991.2 Turbo Coupe 3.8L (540 Bhp) 2016-19
- Porsche 991.2 Turbo S Coupe 3.8L (580 Bhp) 2016-19
- Porsche 991.2 Turbo Cabriolet 3.8L (540 Bhp) 2016-19
- Porsche 991.2 Turbo S Cabriolet 3.8L (580 Bhp) 2016-19
- Porsche Cayman 2.7L 981 2013-16
- Porsche Cayman S / GTS 3.4L 981 2013-16
- Porsche Cayman GT4 3.8L 2015-16