Enter your VAT number here and click Verify:
Your details have been verified. VAT number registered to:
,
.
Your order will now be zero rated for VAT purposes. We reserve the right to verify these details after your order request has been made and reinstate VAT if required.
Your VAT details were not recognised or were invalid. Your VAT number must be matched to your Billing Country as specified above. This is currently specified as . You do not need to enter the country code part of your VAT number as this has already been selected in your billing address details above.
The VAT number checking service is currently offline. Please supply your VAT details within the comments or special instructions field below and we will apply a VAT discount after placing your order request.
Check vehicle fitment
Elring
9971041708A::1
Product Information
2 per engine.

Fits:
Porsche 997 GT3 3.8L 2010-11 (M97.77)
Porsche 997 GT3 RS 3.8L 2011 (M97.77)
Porsche 997 GT3 RS 4.0L 2011 (M97.74)
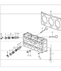
Click 'Zoom in' for large parts diagram.
Diagram ref no 13
Related reference numbers
Related, superseded, cross reference or alternative numbers for comparison.
9971041708A
The product you are viewing cross references to these numbers
Product Information
Engine head gasket. Cylinder 1-3 or 4-6.2 per engine.

Fits:
Porsche 997 GT3 3.8L 2010-11 (M97.77)
Porsche 997 GT3 RS 3.8L 2011 (M97.77)
Porsche 997 GT3 RS 4.0L 2011 (M97.74)
Click 'Zoom in' for large parts diagram.
Diagram ref no 13
Related reference numbers
Related, superseded, cross reference or alternative numbers for comparison.
9971041708A
9971041708A
476.641
The product you are viewing cross references to these numbers
Vehicle Group
Vehicle Group
- Porsche 997 MKII GT3 2010-11
Price: €57.85 inc. VAT
In Stock - 3- 5 Days Dispatch

