Voer hier uw btw-nummer in en klik op Verifiëren:
U hoeft het landcode-deel van uw btw-nummer niet in te voeren, omdat dit al is geselecteerd in uw factuuradres hierboven.
Uw gegevens zijn geverifieerd. Btw-nummer geregistreerd bij:
,
.
Uw bestelling wordt nu voor BTW-doeleinden op een nultarief gezet. Wij behouden ons het recht voor deze gegevens na uw bestelaanvraag te controleren en indien nodig opnieuw btw aan te rekenen.
Uw btw-gegevens werden niet herkend of waren ongeldig. Uw btw-nummer moet overeenkomen met het land van facturering zoals hierboven aangegeven. Dit wordt momenteel gespecificeerd als . U hoeft het landcode-deel van uw btw-nummer niet in te voeren, omdat dit al is geselecteerd in uw factuuradres hierboven.
De dienst voor het controleren van btw-nummers is momenteel offline. Geef uw btw-gegevens op in het veld opmerkingen of speciale instructies hieronder en wij passen een btw-korting toe na het plaatsen van uw bestelaanvraag.

Past op:
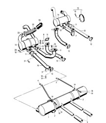
Porsche 356 A Carrera 1.6ltr - 1955 tot 1959
Racebuizenset ter vervanging van de warmtewisselaars (geen verwarmingsfunctie), OE-ontwerp
Gerelateerde referentienummers
Gerelateerde, vervangen, kruisverwijzingen of alternatieve nummers ter vergelijking.
1620101310
Het product dat u bekijkt, verwijst naar deze nummers
- Porsche 356A 1955-59
