

Venduto ciascuno - 6 richiesti per auto

Si adatta:
Porsche 95B Macan S / GTS / turbo 3,0 litri / 3,6 litri - dal 2014 al 2018
Porsche 970.2 Panamera S/4S 3.0 litri V6 - dal 2014 al 2016
Porsche 958 Cayenne 3,6 litri V6 - dal 2010 al 2017
Per i codici motore
95B Macan – marchio comunitario/CTLA/DCNA/DHKA
970.2 Panamera-CWDA/CWFA
958 Caienna - CURA / CXZA
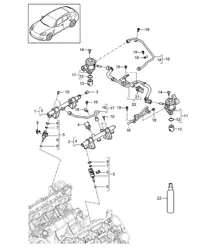
Fare clic su "Zoom avanti" per il diagramma delle parti di grandi dimensioni.
Rif. diagramma n. 8
Numeri di riferimento correlati
Numeri correlati, sostituiti, riferimenti incrociati o alternativi per il confronto.
99970118742
Il prodotto che stai visualizzando fa riferimento a questi numeri
- Porsche 958 Cayenne V6 3.6L Petrol 300Hp 2010-17
- Porsche 970.2 Panamera S V6 Turbo 3.0L 2WD (420Hp) 2014-16
- Porsche 970.2 Panamera S V6 Turbo 3.0L 2WD Executive 2014-16
- Porsche 970.2 Panamera 4S V6 Turbo 3.0L 4WD (420Hp) 2014-16
- Porsche 970.2 Panamera 4S V6 Turbo 3.0L 4WD Executive 2014-16
- Porsche 95B.1 Macan S Petrol 3.0L V6 340Bhp 2014-18
- Porsche 95B.1 Macan GTS Petrol 3.0L V6 360Bhp 2014-18
- Porsche 95B.1 Macan Turbo 3.6L V6 400Bhp 2014-18