OE Match
OE Match è un marchio che fornisce un'ampia gamma di componenti Porsche, dalle guarnizioni all'hardware delle sospensioni, alle parti del motore e ai rivestimenti interni. Oltre 4.000 codici articolo individuali e oltre 8.700 riferimenti incrociati OE catalogati e sviluppo costante di nuove linee.
OE Match ha oltre 100 nuovi prodotti attualmente in fase di progettazione, che saranno controllati dalla qualità e aggiunti al proprio catalogo. La missione è mantenere tutti i veicoli Porsche sulla strada offrendo una vasta selezione di componenti in grado di risolvere vari problemi nelle diverse generazioni Porsche.
Questa rondella del freno a mano è un ricambio costruito secondo le specifiche originali Porsche. Progettata per i modelli Porsche 356 classici, riproduce esattamente le dimensioni e la qualità del componente originale per una perfetta compatibilità.
Adatto a:
Porsche 356 A/540.1 1950-55
Porsche 356 B/C 1950-1965
Porsche 356 Carrera dal 2000 al 1963
Schema rif. n. 7
Questa rondella garantisce la corretta spaziatura e allineamento tra la leva del freno a mano e il gruppo cavo, garantendo un funzionamento fluido e uniforme. Contribuisce a mantenere un fissaggio sicuro, riducendo l'attrito e prevenendo l'usura prematura dei componenti del freno a mano.
Nel tempo, la rondella originale può corrodersi, deformarsi o perdere spessore, causando allentamenti o tensioni irregolari nel meccanismo del freno a mano. Sostituendola con una rondella OE Match si ripristina la corretta geometria e le prestazioni affidabili del sistema frenante.
Numeri di riferimento correlati
Numeri correlati, sostituiti, riferimenti incrociati o alternativi per il confronto.
64424233
Il prodotto che stai visualizzando fa riferimento a questi numeri
- Porsche 356A 1955-59
- Porsche 356B 1959-63
- Porsche 356C 1963-65
Include un fermo e un gancio; sono necessari due set per veicolo. Le viti di montaggio non sono incluse.
Chiusura capote originale per modelli Porsche 356 Speedster, Cabrio e Roadster. Progettata con precisione per abbinarsi alla ferramenta originale, questa resistente chiusura blocca saldamente il tetto in posizione, garantendo una tenuta perfetta, un abitacolo silenzioso e un aspetto autentico. È composta da un gruppo di chiusura e gancio, solitamente due per auto (uno per lato), che si agganciano quando la capote è chiusa.
Adatto a:
Porsche 356 A 1950 - 1959 Speedster
Porsche 356B/356C 1960 - 1965 Roadster
F 86 831 >> 87 825
Schema rif. n. 5
I fermi originali possono usurarsi, corrodersi o perdere la loro perfetta aderenza nel tempo, causando disallineamento della capote, rumore del vento o mancata chiusura. Un fermo difettoso può causare il sollevamento o lo spostamento della capote durante la guida, con il rischio di danni o problemi di sicurezza. L'installazione di un fermo OE-Match di buona qualità ripristina la corretta tensione, funzionalità e tranquillità su strada.
Numeri di riferimento correlati
Numeri correlati, sostituiti, riferimenti incrociati o alternativi per il confronto.
54056189000
Il prodotto che stai visualizzando fa riferimento a questi numeri
- Porsche 356A 1955-59
- Porsche 356B 1959-63
- Porsche 356C 1963-65
Questo serbatoio del liquido lavavetri è progettato per soddisfare gli standard OEM. Rispecchia il design, la vestibilità e la funzionalità di fabbrica, mantenendo un aspetto autentico e prestazioni affidabili del sistema lavavetri.
Adatto a:
Porsche 356 Coupé/Cabrio 1950 - 1955
F 52 908 >>
F 60 707 >>
Schema rif. n. 9
• Contiene e conserva il liquido lavavetri prima che venga pompato attraverso i getti
• Mantiene il fluido contenuto in modo sicuro, prevenendo perdite o evaporazione
• Garantisce che il sistema di lavaggio funzioni in modo affidabile in varie condizioni
Nel tempo, il serbatoio del liquido lavavetri originale può deteriorarsi, creparsi o diventare poroso, causando perdite o fuoriuscite di liquido lavavetri. La sostituzione con una versione OE-Match ripristina la corretta tenuta e garantisce che il sistema lavavetri rimanga affidabile e pulito.
Numeri di riferimento correlati
Numeri correlati, sostituiti, riferimenti incrociati o alternativi per il confronto.
35670513
Il prodotto che stai visualizzando fa riferimento a questi numeri
- Porsche 356 1950-55
Sold as SET OF 4 gasket, this kit provides all the necessary components to seal both sides of the exhaust manifold system.
This gasket set includes four exhaust manifold gaskets:
2x 99611110755/1 - gasket that fits between the exhaust manifold and the cylinder head
2x 99711111300/1 - gasket that fits between the exhaust manifold and catalytic converter
Fits:
Porsche 997.1 Carrera 2005 - 2008 (M96.05 / M97.01)
Diagram ref no 3 and 7
This gasket ensures a gas-tight seal at one of the hottest points in the exhaust system, preventing leaks and maintaining optimal exhaust pressure. It also helps preserve engine efficiency, reduce noise, and prevent exhaust gases or heat from escaping into the engine bay.
Why replacement matters:
• Factory gaskets can deteriorate or warp over time due to extreme heat and pressure cycles
• A worn or damaged gasket may cause exhaust leaks, reduced performance, and loud exhaust noise
• Installing an OE Match replacement restores a secure seal, maintaining proper exhaust flow, back pressure, and long-term reliability.
Numeri di riferimento correlati
Numeri correlati, sostituiti, riferimenti incrociati o alternativi per il confronto.
9971CGSKTSET
Il prodotto che stai visualizzando fa riferimento a questi numeri
- Porsche 997 MK1 Carrera 2 3.6L 2005-08
- Porsche 997 MK1 Carrera 2S 3.8L 2005-08
- Porsche 997 MK1 Carrera 4 3.6L 2005-08
- Porsche 997 MK1 Carrera 4S 3.8L 2005-08
SET DI 2
Questa guarnizione di scarico è realizzata secondo le dimensioni di fabbrica, sigilla perfettamente tra il collettore di scarico e il convertitore catalitico, prevenendo perdite e preservando il flusso regolare e le prestazioni dello scarico.
Adatto a:
Porsche 997 C2 / C4 tutte 2005 - 2008
Porsche Cayman 987C MKI e MKII 2005-2012
Porsche Boxster 987 MKI e MKII 2005-2012
Porsche 982 Boxster GTS 4.0 2017>>
Porsche 982C Cayman GTS 4.0 2017>>
Porsche 982 Spyder 4.0L 2019>>
Porsche 982C GT4 4.0 2019>>
Schema rif. n. 7
Situato tra il collettore/scambiatore di calore e il raccordo del catalizzatore/tubo di scarico sui modelli Porsche che utilizzano i motori M96/M97/M98.
Le guarnizioni originali possono deteriorarsi nel tempo a causa di calore, corrosione e stress meccanico, consentendo la fuoriuscita dei gas di scarico. Le perdite in questa giunzione possono causare rumore, perdita di prestazioni e potenziale esposizione al calore delle parti adiacenti. Una versione OE-Match ripristina la corretta tenuta, previene le perdite e contribuisce a preservare il comportamento di scarico desiderato.
Numeri di riferimento correlati
Numeri correlati, sostituiti, riferimenti incrociati o alternativi per il confronto.
99711111300
Il prodotto che stai visualizzando fa riferimento a questi numeri
- Porsche Boxster 987 2.7L 2005 -08/08
- Porsche Boxster 987 S 3.2/3.4L 2005-08/08
- Porsche Boxster 987 MKII 2.9L 2009-2012
- Porsche Boxster S 987 MKII 3.4L 2009-2012
- Porsche Boxster GTS 718 4.0L Manual (400 Bhp)
- Porsche Boxster GTS 718 4.0L PDK (400 Bhp)
- Porsche Boxster Spyder 718 4.0L (420 Bhp)
- Porsche Boxster 25 Years 718 4.0L Manual (400 Bhp)
- Porsche Boxster 25 Years 718 4.0L PDK (400 Bhp)
- Porsche 997 MK1 Carrera 2 3.6L 2005-08
- Porsche 997 MK1 Carrera 2S 3.8L 2005-08
- Porsche 997 MK1 Carrera 4 3.6L 2005-08
- Porsche 997 MK1 Carrera 4S 3.8L 2005-08
- Porsche Cayman 2.7L 987C 2006-08
- Porsche Cayman S 3.4L 987C 2005-08
- Porsche Cayman 2.9L 987C MKII 2009-12
- Porsche Cayman S / R 3.4L 987C MKII 2009-12
- Porsche Cayman GTS 718 4.0L Manual (400 Bhp)
- Porsche Cayman GTS 718 4.0L PDK (400 Bhp)
- Porsche Cayman GT4 718 4.0L / GT4 RS 718 4.0L
Supporto motore
Mantieni il tuo veicolo sempre in perfetta efficienza con questo supporto motore di alta qualità, progettato per soddisfare gli standard OEM in termini di durata e prestazioni. Il supporto motore (noto anche come supporto motore) svolge un ruolo fondamentale nel supportare il motore e isolare le vibrazioni dal telaio.
Adatto a:
Porsche Boxster 987 MKII 2.9L 2009-2012
Porsche Boxster S987 MKII 3.4L 2009-2012
Porsche Cayman 2.9L 987C MKII 2009-12
Porsche Cayman S/R 3.4L 987C MKII 2009-12
Riferimento diagramma n. 1
Panoramica del prodotto
Questo supporto motore di precisione mantiene saldamente in posizione il motore, assorbendo al contempo vibrazioni e asperità stradali. Realizzato in acciaio di alta qualità e gomma resistente alle vibrazioni o componenti idraulici , garantisce una lunga durata anche in condizioni di guida impegnative.
Caratteristiche e vantaggi principali
Sintomi di un supporto motore usurato o difettoso: se il supporto motore è usurato, potresti notare:
Questi sintomi suggeriscono che è il momento di sostituirlo prima che si verifichino ulteriori danni.
Cause comuni di guasto: i supporti del motore si usurano naturalmente a causa di:
Perché sostituire un supporto motore? - La sostituzione del supporto ripristina stabilità, comfort e sicurezza.
Qualità di cui ti puoi fidare
Tutti i supporti sono realizzati secondo gli standard OEM o superiori , testati per la resistenza alle vibrazioni e coperti dalla nostra garanzia di qualità. Se necessario, sostituisci entrambi i supporti, destro e sinistro, per un supporto bilanciato e la massima longevità.
Numeri di riferimento correlati
Numeri correlati, sostituiti, riferimenti incrociati o alternativi per il confronto.
9A137502322
Il prodotto che stai visualizzando fa riferimento a questi numeri
- Porsche Boxster 987 MKII 2.9L 2009-2012
- Porsche Boxster S 987 MKII 3.4L 2009-2012
- Porsche Cayman 2.9L 987C MKII 2009-12
- Porsche Cayman S / R 3.4L 987C MKII 2009-12
Questo collegamento terminale della barra stabilizzatrice, noto anche come collegamento stabilizzatore, collega la barra antirollio al braccio di controllo delle sospensioni o al fuso a snodo. Trasferisce le forze laterali alla barra, riducendo il rollio della carrozzeria in curva, migliorando la stabilità e mantenendo una maneggevolezza precisa.
SET DI 2, Sinistra e destra.
Adatto a:
Porsche 996 GT2 2000 - 2005
Porsche 996 GT3 MKI 1999-2002
Schema rif. n. 5
• Si monta sulla barra antirollio anteriore, tra la barra e il braccio/fuso a snodo della sospensione.
• Trasmette i carichi laterali dalla carrozzeria alla barra, contribuendo a ridurre il rollio della carrozzeria in curva, migliorando la stabilità e preservando la precisione di guida.
Con il passare del tempo, i tiranti della barra stabilizzatrice possono usurarsi, allentarsi o sviluppare gioco nei giunti, causando rumori metallici, sterzate imprecise, rollio eccessivo o disallineamento. Un tirante difettoso non solo influisce sulla maneggevolezza, ma può anche causare un'usura irregolare degli pneumatici e rumorosità sulle asperità. Sostituendolo, si ripristinano la geometria, la rigidità e la stabilità corrette, restituendo una maneggevolezza precisa e un controllo sicuro e prevedibile.
Numeri di riferimento correlati
Numeri correlati, sostituiti, riferimenti incrociati o alternativi per il confronto.
99634306992
Il prodotto che stai visualizzando fa riferimento a questi numeri
- Porsche 996 GT2 2001-05
- Porsche 996 GT3 MKI 1999-02

Si tratta di un'unità danneggiata, offerta solo per ricambi o per lavori di restauro. Ideale per restauratori, collezionisti o officine alla ricerca di componenti a prezzi ridotti.
NOTA: solo per pezzi di ricambio, riparazioni o sostituzione del nucleo. Non adatto per il montaggio diretto senza riparazione.
Condizione:
Questo deflettore dell'aria è nuovo di zecca e mai montato. Presenta alcuni danni dovuti al trasporto, riparabili.
Prima di procedere all'acquisto, consultare la galleria di immagini.
Adatto a:
- Porsche 911 1970-1973 2.2L / 2.4L / 2.7L RS passo lungo (F)
- Porsche 911 1974-1977 2.7L
- Porsche 911 1975-1977 3.0L Turbo (930)
- Porsche 914 (1970-1976)
Diagramma Rif. n. 13
Numeri di riferimento correlati
Numeri correlati, sostituiti, riferimenti incrociati o alternativi per il confronto.
91110603300
Il prodotto che stai visualizzando fa riferimento a questi numeri
- Porsche 911 1968-1973 2.2L / 2.4L / 2.7L RS LWB (F)
- Porsche 911 1974-1977 2.7L / 1976-77 3.0 Carrera
- Porsche 911 1975-1977 3.0L Turbo (930)
- Porsche 914 (1970-1976)
Aggiorna la tua Porsche 964 con gli ammortizzatori anteriori e posteriori OE-Match. La sostituzione OE-Match ripristina comfort di guida, maneggevolezza e sicurezza con la stessa precisione di montaggio e le stesse prestazioni di fabbrica.
Adatto a:
Porsche 964 3.6L Carrera / 3.6L Carrera 4 12/1988-12/1990
• Ammortizza e controlla le oscillazioni delle molle per mantenere gli pneumatici a contatto con la strada anche su dossi e superfici irregolari.
• Aiuta a stabilizzare il veicolo durante l'accelerazione, la frenata e le curve, resistendo ai movimenti eccessivi delle sospensioni.
• Un ammortizzatore usurato o difettoso può causare scarsa maneggevolezza, sobbalzi della carrozzeria, distanze di arresto più lunghe e usura irregolare degli pneumatici.
• La sostituzione con un'unità OE-Match ripristina le caratteristiche di smorzamento previste da Porsche, migliorando la qualità di guida, il controllo e la sicurezza.
Numeri di riferimento correlati
Numeri correlati, sostituiti, riferimenti incrociati o alternativi per il confronto.
OEMATCH964B6
Il prodotto che stai visualizzando fa riferimento a questi numeri
- Porsche 964 (911) C2 1989-93
- Porsche 964 (911) C4 1989-93
Ammortizzatore posteriore per Porsche 964. La sostituzione OE Match ripristina il comfort di guida, la maneggevolezza e la sicurezza con la corretta vestibilità e le prestazioni di fabbrica.
Adatto a:
Porsche 964 3.6L Carrera / 3.6L Carrera 4 12/1988 - 12/1990
• Ammortizza e controlla le oscillazioni delle molle per mantenere gli pneumatici a contatto con la strada anche su dossi e superfici irregolari.
• Aiuta a stabilizzare il veicolo durante l'accelerazione, la frenata e le curve, resistendo ai movimenti eccessivi delle sospensioni.
• Un ammortizzatore usurato o difettoso può causare scarsa maneggevolezza, sobbalzi della carrozzeria, distanze di arresto più lunghe e usura irregolare degli pneumatici.
• La sostituzione con un'unità OE-Match ripristina le caratteristiche di smorzamento previste da Porsche, migliorando la qualità di guida, il controllo e la sicurezza.
Numeri di riferimento correlati
Numeri correlati, sostituiti, riferimenti incrociati o alternativi per il confronto.
OEMATCH964RR
Il prodotto che stai visualizzando fa riferimento a questi numeri
- Porsche 964 (911) C2 1989-93
- Porsche 964 (911) C4 1989-93
Ammortizzatore posteriore per Porsche 964. La sostituzione OE Match ripristina il comfort di guida, la maneggevolezza e la sicurezza con la corretta vestibilità e le prestazioni di fabbrica.
Adatto a:
Porsche 964 3.6L Carrera / 3.6L Carrera 4 12/1988-12/1990
Notare che:
Il prezzo è per ogni ammortizzatore, dovrai acquistarne 2
• Ammortizza e controlla le oscillazioni delle molle per mantenere gli pneumatici a contatto con la strada anche su dossi e superfici irregolari.
• Aiuta a stabilizzare il veicolo durante l'accelerazione, la frenata e le curve, resistendo ai movimenti eccessivi delle sospensioni.
• Un ammortizzatore usurato o difettoso può causare scarsa maneggevolezza, sobbalzi della carrozzeria, distanze di arresto più lunghe e usura irregolare degli pneumatici.
• La sostituzione con un'unità OE-Match ripristina le caratteristiche di smorzamento previste da Porsche, migliorando la qualità di guida, il controllo e la sicurezza.
Numeri di riferimento correlati
Numeri correlati, sostituiti, riferimenti incrociati o alternativi per il confronto.
96433305700
Il prodotto che stai visualizzando fa riferimento a questi numeri
- Porsche 964 (911) C2 1989-93
- Porsche 964 (911) C4 1989-93
Il sensore misura l'altezza da terra e la posizione del telaio rispetto alle sospensioni, trasmettendo questi dati al modulo di controllo delle sospensioni pneumatiche del veicolo. Ciò consente al sistema di regolare automaticamente la pressione delle molle pneumatiche, mantenendo l'altezza da terra corretta in base al carico e alle condizioni di guida. Di conseguenza, garantisce una maneggevolezza stabile, un comfort di guida costante e un corretto allineamento della carrozzeria in ogni momento.
Adatto a:
Porsche 95B.2 Macan 2019 - 2021
Porsche 95B.3 Macan 2022 >>
Schema rif. n. 13
• Un sensore difettoso o danneggiato può produrre letture di altezza errate, causando una regolazione errata delle sospensioni, con conseguente altezza di marcia irregolare, cedimento o rigidità eccessiva
• Letture errate possono attivare spie di avvertimento o causare un funzionamento irregolare del sistema di aria condizionata, compromettendo il comfort e la maneggevolezza.
• La sostituzione con un nuovo sensore di alta qualità ripristina la precisione del rilevamento dell'altezza, garantendo il corretto funzionamento del sistema di sospensioni pneumatiche.
Numeri di riferimento correlati
Numeri correlati, sostituiti, riferimenti incrociati o alternativi per il confronto.
9A79413
Il prodotto che stai visualizzando fa riferimento a questi numeri
- Porsche 95B.2 Macan Petrol 2.0L 245Bhp 2019-21
- Porsche 95B.2 Macan S Petrol 3.0L V6 354Bhp 2019-21
- Porsche 95B.2 Macan GTS Petrol 2.9L V6 380Bhp 2019-21
- Porsche 95B.2 Macan Turbo 2.9L V6 440Bhp 2019-21
- Porsche 95B.3 Macan Petrol 2.0L 265Bhp 2022>>
- Porsche 95B.3 Macan T Petrol 2.0L 265Bhp 2022>>
- Porsche 95B.3 Macan S Petrol 2.9L V6 380Bhp 2022>>
- Porsche 95B.3 Macan GTS Petrol 2.9L V6 440Bhp 2022>>
Anello di tenuta del tubo di pressione dell'intercooler
L'anello di tenuta del tubo intercooler è un componente essenziale del sistema di turbocompressione del veicolo, in quanto garantisce una connessione ermetica tra i tubi intercooler e i componenti adiacenti. Questo anello di tenuta di alta qualità, conforme alle specifiche OEM, è progettato per resistere a elevate pressioni di sovralimentazione, sbalzi di temperatura ed esposizione ai vapori d'olio, mantenendo l'efficienza e le prestazioni del motore.
Adatto a:
- Porsche 955 Cayenne Turbo 4.5L 2003-06
- Porsche 955 Cayenne Turbo S 4.5L 2006>>
- Porsche 957 Cayenne Turbo / Turbo S 4.8L 2007-10
- Porsche 958 Cayenne GTS V8 4.8L Benzina 400 CV 2010-17
- Porsche 958 Cayenne Turbo V8 4.8L Benzina 500 CV 2010-17
- Porsche 958 Cayenne Turbo S V8 4.8L Benzina 550 CV 2010-17
- Porsche 95B.1 Macan S Benzina 3.0L V6 340Bhp 2014-18
- Porsche 95B.1 Macan GTS Benzina 3.0L V6 360 CV 2014-18
- Porsche 95B.1 Macan Turbo 3.6L V6 400 CV 2014-18
Cosa fa il prodotto
- Garantisce una tenuta sicura e senza perdite tra i tubi dell'intercooler e gli alloggiamenti.
- Mantiene costante la pressione di sovralimentazione del turbo prevenendo le perdite.
- Aiuta il sistema intercooler a fornire aria fredda e densa al motore per migliorare la combustione.
- Riduce il rischio che contaminanti entrino nel sistema di aspirazione .
Sintomi comuni di guasto della guarnizione
Quando l'anello di tenuta del tubo dell'intercooler inizia a usurarsi o a guastarsi, potresti notare:
- Perdita di potenza o scarsa accelerazione a causa di perdite di sovralimentazione.
- Rumori sibilanti o fischi in accelerazione.
- Spia di controllo del motore con codici di errore relativi alla pressione di sovralimentazione.
- Riduzione dell'efficienza del carburante dovuta a una miscela aria-carburante non idonea.
- Fumo eccessivo dallo scarico causato da una combustione non corretta.
- Residui di olio o umidità attorno ai tubi dell'intercooler.
Motivi del fallimento
Queste guarnizioni operano sotto pressione costante, a temperature estreme e sono esposte a nebbia d'olio.
Le cause più comuni di fallimento includono:
- Indurimento del materiale in gomma dovuto all'età .
- Cicli di calore e fluttuazioni di pressione che causano crepe o deformazioni.
- Contaminazione da olio che compromette le proprietà di tenuta.
- Usura dovuta alla frequente rimozione e rimontaggio dei tubi durante la manutenzione.
- Installazione impropria o disallineamento del tubo.
Perché la sostituzione è importante
Un anello di tenuta dell'intercooler difettoso può causare notevoli problemi di prestazioni e affidabilità.
Sostituendolo si garantisce:
- Ripristinata la potenza del motore eliminando le perdite di sovralimentazione.
- Miglioramento del risparmio di carburante e dell'efficienza della combustione.
- Protezione del turbocompressore e del motore da sollecitazioni eccessive causate da perdite.
- Prevenzione di ulteriori e costosi danni a tubi, tubazioni o componenti di aspirazione.
- Affidabilità a lungo termine del sistema di turbocompressione del tuo veicolo.
Numeri di riferimento correlati
Numeri correlati, sostituiti, riferimenti incrociati o alternativi per il confronto.
95511072000
Il prodotto che stai visualizzando fa riferimento a questi numeri
- Porsche 955 Cayenne Turbo 4.5L 2003-06
- Porsche 955 Cayenne Turbo S 4.5L 2006>>
- Porsche 957 Cayenne Turbo / Turbo S 4.8L 2007-10
- Porsche 958 Cayenne GTS V8 4.8L Petrol 400HP 2010-17
- Porsche 958 Cayenne Turbo V8 4.8L Petrol 500HP 2010-17
- Porsche 958 Cayenne Turbo S V8 4.8L Petrol 550HP 2010-17
- Porsche 95B.1 Macan S Petrol 3.0L V6 340Bhp 2014-18
- Porsche 95B.1 Macan GTS Petrol 3.0L V6 360Bhp 2014-18
- Porsche 95B.1 Macan Turbo 3.6L V6 400Bhp 2014-18
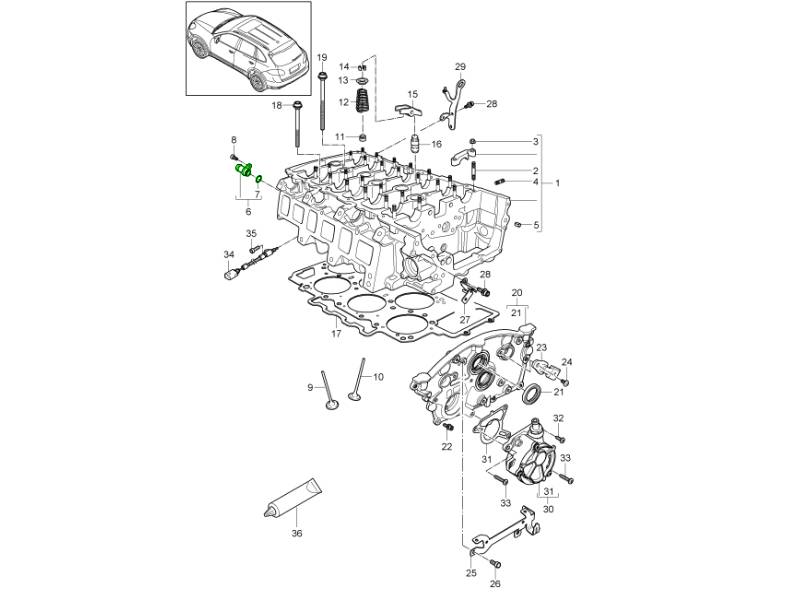
SET DI 4 TUBI.
Questo set OE-Match include il tubo dell'olio non pieghevole (codice articolo 90110735101) e le guarnizioni O-ring corrispondenti (9997071124A) necessari per un'installazione sicura e senza perdite.
Adatto a:
Porsche 911 2.0L 1965 - 1969
Porsche 911 1970 - 1989
Porsche 964 1989 - 1994
Porsche 993 1994 - 1998
Diagramma Rif. n. 36 + 37
Il tubo riporta l'olio nella coppa o nelle gallerie dell'olio, mentre l'O-ring garantisce una tenuta affidabile nella giunzione di accoppiamento per evitare perdite e mantenere l'integrità del sistema.
Sostituisce le tubazioni e le guarnizioni usurate o danneggiate con componenti realizzati secondo le specifiche originali per garantire la corretta vestibilità, funzionalità e durata.
Numeri di riferimento correlati
Numeri correlati, sostituiti, riferimenti incrociati o alternativi per il confronto.
90110735101
Il prodotto che stai visualizzando fa riferimento a questi numeri
- Porsche 911 1965-1968 2.0L / 912 SWB (F)
- Porsche 911 1968-1973 2.2L / 2.4L / 2.7L RS LWB (F)
- Porsche 911 1974-1977 2.7L / 1976-77 3.0 Carrera
- Porsche 911 1978-1983 3.0L / SC
- Porsche 911 1984-1986 3.2L
- Porsche 911 1987-1989 3.2L G50
- Porsche 911 1975-1977 3.0L Turbo (930)
- Porsche 911 1978-1989 3.3L Turbo (930)
- Porsche 964 (911) C2 1989-93
- Porsche 964 (911) C4 1989-93
- Porsche 964 (911) RS 3.6L 1991-93
- Porsche 964 (911) RS 3.8L 1991-93
- Porsche 964 (911) TURBO 3.3L 1991-93
- Porsche 964 (911) TURBO 3.6L 1991-93
- Porsche 993 (911) C2 1994-97
- Porsche 993 (911) C4 1994-97
- Porsche 993 (911) RS 1994-97
- Porsche 993 (911) C2S 1994-97
- Porsche 993 (911) C4S 1994-97
- Porsche 993 (911) TURBO 1994-96
- Porsche 993 (911) GT2 1994-97
- Porsche 993 (911) TURBO S 1994-97
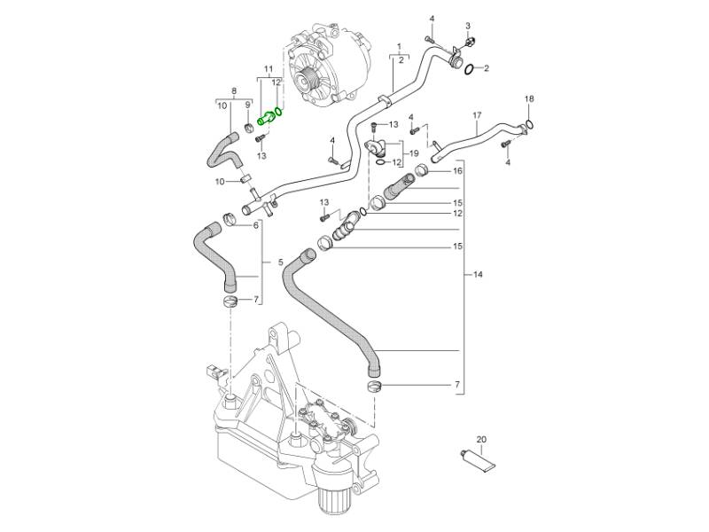
Kit tubo flessibile di sfiato del basamento motore (coperchi argentati)
Il tubo di sfiato del basamento motore è un elemento fondamentale del sistema di ventilazione del basamento (PCV) del veicolo. Il suo ruolo principale è quello di convogliare i gas pressurizzati dal basamento motore alla valvola PCV (chiamata anche separatore aria/olio). La valvola PCV cattura i vapori d'olio nocivi, li convoglia nuovamente nel motore e reindirizza l'aria pulita al sistema di aspirazione per essere bruciata durante la normale combustione.
Senza un tubo di sfiato funzionante correttamente, il motore può presentare problemi di prestazioni, perdite di olio e persino guasti alle emissioni.
Adatto a:
Porsche 957 Cayenne S / GTS 4.8L 2009 - 2010
Perché il tubo di sfiato del basamento del motore è importante
Durante la combustione, i motori producono naturalmente una pressione positiva nel basamento. Questa pressione si combina con il calore e i vapori dell'olio all'interno del basamento. Il tubo di sfiato è progettato per gestire questo flusso e mantenere il sistema PCV efficiente.
Con il tempo, tuttavia, l'esposizione al calore, all'olio e alla pressione rende il tubo di sfiato un punto di rottura comune. Se danneggiato, può causare scarse prestazioni, accensione delle spie del motore e aumento delle emissioni.
Sintomi comuni di un tubo flessibile di sfiato del basamento difettoso
- Crepe, perdite o rotture: con il tempo, i vaporizzatori a olio e a calore degradano la gomma o la plastica, causando perdite d'aria.
- Connettori o clip rotti: la plastica fragile può rompersi durante l'uso o a causa dell'età.
- Danni visibili: i tubi flessibili potrebbero rompersi, ammorbidirsi o indurirsi, creando fori visibili.
- Spia di controllo motore (CEL): l'aria non dosata proveniente da una perdita spesso attiva codici di errore relativi all'aspirazione.
- Mancate accensioni del motore o minimo irregolare: gravi perdite d'aria alterano la miscela aria/carburante, causando mancate accensioni.
Residui o odori di olio: i vaporizzatori fuoriusciti lasciano depositi oleosi sul tubo, sul blocco motore e sui componenti circostanti. Nei casi più gravi, si può avvertire odore di olio bruciato.
Perché non dovresti ignorare un tubo flessibile per l'aria condizionata
Un tubo di sfiato del basamento difettoso compromette le prestazioni del motore, l'efficienza del carburante e la conformità alle normative sulle emissioni. Se non viene riparato, può causare danni permanenti al motore e costose riparazioni.
Se noti uno qualsiasi dei segnali sopra indicati, è importante ispezionare e sostituire il tubo di sfiato del basamento come parte della normale manutenzione del sistema PCV.
Riferimento diagramma n. 13 (Cyl 1-4) o 14 (Cyl 5-8)
NOTA: questo componente è compatibile solo con i modelli 957 Cayenne S/GTS prodotti a partire dall'anno modello 2009. Non è compatibile con i modelli precedenti dotati di AOS argento.
Numeri di riferimento correlati
Numeri correlati, sostituiti, riferimenti incrociati o alternativi per il confronto.
94810723501
Il prodotto che stai visualizzando fa riferimento a questi numeri
- Porsche 957 Cayenne S/GTS 4.8L 2007-10
Engine Crankcase Breather Hose Kit
The engine crankcase breather hose is a key part of your vehicle’s positive crankcase ventilation (PCV) system. Its main role is to route pressurized gases from the engine crankcase to the PCV valve (also called the air/oil separator). The PCV valve captures harmful oil vapers , drains them back into the engine, and redirects the cleaned air to the intake system to be burned during normal combustion.
Without a properly functioning breather hose, your engine can develop performance issues, oil leaks, and even emissions failures.
Fits:
Porsche 957 Cayenne S / GTS 4.8L 2009 - 2010
Why the Engine Crankcase Breather Hose Matters
During combustion, engines naturally produce positive crankcase pressure. This pressure combines with heat and oil vapers inside the crankcase. The breather hose is designed to handle this flow and keep your PCV system working efficiently.
Over time, however, exposure to heat, oil, and pressure makes the breather hose a common failure point. When damaged, it can cause poor performance, check engine lights, and increased emissions.
Common Symptoms of a Failing Crankcase Breather Hose
- Cracks, leaks, or breaks – Heat and oil vapers degrade rubber or plastic over time, leading to air leaks.
- Broken connectors or clips – Brittle plastic can snap during service or due to age.
- Visible damage – Hoses may split, soften, or harden, creating noticeable holes.
- Check Engine Light (CEL) – Unmetered air from a leak often triggers intake-related fault codes.
- Engine misfires or rough idle – Severe air leaks upset the air/fuel mixture, causing misfires.
Oil residue or odour – Escaping vapers leave oily deposits on the hose, engine block, and nearby components. In severe cases, you may smell burning oil.
Why You Shouldn’t Ignore a Bad Breather Hose
A faulty crankcase breather hose affects engine performance, fuel efficiency, and emissions compliance. Left untreated, it can cause long-term engine damage and costly repairs.
If you notice any of the above signs, it’s important to inspect and replace your crankcase breather hose as part of regular PCV system maintenance.
Diagram ref no 13 (Cyl 1-4) or 14 (Cyl 5-8)
NOTE: This part is compatible only with 957 Cayenne S/GTS models produced from the 2009 model year onwards. It is not compatible with earlier models equipped with the silver AOS.
Numeri di riferimento correlati
Numeri correlati, sostituiti, riferimenti incrociati o alternativi per il confronto.
94810723603
Il prodotto che stai visualizzando fa riferimento a questi numeri
- Porsche 957 Cayenne S/GTS 4.8L 2007-10