OE Match
OE Match è un marchio che fornisce un'ampia gamma di componenti Porsche, dalle guarnizioni alla componentistica per sospensioni, dai componenti del motore alle finiture interne. Oltre 6.700 codici articolo e oltre 11.800 riferimenti incrociati OE sono catalogati, e le nuove linee sono in continuo sviluppo.
OE Match ha oltre 100 nuovi prodotti attualmente in fase di progettazione, che saranno sottoposti a controlli di qualità e aggiunti al catalogo. La missione è quella di garantire la continuità operativa di tutti i veicoli Porsche offrendo un'ampia selezione di ricambi in grado di risolvere i problemi più diversi nelle diverse generazioni di Porsche.
Il set di sospensioni pneumatiche anteriori OE-Match (codice OE: 97034305135 + 97034305235) fornisce una coppia di ricambio completa per l'asse anteriore dei veicoli Panamera 970.1 dotati di sospensioni pneumatiche. Questo set include:
1x 97034305135 — Sospensione pneumatica anteriore sinistra OE Match
1x 97034305235 — Sospensione pneumatica anteriore destra OE Match
Adatto a:
Auto con sospensioni pneumatiche
Porsche 970.2 Panamera 2014-2016
Riferimento diagramma n. 1
Ideale per sostituire ammortizzatori ad aria originali che perdono, cedono, sono usurati o sono guasti; ripristinare l'altezza di marcia dopo un crollo; rinnovare le sospensioni su Panamera con molti chilometri o sollevate/cedenti; ripristinare la guida e la maneggevolezza originali dopo la manutenzione delle sospensioni.
Gli ammortizzatori ad aria compressa hanno un compito gravoso: sostengono il peso del veicolo, assorbono gli urti e mantengono l'altezza da terra e l'allineamento. Con il tempo e l'uso, possono perdere la tenuta d'aria (perdite dagli airbag), le prestazioni di smorzamento (usura degli ammortizzatori) o l'integrità strutturale. I sintomi di un ammortizzatore difettoso includono cedimento in curva, andatura irregolare, altezza da terra non uniforme, scarsa maneggevolezza o spie di avvertimento delle sospensioni accese.
La sostituzione dei montanti usurati o danneggiati con l'unità corretta garantisce:
• Altezza di guida e postura sicure e stabili
• Smorzamento fluido e controllato su dossi e sotto carico
• Maneggevolezza bilanciata e controllo del telaio
• Prevenzione dell'ulteriore usura delle sospensioni, dei collegamenti o degli pneumatici.
Quando sostituire:
• Il montante perde aria o non riesce a mantenere l'altezza della sospensione.
• La corsa diventa brusca, saltellante o incostante.
• Sospensioni che toccano il fondo o guida irregolare sui dossi.
• Durante la revisione generale delle sospensioni, dopo un elevato chilometraggio o per ripristinare la qualità di guida originale.
Numeri di riferimento correlati
Numeri correlati, sostituiti, riferimenti incrociati o alternativi per il confronto.
97034305X35
Il prodotto che stai visualizzando fa riferimento a questi numeri
- Porsche 970.2 Panamera V6 3.6L 2WD (310Hp) 2014-16
- Porsche 970.2 Panamera 4 V6 3.6L 4WD (310Hp) 2014-16
- Porsche 970.2 Panamera S V6 Turbo 3.0L 2WD (420Hp) 2014-16
- Porsche 970.2 Panamera S V6 Turbo 3.0L 2WD Executive 2014-16
- Porsche 970.2 Panamera 4S V6 Turbo 3.0L 4WD (420Hp) 2014-16
- Porsche 970.2 Panamera 4S V6 Turbo 3.0L 4WD Executive 2014-16
- Porsche 970.2 Panamera GTS V8 4.8L 4WD (440Hp) 2014-16
- Porsche 970.2 Panamera Turbo V8 4.8L (520Hp) 2014-16
- Porsche 970.2 Panamera Turbo V8 Executive 2014-16
- Porsche 970.2 Panamera Turbo S V8 4.8L 2014-16
- Porsche 970.2 Panamera Diesel V6 3.0L (250Hp) 2014-16
- Porsche 970.2 Panamera S E-Hybrid V6 3.0L (416Hp) 2014-16
Il sensore NOx è un sensore di ossido di azoto progettato per misurare i livelli di NOx nel sistema di scarico dei moderni veicoli Porsche. Montato direttamente nel flusso di scarico, questo sensore fornisce alla centralina elettronica (ECU) dati in tempo reale sulla concentrazione di ossido di azoto, consentendo al sistema di controllo delle emissioni di regolare con precisione la combustione e il post-trattamento.
Adatto a:
- Porsche 958 Cayenne V6 3.0L Diesel 245 CV 2012-18
CVVA / CVVB / CVVC
Diagramma Rif. n. 17
Cosa fa questo prodotto:
- Monitora le emissioni di NOₓ: misura costantemente i livelli di ossido di azoto nei gas di scarico e comunica tali dati alla centralina (ECU) del veicolo.
- Abilita i sistemi di controllo delle emissioni : nei motori diesel (o nei motori a benzina con post-trattamento degli NOₓ), il sensore fornisce un feedback a sistemi quali la riduzione catalitica selettiva (SCR) o il ricircolo dei gas di scarico (EGR), per ridurre l'emissione di NOₓ prima che il gas esca dal tubo di scappamento.
- Aiuta a regolare la combustione e il dosaggio del carburante : fornendo dati sulla composizione dei gas di scarico in tempo reale, la centralina può regolare parametri quali la fasatura dell'iniezione del carburante, il rapporto aria/carburante o il dosaggio SCR (ad esempio l'iniezione di AdBlue) per ottimizzare le prestazioni e la conformità alle emissioni.
- Garantisce la conformità alle emissioni : date le leggi e gli standard ambientali sempre più severi (ad esempio Euro 6 in Europa), un sensore NOx funzionante è essenziale per mantenere le emissioni di NOₓ entro i limiti di legge.
- Sul cruscotto si accende la spia “Controllo motore” o la spia di avvertimento del sistema di emissioni .
- Prestazioni del motore ridotte o passaggio del veicolo in "modalità di emergenza": alcune centraline limitano la potenza del motore quando i dati del sensore di scarico non sono validi.
- Un aumento del consumo di carburante o un basso risparmio di carburante : dati NOₓ errati possono indurre la centralina a gestire male i parametri di combustione.
- Minimo irregolare, esitazione o comportamento instabile del motore , soprattutto in accelerazione o sotto carico, poiché le letture della composizione dei gas di scarico diventano inaffidabili.
- Test sulle emissioni o controllo di conformità legale non superato : l'auto potrebbe non superare l'ispezione se le emissioni di NOₓ superano i livelli consentiti a causa di un rilevamento/controllo difettoso.
- Avvisi R/AdBlue (sui sistemi diesel/SCR) : perché la centralina non riesce a monitorare in modo affidabile l'emissione di NOₓ.
- Mantiene la conformità alle emissioni : garantisce che le emissioni di NOₓ rimangano entro i limiti di legge previsti dalle normative ambientali.
- Mantiene le prestazioni e l'efficienza del motore : il feedback accurato di NOₓ consente un controllo adeguato della combustione, un'efficienza del carburante e una normale risposta dell'acceleratore.
- Protegge l'hardware di post-trattamento dei gas di scarico : i convertitori catalitici, i catalizzatori SCR e i sistemi associati dipendono dal rilevamento accurato di NOₓ; un sensore difettoso può causare un dosaggio improprio o danni.
- Evita costose riparazioni o sanzioni legali : guidare con un sensore NOx guasto può comportare il fallimento del test sulle emissioni o danni più estesi al sistema di emissioni.
Numeri di riferimento correlati
Numeri correlati, sostituiti, riferimenti incrociati o alternativi per il confronto.
PAB907807G
Il prodotto che stai visualizzando fa riferimento a questi numeri
- Porsche 958 Cayenne V6 3.0L Diesel 245HP 2010-17
Il sensore NOx è un componente di controllo delle emissioni progettato per monitorare i livelli di ossido di azoto (NOₓ) nel sistema di scarico del veicolo. Installato nel flusso di scarico, questo sensore fornisce dati in tempo reale alla centralina elettronica (ECU) per regolare la combustione e i sistemi di post-trattamento come i convertitori catalitici o i sistemi SCR/AdBlue.
Adatto a:
- Porsche 958 Cayenne V6 3.0L Diesel 245 CV 2012-18
CNRB
Diagramma Rif. n. 17
Cosa fa questo prodotto:
- Il sensore NOx monitora costantemente i livelli di ossidi di azoto nei gas di scarico. Questi dati vengono inviati alla centralina elettronica (ECU) o al modulo di controllo delle emissioni del veicolo.
- In base ai livelli di NOx, la centralina (o sistema di emissioni) regola i parametri del motore (rapporto aria-carburante, post-trattamento dei gas di scarico, dosaggio DEF/AdBlue nei sistemi diesel/SCR, ecc.) per garantire che le emissioni rimangano entro i limiti legali/ambientali.
- Contribuisce a garantire il rispetto delle normative ambientali e riduce le emissioni nocive dei gas di scarico, in particolare NO e NO₂, che contribuiscono allo smog, alle piogge acide e ai rischi per la salute.
- Supporta il corretto funzionamento di componenti quali i convertitori catalitici o i sistemi SCR (Selective Catalytic Reduction), garantendo che ricevano un feedback accurato per la rimozione degli NOx.
Sintomi di fallimento:
- Sul cruscotto appare la spia di avvertenza motore/guasto emissioni : la centralina rileva segnali anomali o mancanti dal sensore NOx.
- Prestazioni ridotte del motore o "modalità di emergenza" : la centralina potrebbe limitare la potenza del motore o la logica di iniezione potrebbe risentirne, causando una scarsa accelerazione o prestazioni instabili.
- Aumento del consumo di carburante o scarso risparmio di carburante : dati NOx errati possono causare una cattiva gestione della miscela aria/carburante da parte del sistema di gestione del motore.
- Minimo irregolare, mancate accensioni o accelerazione a scatti : la combustione può diventare irregolare se il feedback dello scarico è errato, soprattutto sotto carico o con acceleratore variabile.
- Test di emissioni o di ispezione non superati , oppure eccessivo inquinamento dei gas di scarico : senza un sensore NOx funzionante, il sistema di controllo delle emissioni non riesce a regolare correttamente l'emissione di NOx.
- Potenziali danni ai componenti del post-trattamento dei gas di scarico (ad esempio convertitore catalitico o sistema SCR): letture imprecise di NOx possono portare a un dosaggio o a un trattamento improprio, riducendo la durata dei componenti.
- Conformità alle normative sulle emissioni: per i moderni veicoli diesel (e molti a benzina), è spesso necessario un sensore NOx funzionante per soddisfare gli standard di conformità. Senza di esso, si rischia di non superare i test sulle emissioni.
- Protegge le prestazioni e l'efficienza del motore: un sensore NOx adeguato garantisce alla centralina un feedback accurato sullo scarico, garantendo una combustione corretta, un risparmio di carburante e un'erogazione di potenza stabile.
- Previene ulteriori danni: letture errate di NOx possono portare a un post-trattamento dei gas di scarico non corretto (ad esempio, dosaggio eccessivo o insufficiente di AdBlue o gestione errata del funzionamento del convertitore catalitico), che può danneggiare costosi componenti a valle.
- Responsabilità ambientale: il sensore aiuta a garantire che gli ossidi di azoto nocivi non vengano rilasciati in quantità nocive, riducendo così i danni ambientali e l'impatto sulla qualità dell'aria.
Numeri di riferimento correlati
Numeri correlati, sostituiti, riferimenti incrociati o alternativi per il confronto.
958907807D
Il prodotto che stai visualizzando fa riferimento a questi numeri
- Porsche 958 Cayenne V6 3.0L Diesel 245HP 2010-17
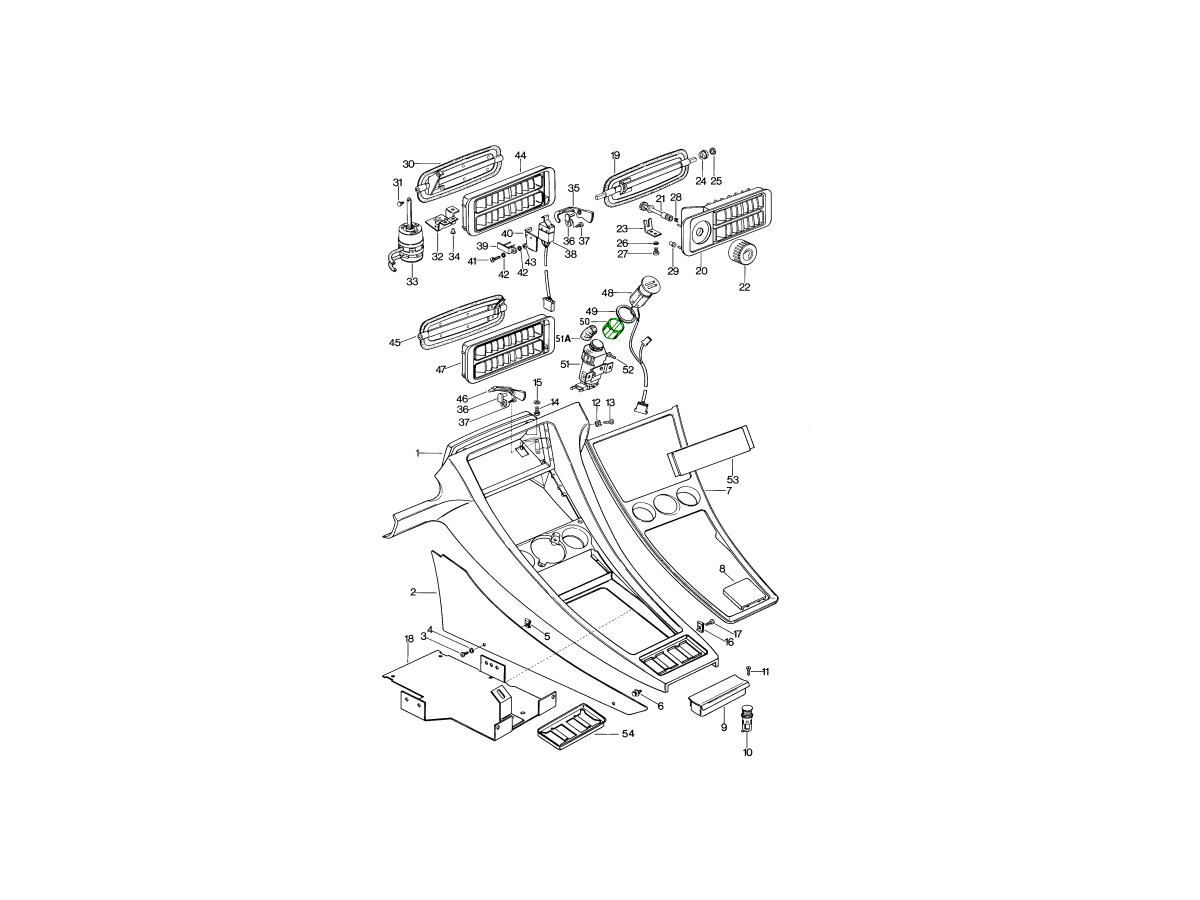
Questo dado di bloccaggio è fondamentale per mantenere la corretta regolazione del gioco tra il bilanciere o il bilanciere a camme e lo stelo della valvola, garantendo prestazioni affidabili del sistema di distribuzione e un corretto comportamento del motore.
Venduti singolarmente.
Adatto a:
Porsche 911 1973 - 1989
Porsche 911 Turbo 1975 - 1989
Porsche 964 C2 / C4 / RS 1989 - 1994
Porsche 964 Turbo 1991 - 1994
Porsche 914 1970 - 1976
Porsche 914/6 1970 - 1972
Schema rif. n. 50
• Posizione sul veicolo: testata del cilindro del motore, nella zona della vite di regolazione della valvola, utilizzata per bloccare il regolatore una volta impostato il gioco.
• Funzione: blocca in posizione la vite di regolazione della valvola, assicura che il gioco corretto rimanga invariato durante il funzionamento del motore, impedisce l'allentamento del regolatore e garantisce l'affidabilità del sistema di distribuzione.
• Specifiche: filettatura M8 × 1, altezza e dimensione della presa corrette, trattate o rivestite per una maggiore durata - sostituzione diretta del pezzo Porsche numero 99903400500.
• Applicazioni: ideale quando il dado originale è danneggiato, il regolatore è allentato, si sta eseguendo un intervento di manutenzione del gioco delle valvole o si necessita di hardware affidabile per la ricostruzione del motore.
Sebbene piccolo, questo dado di bloccaggio svolge un ruolo fondamentale: senza di esso, il regolatore può spostarsi, il gioco valvole può aumentare o diminuire, causando rumorosità, perdita di prestazioni, usura prematura o persino danni al motore. I sintomi di un dado difettoso/non corretto includono l'allentamento della vite di regolazione, rumorosità del sistema di distribuzione, gioco valvole non corretto e minimo o prestazioni scadenti.
Quando sostituire:
• Il dado di bloccaggio del regolatore è mancante, corroso, arrotondato o danneggiato.
• Dopo la regolazione del gioco delle valvole, si desidera un bloccaggio garantito dell'impostazione.
• Durante la revisione del motore o la manutenzione della testata, quando l'hardware del sistema di distribuzione è esposto.
• Sostituire l'hardware originale con nuovo hardware per mantenere l'integrità e l'affidabilità del servizio.
Numeri di riferimento correlati
Numeri correlati, sostituiti, riferimenti incrociati o alternativi per il confronto.
99903400500
Il prodotto che stai visualizzando fa riferimento a questi numeri
- Porsche 911 1974-1977 2.7L / 1976-77 3.0 Carrera
- Porsche 911 1978-1983 3.0L / SC
- Porsche 911 1984-1986 3.2L
- Porsche 911 1987-1989 3.2L G50
- Porsche 911 1975-1977 3.0L Turbo (930)
- Porsche 911 1978-1989 3.3L Turbo (930)
- Porsche 964 (911) C2 1989-93
- Porsche 964 (911) C4 1989-93
- Porsche 964 (911) RS 3.6L 1991-93
- Porsche 964 (911) RS 3.8L 1991-93
- Porsche 964 (911) TURBO 3.3L 1991-93
- Porsche 964 (911) TURBO 3.6L 1991-93
- Porsche 914 (1970-1976)
This set includes two front air suspension struts engineered to directly replace factory units for the Panamera 971 series fitted with air suspension systems. Includes:
1x 971616037N - OE Match front left air strut
1x 971616038N - OE Match front right air strut
Fits:
Porsche 971 Panamera 2016 - 2020
• Position: Front axle – left and right air suspension strut assemblies
• Function: Absorbs road shocks, controls ride height, integrates air spring and damper for consistent ride comfort and handling; supports vehicle’s dynamic suspension management.
• Includes: 1 × left strut (OE ref no 971616037N), 1 × right strut (OE ref no 971616038N)
• Applications: Ideal when either or both front struts show signs of air loss, vehicle sag, front-end ride inconsistency, harsh ride, or as part of a front suspension overhaul/upgrade.
When front air struts fail or degrade, symptoms often include:
• Vehicle front-end sagging or uneven ride height
• Excessive bounce, harsh ride or reduced control over imperfections
• Front axle handling feeling vague, poor body control, or air-suspension warnings
• Uneven tyre wear or compromised alignment due to incorrect ride height.
Replacing both struts simultaneously ensures side-to-side ride and handling symmetry, restores correct front ride height and stabilises the suspension geometry. This not only improves comfort but also protects other suspension components from compensating for worn struts.
When to replace:
• Either front strut shows oil/air leak or audible hiss
• Vehicle sagging, warning message in air-suspension system
• Car of high mileage or track use where performance consistency is important
• During a front suspension service or upgrade to performance air struts
Numeri di riferimento correlati
Numeri correlati, sostituiti, riferimenti incrociati o alternativi per il confronto.
97161603XN
Il prodotto che stai visualizzando fa riferimento a questi numeri
- Porsche 971.1 Panamera V6 3.0L 2WD (330 Hp) 2017-20
- Porsche 971.1 Panamera 4 V6 3.0L 4WD (330 Hp) 2017-20
- Porsche 971.1 Panamera 4 V6 3.0L 4WD Executive 2017-20
- Porsche 971.1 Panamera 4 3.0L Turbocharged V6 Sport Turismo 2017-20
- Porsche 971.1 Panamera 4S V6 3.0L 4WD (440 Hp) 2017-20
- Porsche 971.1 Panamera 4S V6 3.0L 4WD Executive 2017-20
- Porsche 971.1 Panamera 4S 2.9L Twin-Turbo V6 Sport Turismo 2017-20
- Porsche 971.1 Panamera 4S Diesel V8 4.0L 4WD (422 Hp) 2017-18
- Porsche 971.1 Panamera 4S Diesel 4.0L Twin-Turbo V8 Sport Turismo 2017-18
- Porsche 971.1 Panamera 4 E-Hybrid V6 2.9L 4WD 2017-20
- Porsche 971.1 Panamera 4 E-Hybrid V6 2.9L 4WD Executive 2017-20
- Porsche 971.1 Panamera 4 E-Hybrid 2.9L Twin-Turbo V6 Sport Turismo 2017-20
- Porsche 971.1 Panamera Turbo V8 4.0L 4WD (550 Hp) 2017-20
- Porsche 971.1 Panamera Turbo V8 4.0L 4WD Executive 2017-20
- Porsche 971.1 Panamera Turbo 4.0L Twin-Turbo V8 Sport Turismo 2017-20
- Porsche 971.1 Panamera Turbo S E-Hybrid V8 4.0L 4WD 2017-20
- Porsche 971.1 Panamera Turbo S E-Hybrid V8 4.0L 4WD Executive 2017-20
- Porsche 971.2 Panamera 2.9L V6 2021-23
- Porsche 971.2 Panamera 4 2.9L V6 2021-23
- Porsche 971.2 Panamera 4 Sport Turismo 2.9L V6 2021-23
- Porsche 971.2 Panamera 4S 2.9L V6 2021-23
- Porsche 971.2 Panamera 4S Sport Turismo 2.9L V6 2021-23
- Porsche 971.2 Panamera 4 E-Hybrid 2.9L V6 2021-23
- Porsche 971.2 Panamera 4 E-Hybrid Sport Turismo 2.9L V6 2021-23
- Porsche 971.2 Panamera 4S E-Hybrid 2.9L V6 2021-23
- Porsche 971.2 Panamera 4S E-Hybrid Sport Turismo 2.9L V6 2021-23
- Porsche 971.2 Panamera GTS 4.0L V8 2021-23
- Porsche 971.2 Panamera GTS Sport Turismo 4.0L V8 2021-23
- Porsche 971.2 Panamera Turbo S 4.0L V8 2021-23
- Porsche 971.2 Panamera Turbo S Sport Turismo 4.0L V8 2021-23
- Porsche 971.2 Panamera Turbo S E-Hybrid 4.0L V8 2021-23
- Porsche 971.2 Panamera Turbo S E-Hybrid Sport Turismo 4.0L V8 2021-23
L'inserto in gomma (chiamato anche "spoiler-rubber wall" o barriera spoiler posteriore) è progettato per il gruppo spoiler posteriore sui modelli Porsche 911 di generazione 996 e 997. Questo inserto si trova dietro il gruppo spoiler posteriore (nella zona del cofano motore/cofano posteriore) e crea una barriera flessibile tra la struttura dello spoiler e la carrozzeria, contribuendo a proteggere la vernice, ridurre la turbolenza, controllare l'ingresso di detriti e mantenere l'aspetto originale. Si prega di notare che potrebbero essere necessarie anche nuove clip (ordinare 2 pezzi con codice 99959171240).
Adatto a:
Porsche 996 Carrera 1998 - 2005
Porsche 997.1 Carrera 2005-2008
Porsche 997.2 Carrera 2009-2012
Schema rif. n. 5.
• Posizione sul veicolo: Area del ponte posteriore, dietro lo spoiler o sulla superficie di montaggio dello spoiler, tra lo spoiler e il pannello della carrozzeria.
• Funzione: agisce come un giunto sigillato e resistente tra lo spoiler e la carrozzeria, riducendo il rumore, impedendo la penetrazione di acqua e detriti sotto lo spoiler, preservando la finitura del ponte posteriore e supportando il corretto comportamento aerodinamico/di turbolenza.
• Applicazioni: ideale quando l'inserto in gomma dello spoiler originale è mancante, degradato, crepato, indurito o causa rumore del vento, infiltrazioni o deterioramento estetico.
Anche componenti di finitura minori, come questo inserto in gomma, svolgono un ruolo significativo nell'aspetto e nella funzionalità del veicolo. Inserti usurati o mancanti possono causare:
• Rumore del vento, increspatura o vibrazione dietro lo spoiler
• Infiltrazione di acqua o polvere sotto lo spoiler, con rischio di corrosione o danni alla vernice
• Scarso montaggio o spazio non corrispondente tra spoiler e carrozzeria
• Comportamento aerodinamico degradato o turbolenza indesiderata
Numeri di riferimento correlati
Numeri correlati, sostituiti, riferimenti incrociati o alternativi per il confronto.
99651225000
Il prodotto che stai visualizzando fa riferimento a questi numeri
- Porsche 996 C2 3.4L 1997-08/01
- Porsche 996 C4 3.4L 1997-08/01
- Porsche 996 C2 3.6L 09/01-2005
- Porsche 996 C4 3.6L 09/01-2005
- Porsche 996 C4S 3.6L 09/01-2005
- Porsche 997 MK1 Carrera 2 3.6L 2005-08
- Porsche 997 MK1 Carrera 2S 3.8L 2005-08
- Porsche 997 MK1 Carrera 4 3.6L 2005-08
- Porsche 997 MK1 Carrera 4S 3.8L 2005-08
- Porsche 997 MKII Carrera C2 3.6L 2009-12
- Porsche 997 MKII Carrera C4 3.6L 2009-12
- Porsche 997 MKII Carrera C2S 3.8L 2009-12
- Porsche 997 MKII Carrera C4S 3.8L 2009-12
• Paraurti anteriore – Soffietto tubolare antiurto sinistro OE Match (rif. OE: 91179950513)
• Paraurti anteriore – Soffietto tubolare antiurto OE Match DESTRO (rif. OE: 91179950514)
• Paraurti posteriore – Soffietto tubolare antiurto sinistro OE Match (rif. OE: 91179950515)
• Paraurti posteriore – Soffietto tubolare antiurto OE Match DESTRO (rif. OE: 91179950516)
Ogni soffietto è realizzato secondo le specifiche Porsche originali: profilo ondulato corretto, mescola di gomma, fori di montaggio precisi e dimensioni corrette per l'alloggiamento del tubo d'impatto. Questi soffietti sono posizionati tra il tubo del paraurti e il supporto del telaio (anteriore e posteriore) sui modelli 911/930 con paraurti antiurto (costruiti tra il 1974 e il 1989), sigillando e ammortizzando il gruppo paraurti ad assorbimento d'energia, garantendo al contempo il corretto aspetto estetico quando i tubi d'impatto vengono rimossi o sostituiti.
Adatto a:
Porsche 911 1974 - 1989
Porsche 930 1976 - 1989
Schema rif. n. 42 (paraurti anteriore) e 14 (paraurti posteriore)
Realizzati in gomma di alta qualità con la giusta durezza e un composto resistente all'invecchiamento, i soffietti ripristinano il corretto montaggio, eliminano sbattimenti o cedimenti, mantengono il corretto allineamento del tubo del paraurti e preservano l'aspetto di fabbrica dei primi modelli "serie G" 911/930.
• Funzione: questi soffietti servono ad ammortizzare e sigillare i tubi d'impatto del paraurti, a proteggere la zona di montaggio del telaio dai detriti stradali e dall'ingresso di acqua, a fornire una corretta geometria di montaggio e a ripristinare il comportamento originale di gioco/flessione del sistema del paraurti.
Anche se i soffietti possono sembrare semplici parti in gomma, svolgono un ruolo fondamentale:
• I soffietti usurati o piegati possono causare tubi del paraurti allentati o disallineati, che potrebbero danneggiare la vernice o la finitura in gomma attorno al montaggio.
• Soffietti mancanti o deteriorati consentono a sporcizia, acqua e detriti di entrare nell'alloggiamento del tubo d'impatto, accelerando la corrosione e riducendo l'integrità strutturale.
• Guarnizioni errate o assenti possono causare fessure visibili, scarso allineamento del paraurti e riduzione delle prestazioni di assorbimento degli urti.
Sostituendo tutti e quattro contemporaneamente si garantisce un comportamento simmetrico del paraurti, si ripristina il corretto montaggio anteriore e posteriore e si preserva il valore e l'originalità della vostra 911 o 930 serie G.
Quando sostituire:
• I soffietti originali appaiono screpolati, induriti, cedevoli o deformati.
• Stai sostituendo i tubi del paraurti, verniciando la carrozzeria o restaurando le sezioni anteriore/posteriore.
• Il veicolo è in preparazione per esposizione, vendita o concorso e necessita di componenti in gomma corretti.
• Si riscontra un paraurti allentato, infiltrazioni d'acqua nella zona di montaggio o un deterioramento visibile della gomma.
Numeri di riferimento correlati
Numeri correlati, sostituiti, riferimenti incrociati o alternativi per il confronto.
BUMPERBELLOWSET
Il prodotto che stai visualizzando fa riferimento a questi numeri
- Porsche 911 1974-1977 2.7L / 1976-77 3.0 Carrera
- Porsche 911 1978-1983 3.0L / SC
- Porsche 911 1984-1986 3.2L
- Porsche 911 1987-1989 3.2L G50
- Porsche 911 1975-1977 3.0L Turbo (930)
- Porsche 911 1978-1989 3.3L Turbo (930)
Il kit include
2 x Ammortizzatore cofano anteriore. Rif. n. 9 1151133100
4 x clip di sicurezza per pinza freno. Rif. n. 90135195510
4 x Perno girevole dell'ammortizzatore. Rif. n. 90008701102

Adatto a:
Porsche 911 1965-1968 2.0L / 912 SWB (F)
Porsche 911 1968-1973 2.2L / 2.4L / 2.7L RS passo lungo (F)
Porsche 911 1974-1977 2.7L / 1976-77 3.0 Carrera
Porsche 911 1978-1983 3.0L/SC
Segnali che indicano che il supporto del cofano non funziona
- Il cofano sembra più pesante o non rimane più aperto come prima, spesso a causa di perdite di gas interne.
- Perdite visibili di grasso o olio dai supporti del sollevatore.
- Scricchiolii, cigolii o rumori di sgocciolamento quando si solleva il cofano o il bagagliaio.
- Il cofano o il bagagliaio non restano più aperti da soli dopo il sollevamento.
Numeri di riferimento correlati
Numeri correlati, sostituiti, riferimenti incrociati o alternativi per il confronto.
91151133100
Il prodotto che stai visualizzando fa riferimento a questi numeri
- Porsche 911 1965-1968 2.0L / 912 SWB (F)
- Porsche 911 1968-1973 2.2L / 2.4L / 2.7L RS LWB (F)
- Porsche 911 1974-1977 2.7L / 1976-77 3.0 Carrera
- Porsche 911 1978-1983 3.0L / SC
L'albero motore di dimensioni standard (STD) è un componente rotante fondamentale per i modelli Porsche 996 Carrera e 997.1 Carrera / Carrera S dotati di motori M96/M97
Adatto a:
- Porsche 996 C2 3.6L 09/01-2005 (codice motore M9603)
- Porsche 996 C4 3.6L 09/01-2005 (codice motore M9603)
- Porsche 996 C4S 3.6L 09/01-2005 (codice motore M9603)
- Porsche 997 MK1 Carrera 2 3.6L 2005-08 (codice motore M9605)
- Porsche 997 MK1 Carrera 2S 3.8L 2005-08 (codice motore M9701)
- Porsche 997 MK1 Carrera 4 3.6L 2005-08 (codice motore M9605)
- Porsche 997 MK1 Carrera 4S 3.8L 2005-08 (codice motore M9701)
Progettato per mantenere le dimensioni originali del perno e garantire una rotazione bilanciata e affidabile, questo albero motore garantisce il corretto gioco dei cuscinetti, una lubrificazione stabile e un'erogazione di potenza fluida, essenziali sia per la guida quotidiana che per l'uso sportivo.
Che si tratti di restaurare un motore ad alto chilometraggio, riparare danni alla parte inferiore o effettuare una ricostruzione completa del gruppo propulsore, questo albero motore di precisione è fondamentale per ottenere affidabilità a lungo termine e autentiche prestazioni Porsche.
Cosa fa l'albero motore
Questo albero motore svolge molteplici funzioni chiave nel cuore del motore boxer Porsche:
- Trasforma il movimento del pistone in una coppia rotazionale fluida e controllata
- Mantiene le dimensioni esatte del perno per un corretto gioco dell'olio e supporto del cuscinetto
- Fornisce una rotazione bilanciata su tutta la gamma di giri del motore
- Supporta una lubrificazione costante attraverso gallerie di olio di precisione
- Garantisce un funzionamento stabile e duraturo della parte inferiore sotto carichi elevati
- Costituisce il nucleo strutturale dell'assieme rotante M96/M97
Un albero motore correttamente dimensionato e bilanciato è essenziale per la salute del motore, la costanza della potenza e le prestazioni a lungo termine.
Perché gli alberi motore Porsche possono guastarsi
Sebbene i motori Porsche M96/M97 siano noti per le loro prestazioni, alcune condizioni possono causare l'usura prematura o il guasto dell'albero motore. Tra le cause più comuni figurano:
- La carenza di olio provoca il battito dei cuscinetti e la rigatura dei perni
- Fatica dovuta a elevato chilometraggio che causa crepe o perni fuori rotondità
- Cuscinetti usurati o guasti che danneggiano le superfici dell'albero motore
- Lubrificazione contaminata che accelera l'usura dei perni critici
- Surriscaldamento che compromette la resistenza dell'albero motore
- Squilibrio dovuto a lavorazioni precedenti o a lavori di ricostruzione impropri
- Vibrazione armonica intensificata da componenti usurati del volano o della puleggia
I sintomi spesso includono bassa pressione dell'olio, rumori di battito, detriti metallici nei filtri dell'olio, vibrazioni del motore o difficoltà a mantenere un regime di giri costante.
Perché dovresti sostituire un albero motore usurato
La sostituzione di un albero motore danneggiato con un ricambio di precisione, di dimensioni standard e progettato per adattarsi alle caratteristiche prestazionali Porsche, ripristina l'affidabilità e la durata richieste al motore M96/M97.
I principali vantaggi includono:
- Ripristinata la precisione del perno e corretto gioco dei cuscinetti
- Miglioramento della lubrificazione e della stabilità della pressione dell'olio
- Rotazione fluida ed equilibrata su tutti i regimi
- Prevenzione dei principali guasti di fondo
- Maggiore affidabilità per la guida su strada e ad alte prestazioni
- Maggiore durata di bielle, pistoni, cuscinetti e componenti correlati
Per i proprietari di modelli 996 e 997.1, un albero motore di dimensioni standard corrette è fondamentale per una ricostruzione del motore efficace e duratura.
Numeri di riferimento correlati
Numeri correlati, sostituiti, riferimenti incrociati o alternativi per il confronto.
99610201204
Il prodotto che stai visualizzando fa riferimento a questi numeri
- Porsche 996 C2 3.6L 09/01-2005
- Porsche 996 C4 3.6L 09/01-2005
- Porsche 996 C4S 3.6L 09/01-2005
- Porsche 997 MK1 Carrera 2 3.6L 2005-08
- Porsche 997 MK1 Carrera 2S 3.8L 2005-08
- Porsche 997 MK1 Carrera 4 3.6L 2005-08
- Porsche 997 MK1 Carrera 4S 3.8L 2005-08
L'usura prematura può verificarsi anche quando altri componenti, come le boccole del differenziale o le parti delle sospensioni, sono usurati o quando il veicolo viene guidato frequentemente su strade dissestate o utilizzato per il trasporto fuoristrada.

Adatto a:
Porsche 95B Macan 2015-2018
Porsche Macan II 2019>>
Kit boccole del sottotelaio OE Match
OE Match ha progettato questo kit utilizzando boccole del telaio ausiliario e componenti di montaggio aftermarket di alta qualità per fornire una riparazione completa e mirata. Questo kit è progettato per ripristinare la corretta maneggevolezza, stabilità e prestazioni di guida complessive della tua Porsche Macan.
Diagramma rif. n. 2 e 3
Numeri di riferimento correlati
Numeri correlati, sostituiti, riferimenti incrociati o alternativi per il confronto.
95B505145
Il prodotto che stai visualizzando fa riferimento a questi numeri
- Porsche 95B.1 Macan Petrol 2.0L 237Bhp 2014-18
- Porsche 95B.1 Macan S Petrol 3.0L V6 340Bhp 2014-18
- Porsche 95B.1 Macan S Diesel 3.0L V6 258Bhp 2014-18
- Porsche 95B.1 Macan GTS Petrol 3.0L V6 360Bhp 2014-18
- Porsche 95B.1 Macan Turbo 3.6L V6 400Bhp 2014-18
- Porsche 95B.2 Macan Petrol 2.0L 245Bhp 2019-21
- Porsche 95B.2 Macan S Petrol 3.0L V6 354Bhp 2019-21
- Porsche 95B.2 Macan GTS Petrol 2.9L V6 380Bhp 2019-21
- Porsche 95B.2 Macan Turbo 2.9L V6 440Bhp 2019-21
Albero motore di dimensioni standard (STD)
L' albero motore di dimensioni standard (STD) è un componente rotante essenziale per i primi modelli Porsche raffreddati ad aria .
Adatto a:
Questi motori boxer a sei cilindri raffreddati ad aria di prima generazione si affidano in larga misura alla resistenza, all'equilibrio e alla precisione dell'albero motore per garantire le prestazioni fluide e brillanti che hanno reso leggendaria la classica 911.
Che si tratti di un restauro fedele all'originale o di una ricostruzione completa della parte inferiore, questo albero motore garantisce il corretto gioco dei cuscinetti, una rotazione fluida e l'affidabilità necessaria per supportare sia i motori Porsche aspirati che quelli turbocompressi dei primi tempi.
Cosa fa l'albero motore
Questo albero motore svolge un ruolo centrale nel funzionamento del motore poiché:
- Trasformare il movimento del pistone in coppia rotazionale per azionare la trasmissione
- Mantenimento delle dimensioni esatte del perno per un corretto supporto del film d'olio e del cuscinetto
- Garantire una rotazione bilanciata nell'intera gamma di giri al minuto
- Supporto per una lubrificazione affidabile tramite gallerie di olio di precisione
- Gestione di carichi elevati e stress termici tipici dei motori ad alte prestazioni raffreddati ad aria
- Fornisce una stabilità affidabile nella parte inferiore sia per configurazioni aspirate che turbocompresse
Senza un albero motore correttamente dimensionato e bilanciato, il motore non può funzionare in modo fluido o affidabile.
Perché gli alberi motore possono guastarsi
Sebbene gli alberi motore raffreddati ad aria Porsche siano rinomati per la loro durata, l'età, le prestazioni, l'usura e i problemi di lubrificazione possono causarne il guasto. Le cause più comuni includono:
- La carenza di olio provoca danni ai cuscinetti e rigature sui perni
- Contaminazione nel sistema dell'olio che porta a usura abrasiva
- Affaticamento da elevato chilometraggio che provoca crepe da stress o condizioni di perno fuori rotondità
- Surriscaldamento che riduce la resistenza metallurgica
- Lavorazione non corretta o squilibrio dovuto a ricostruzioni passate
- Detonazione o preaccensione che sottopongono i perni a un carico eccessivo
- Corrosione dovuta a lungo stoccaggio o infiltrazione di umidità
I sintomi possono includere bassa pressione dell'olio, vibrazioni, rumore dei cuscinetti, detriti metallici nell'olio o eccessivo gioco assiale dell'albero motore.
Perché dovresti sostituire un albero motore usurato o danneggiato
L'installazione di un albero motore di dimensioni standard, nuovo o progettato con precisione, che rispetti le tolleranze originali Porsche, costituisce la base per una ricostruzione del motore affidabile e duratura.
I vantaggi includono:
- Gioco dei cuscinetti ripristinato e lubrificazione corretta
- Equilibrio rotazionale fluido e vibrazioni del motore ridotte
- Maggiore affidabilità sia per i motori standard che per quelli turbocompressi
- Protezione contro guasti catastrofici di fondo scala
- Maggiore durata di vita per bielle, cuscinetti e pistoni
- Prestazioni costanti in ambienti raffreddati ad aria ad alta temperatura
Nei primi modelli Porsche raffreddati ad aria, l'albero motore è uno dei componenti più critici che determinano il successo e la durata di qualsiasi ricostruzione del motore.
Numeri di riferimento correlati
Numeri correlati, sostituiti, riferimenti incrociati o alternativi per il confronto.
90110201101
Il prodotto che stai visualizzando fa riferimento a questi numeri
- Porsche 911 1965-1968 2.0L / 912 SWB (F)
- Porsche 911 1968-1973 2.2L / 2.4L / 2.7L RS LWB (F)
- Porsche 914 (1970-1976)
Albero motore di dimensioni standard (STD)
L' albero motore di dimensioni standard (STD) è un componente rotante essenziale per i primi modelli Porsche raffreddati ad aria .
Adatto a:
- Porsche 911 1972-1973 2.4L / 2.7L RS passo lungo (F)
- Porsche 911 1974-1977 2.7L / 1976-77 3.0 Carrera
- Porsche 911 1975-1977 3.0L Turbo (930)
Progettato per mantenere le dimensioni originali del perno e garantire un'integrità strutturale duratura, questo albero motore garantisce la precisione, l'equilibrio e la resistenza richiesti dai classici motori boxer a sei cilindri.
Che si tratti di un restauro fedele all'originale o di una ricostruzione completa della parte inferiore, questo albero motore garantisce il corretto gioco dei cuscinetti, una rotazione fluida e l'affidabilità necessaria per supportare sia i motori Porsche aspirati che quelli turbocompressi dei primi tempi.
Cosa fa l'albero motore
Questo albero motore svolge un ruolo centrale nel funzionamento del motore poiché:
- Trasformare il movimento del pistone in coppia rotazionale per azionare la trasmissione
- Mantenimento delle dimensioni esatte del perno per un corretto supporto del film d'olio e del cuscinetto
- Garantire una rotazione bilanciata nell'intera gamma di giri al minuto
- Supporto per una lubrificazione affidabile tramite gallerie di olio di precisione
- Gestione di carichi elevati e stress termici tipici dei motori ad alte prestazioni raffreddati ad aria
- Fornisce una stabilità affidabile nella parte inferiore sia per configurazioni aspirate che turbocompresse
Senza un albero motore correttamente dimensionato e bilanciato, il motore non può funzionare in modo fluido o affidabile.
Perché gli alberi motore possono guastarsi
Sebbene gli alberi motore raffreddati ad aria Porsche siano rinomati per la loro durata, l'età, le prestazioni, l'usura e i problemi di lubrificazione possono causarne il guasto. Le cause più comuni includono:
- La carenza di olio provoca danni ai cuscinetti e rigature sui perni
- Contaminazione nel sistema dell'olio che porta a usura abrasiva
- Affaticamento da elevato chilometraggio che provoca crepe da stress o condizioni di perno fuori rotondità
- Surriscaldamento che riduce la resistenza metallurgica
- Lavorazione non corretta o squilibrio dovuto a ricostruzioni passate
- Detonazione o preaccensione che sottopongono i perni a un carico eccessivo
- Corrosione dovuta a lungo stoccaggio o infiltrazione di umidità
I sintomi possono includere bassa pressione dell'olio, vibrazioni, rumore dei cuscinetti, detriti metallici nell'olio o eccessivo gioco assiale dell'albero motore.
Perché dovresti sostituire un albero motore usurato o danneggiato
L'installazione di un albero motore di dimensioni standard, nuovo o progettato con precisione, che rispetti le tolleranze originali Porsche, costituisce la base per una ricostruzione del motore affidabile e duratura.
I vantaggi includono:
- Gioco dei cuscinetti ripristinato e lubrificazione corretta
- Equilibrio rotazionale fluido e vibrazioni del motore ridotte
- Maggiore affidabilità sia per i motori standard che per quelli turbocompressi
- Protezione contro guasti catastrofici di fondo scala
- Maggiore durata di vita per bielle, cuscinetti e pistoni
- Prestazioni costanti in ambienti raffreddati ad aria ad alta temperatura
Per i classici di valore come la Porsche 911 del 1972-77 e i primi modelli 930 Turbo, un albero motore STD corretto è essenziale per preservare prestazioni e longevità.
Numeri di riferimento correlati
Numeri correlati, sostituiti, riferimenti incrociati o alternativi per il confronto.
91610201600
Il prodotto che stai visualizzando fa riferimento a questi numeri
- Porsche 911 1968-1973 2.2L / 2.4L / 2.7L RS LWB (F)
- Porsche 911 1974-1977 2.7L / 1976-77 3.0 Carrera
- Porsche 911 1975-1977 3.0L Turbo (930)
Albero motore standard (STD)
L'albero motore di dimensioni standard (STD) è un componente rotante fondamentale per la classica Porsche 911 SC (3,0 litri).
Adatto a:
Progettato per soddisfare le specifiche di costruzione originali, questo albero motore garantisce dimensioni corrette dei perni, rotazione fluida e lunga durata all'interno del rinomato motore boxer a sei cilindri raffreddato ad aria. Che si tratti di restaurare una classica 911 SC o di ricostruire un motore con un elevato chilometraggio, questo albero motore lavorato con precisione svolge un ruolo fondamentale nel mantenere le autentiche prestazioni Porsche.
Progettato per mantenere le dimensioni originali del perno e garantire una resistenza eccezionale, questo albero motore svolge un ruolo fondamentale nel preservare la fluidità, l'affidabilità e le prestazioni attese da questi motori boxer a sei cilindri di alto valore.
Che si tratti di un restauro classico, di un aggiornamento della parte inferiore o di una ricostruzione completa delle prestazioni, questo albero motore è essenziale per garantire il corretto gioco dei cuscinetti, una lubrificazione ottimale e l'integrità del motore a lungo termine.
Cosa fa l'albero motore
Questo albero motore è responsabile delle funzioni chiave del motore, tra cui:
- Conversione del movimento del pistone in coppia rotazionale che aziona la trasmissione
- Mantenere diametri dei perni precisi per supportare una corretta lubrificazione dei cuscinetti
- Garantisce una rotazione fluida e bilanciata su tutta la gamma di giri del motore
- Distribuzione dell'olio internamente attraverso gallerie di lubrificazione lavorate con precisione
- Supporta carichi turbocompressi con un design robusto e durevole del braccio di manovella e del perno
- Formazione della base del gruppo rotante inferiore
Un albero motore di dimensioni standard corrette è fondamentale per l'affidabilità e le prestazioni a lungo termine di qualsiasi motore boxer Porsche raffreddato ad aria.
Perché gli alberi motore possono guastarsi
Sebbene Porsche abbia progettato questi alberi motore per garantire la massima durata, decenni di utilizzo e guida sportiva possono causare usura o danni. Le cause più comuni di guasto includono:
- La carenza di olio provoca rigature del perno o guasti dei cuscinetti
- Affaticamento del metallo dovuto all'uso di regimi elevati, pressione di sovralimentazione o detonazione
- Contaminazione nella fornitura di petrolio che causa usura abrasiva
- Surriscaldamento che indebolisce la struttura molecolare dell'albero motore
- Lavorazioni meccaniche errate derivanti da ricostruzioni passate che creano squilibri o tolleranze non corrispondenti
- Eventi di forte detonazione che piegano o rompono l'albero motore
- L'usura ad alto chilometraggio riduce la rotondità del perno e il gioco dei cuscinetti
I sintomi di guasti all'albero motore includono bassa pressione dell'olio, colpi metallici, vibrazioni, detriti dei cuscinetti nell'olio e rotazione irregolare durante lo smontaggio.
Perché dovresti sostituire un albero motore danneggiato o usurato
L'installazione di un albero motore di dimensioni standard, nuovo o costruito con precisione, progettato per rispettare le tolleranze prestazionali originali Porsche, garantisce una ricostruzione del motore robusta, bilanciata e affidabile.
I principali vantaggi includono:
- Giochi dei cuscinetti ripristinati e pressione dell'olio stabile
- Rotazione del motore fluida ed equilibrata a tutti i regimi
- Vibrazioni ridotte e migliore erogazione di potenza
- Maggiore affidabilità sotto carichi turbocompressi
- Prevenzione di gravi guasti di fondo
- Aumento della durata di pistoni, bielle e cuscinetti
- Garanzia della geometria corretta per un utilizzo ad alte prestazioni
Per la ricostruzione di una Porsche 911 SC, la scelta dell'albero motore STD corretto è uno dei passaggi più importanti per ottenere un motore affidabile e duraturo.
Numeri di riferimento correlati
Numeri correlati, sostituiti, riferimenti incrociati o alternativi per il confronto.
93010201508
Il prodotto che stai visualizzando fa riferimento a questi numeri
- Porsche 911 1978-1983 3.0L / SC
Albero motore standard (STD)
Questo albero motore di dimensioni standard (STD) è un componente di montaggio rotante di precisione utilizzato in diversi iconici motori Porsche raffreddati ad aria.
Adatto a:
- Porsche 911 1984-1986 3.2L
- Porsche 911 1987-1989 3.2L G50
- Porsche 911 1984 -1989 3.3L Turbo (930)
- Porsche 964 (911) TURBO 3.3L 1991-93
Riferimento diagramma n. 1
Progettato per mantenere le dimensioni originali del perno e garantire una resistenza eccezionale, questo albero motore svolge un ruolo fondamentale nel preservare la fluidità, l'affidabilità e le prestazioni attese da questi motori boxer a sei cilindri di alto valore.
Che si tratti di un restauro classico, di un aggiornamento della parte inferiore o di una ricostruzione completa delle prestazioni, questo albero motore è essenziale per garantire il corretto gioco dei cuscinetti, una lubrificazione ottimale e l'integrità del motore a lungo termine.
Cosa fa l'albero motore
Questo albero motore è responsabile delle funzioni chiave del motore, tra cui:
- Conversione del movimento del pistone in coppia rotazionale che aziona la trasmissione
- Mantenere diametri dei perni precisi per supportare una corretta lubrificazione dei cuscinetti
- Garantisce una rotazione fluida e bilanciata su tutta la gamma di giri del motore
- Distribuzione dell'olio internamente attraverso gallerie di lubrificazione lavorate con precisione
- Supporta carichi turbocompressi con un design robusto e durevole del braccio di manovella e del perno
- Formazione della base del gruppo rotante inferiore
Un albero motore di dimensioni standard corrette è fondamentale per l'affidabilità e le prestazioni a lungo termine di qualsiasi motore boxer Porsche raffreddato ad aria.
Perché gli alberi motore possono guastarsi
Sebbene Porsche abbia progettato questi alberi motore per garantire la massima durata, decenni di utilizzo e guida sportiva possono causare usura o danni. Le cause più comuni di guasto includono:
- La carenza di olio provoca rigature del perno o guasti dei cuscinetti
- Affaticamento del metallo dovuto all'uso di regimi elevati, pressione di sovralimentazione o detonazione
- Contaminazione nella fornitura di petrolio che causa usura abrasiva
- Surriscaldamento che indebolisce la struttura molecolare dell'albero motore
- Lavorazioni meccaniche errate derivanti da ricostruzioni passate che creano squilibri o tolleranze non corrispondenti
- Eventi di forte detonazione che piegano o rompono l'albero motore
- L'usura ad alto chilometraggio riduce la rotondità del perno e il gioco dei cuscinetti
I sintomi di guasti all'albero motore includono bassa pressione dell'olio, colpi metallici, vibrazioni, detriti dei cuscinetti nell'olio e rotazione irregolare durante lo smontaggio.
Perché dovresti sostituire un albero motore danneggiato o usurato
L'installazione di un albero motore di dimensioni standard, nuovo o costruito con precisione, progettato per rispettare le tolleranze prestazionali originali Porsche, garantisce una ricostruzione del motore robusta, bilanciata e affidabile.
I principali vantaggi includono:
- Giochi dei cuscinetti ripristinati e pressione dell'olio stabile
- Rotazione del motore fluida ed equilibrata a tutti i regimi
- Vibrazioni ridotte e migliore erogazione di potenza
- Maggiore affidabilità sotto carichi turbocompressi
- Prevenzione di gravi guasti di fondo
- Aumento della durata di pistoni, bielle e cuscinetti
- Garanzia della geometria corretta per un utilizzo ad alte prestazioni
Per i modelli Porsche di alto valore, come la 911 Carrera 3.2 e le varianti Turbo, un albero motore STD corretto e di alta qualità è uno degli investimenti più importanti in qualsiasi ricostruzione.
Numeri di riferimento correlati
Numeri correlati, sostituiti, riferimenti incrociati o alternativi per il confronto.
93010201409
Il prodotto che stai visualizzando fa riferimento a questi numeri
- Porsche 911 1984-1986 3.2L
- Porsche 911 1987-1989 3.2L G50
- Porsche 911 1978-1989 3.3L Turbo (930)
- Porsche 964 (911) TURBO 3.3L 1991-93
The shock mount plays a key role in keeping your ride smooth and quiet. It absorbs road noise and vibration while securely holding the shock in place. Over time, shock mounts naturally wear out, which can lead to clunking sounds, vibration, or reduced ride comfort.
For best results, we recommend replacing the shock mounts whenever you install new shocks to prevent premature wear. This kit includes everything you need to replace both faulty shock mounts and restore proper suspension performance.

Fits:
For cars with Suspension/dampers, standard (I1BA)
Porsche 95B Macan 2014-18
Porsche Macan II 2019>>
Click 'Zoom in' for large parts diagram.
Diagram ref no 8
Numeri di riferimento correlati
Numeri correlati, sostituiti, riferimenti incrociati o alternativi per il confronto.
8K0513353E
Il prodotto che stai visualizzando fa riferimento a questi numeri
- Porsche 95B.1 Macan Petrol 2.0L 237Bhp 2014-18
- Porsche 95B.1 Macan S Petrol 3.0L V6 340Bhp 2014-18
- Porsche 95B.1 Macan S Diesel 3.0L V6 258Bhp 2014-18
- Porsche 95B.1 Macan GTS Petrol 3.0L V6 360Bhp 2014-18
- Porsche 95B.1 Macan Turbo 3.6L V6 400Bhp 2014-18
- Porsche 95B.2 Macan Petrol 2.0L 245Bhp 2019-21
- Porsche 95B.2 Macan S Petrol 3.0L V6 354Bhp 2019-21
- Porsche 95B.2 Macan GTS Petrol 2.9L V6 380Bhp 2019-21
- Porsche 95B.2 Macan Turbo 2.9L V6 440Bhp 2019-21
This Kit Includes:
- Wheel Bearing
- Wheel Bearing Hardware
- Wheel Hub
- Axle Bolt

Fits:
Porsche 95B Macan 2014-18 FRONT / REAR
Thickness: 72 mm,
Inner Diameter: 44 mm,
Outer diameter: 142 mm
Bolt Hole Circle Ø: 112 mm
vehicle-dependent installation sides
Click 'Zoom in' for large parts diagram.
Diagram ref no 2 & 3
Numeri di riferimento correlati
Numeri correlati, sostituiti, riferimenti incrociati o alternativi per il confronto.
PAC407613
Il prodotto che stai visualizzando fa riferimento a questi numeri
- Porsche 95B.1 Macan Petrol 2.0L 237Bhp 2014-18
- Porsche 95B.1 Macan S Petrol 3.0L V6 340Bhp 2014-18
- Porsche 95B.1 Macan S Diesel 3.0L V6 258Bhp 2014-18
- Porsche 95B.1 Macan GTS Petrol 3.0L V6 360Bhp 2014-18
- Porsche 95B.1 Macan Turbo 3.6L V6 400Bhp 2014-18