Inserisci il tuo numero di partiva IVA qui e fai clic su Verifica:
Nessuna necessità di inserire la parte del numero di partita IVA relativa al codice del paese poiché questa è già stato selezionata nel predetto indirizzo di fatturazione.
I tuoi dati sono stati verificati. Numero di partita IVA registrato a:
,
.
Al tuo ordine sarà applicata un’aliquota pari a zero ai fini dell’IVA. Ci riserviamo il diritto di verificare questi dettagli dopo che la tua richiesta d’ordine è stata fatta e di reintegrare l’IVA se necessario.
I tuoi dati IVA non sono stati riconosciuti o non erano validi. Il tuo numero di partita IVA deve corrispondere al tuo paese di fatturazione come specificato sopra. Attualmente è specificato come . Non occorre inserire inserire la parte del numero di partita IVA relativa al codice del paese poiché questa è già stato selezionata nei dettagli del predetto indirizzo di fatturazione.
Il servizio di verifica della partita IVA è attualmente offline. Per favore fornisci i tuoi dati IVA all’interno dei commenti o nel campo delle istruzioni speciali sotto e noi applicheremo uno sconto IVA dopo aver fatto la richiesta d’ordine.
Rohler
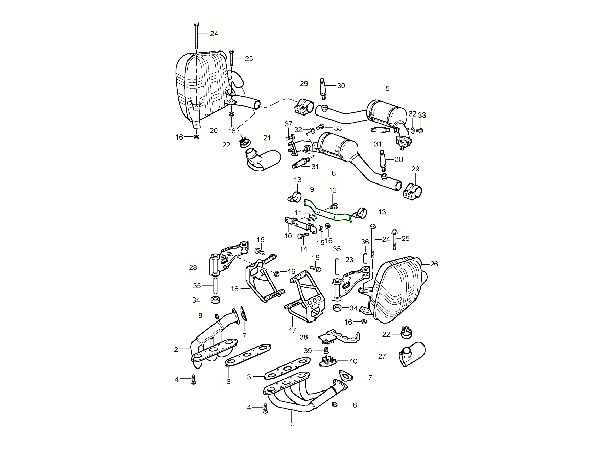
Contiene:
1 x staffa di supporto per scarico in titanio 99611312355
1 x staffa di scarico in titanio per marmitta posteriore 99611322350
2 x Morsetto in titanio per convertitore catalitico di scarico 99951108700
Porsche 996
Diagramma Rif. n. 9, 10, 13
Montato dietro il paraurti posteriore, sotto lo scarico, sostiene saldamente il catalizzatore, contribuendo a mantenere il corretto allineamento dello scarico e ad assorbire le vibrazioni senza crepe o deformazioni. Se cercate longevità, prestazioni o riduzione della corrosione, questa staffa in titanio è un ottimo upgrade.
Potrebbe essere necessario sostituire la staffa se mostra segni di ruggine, crepe, piegature o deformazioni. Altri segnali di allarme includono rumori o vibrazioni provenienti dallo scarico o dal catalizzatore in accelerazione o su dossi, un evidente disallineamento del sistema di scarico o un catalizzatore troppo basso. Anche l'usura di supporti o supporti causata da sollecitazioni aggiuntive dovute a una staffa debole è un chiaro indicatore. Se una staffa danneggiata non viene sostituita, lo scarico può cedere, spostarsi o entrare in contatto con il sottoscocca, causando danni e rumori indesiderati. La sollecitazione aggiuntiva su altri supporti e componenti può accelerare l'usura, portare a fratture o causare danni da calore e vibrazioni alle parti vicine. Se non si interviene, questo può causare perdite di scarico, test delle emissioni non superati o costose riparazioni al catalizzatore e al sistema di scarico. Non faresti una cosa del genere alla tua Porsche, vero?
Numeri di riferimento correlati
Numeri correlati, sostituiti, riferimenti incrociati o alternativi per il confronto.
99611312355TKIT.1
Il prodotto che stai visualizzando fa riferimento a questi numeri
- Porsche 996 C2 3.4L 1997-08/01
- Porsche 996 C4 3.4L 1997-08/01
- Porsche 996 C2 3.6L 09/01-2005
- Porsche 996 C4 3.6L 09/01-2005
- Porsche 996 C4S 3.6L 09/01-2005
Contiene:
1 x staffa di supporto per scarico in titanio 99611312355
1 x staffa di scarico in titanio per marmitta posteriore 99611322350
2 x Morsetto in titanio per convertitore catalitico di scarico 99711123001
Adatto a:
Porsche 997 MK1 Carrera 2 3.6L 2005-08
Porsche 997 MK1 Carrera 2S 3.8L 2005-08
Porsche 997 MK1 Carrera 4 3.6L 2005-08
Porsche 997 MK1 Carrera 4S 3.8L 2005-08
Diagramma Rif. n. 9, 10, 13
Montato dietro il paraurti posteriore, sotto lo scarico, sostiene saldamente il catalizzatore, contribuendo a mantenere il corretto allineamento dello scarico e ad assorbire le vibrazioni senza crepe o deformazioni. Se cercate longevità, prestazioni o riduzione della corrosione, questa staffa in titanio è un ottimo upgrade.
Potrebbe essere necessario sostituire la staffa se mostra segni di ruggine, crepe, piegature o deformazioni. Altri segnali di allarme includono rumori o vibrazioni provenienti dallo scarico o dal catalizzatore in accelerazione o su dossi, un evidente disallineamento del sistema di scarico o un catalizzatore troppo basso. Anche l'usura di supporti o supporti causata da sollecitazioni aggiuntive dovute a una staffa debole è un chiaro indicatore. Se una staffa danneggiata non viene sostituita, lo scarico può cedere, spostarsi o entrare in contatto con il sottoscocca, causando danni e rumori indesiderati. La sollecitazione aggiuntiva su altri supporti e componenti può accelerare l'usura, portare a fratture o causare danni da calore e vibrazioni alle parti vicine. Se non si interviene, questo può causare perdite di scarico, test delle emissioni non superati o costose riparazioni al catalizzatore e al sistema di scarico. Non faresti una cosa del genere alla tua Porsche, vero?
Numeri di riferimento correlati
Numeri correlati, sostituiti, riferimenti incrociati o alternativi per il confronto.
99611312355TKIT
Il prodotto che stai visualizzando fa riferimento a questi numeri
- Porsche 997 MK1 Carrera 2 3.6L 2005-08
- Porsche 997 MK1 Carrera 2S 3.8L 2005-08
- Porsche 997 MK1 Carrera 4 3.6L 2005-08
- Porsche 997 MK1 Carrera 4S 3.8L 2005-08

Contiene:
1 x Morsetto in titanio per riscaldatore sinistro 90121105122
1 x Morsetto in titanio per riscaldatore destro 90121105222
2 bulloni a testa esagonale M6 90037803001
2 x Dadi di bloccaggio N0120064
Adatto a:
Porsche 911 1965-1968 2.0L / 912 SWB (F)
Porsche 911 1968-1973 2.2L / 2.4L / 2.7L RS passo lungo (F)
Porsche 911 1974-1977 2.7L / 1976-77 3.0 Carrera
Porsche 911 1978-1983 3.0L / SC Porsche 911 1984-1986 3.2L
Porsche 911 1975-1977 3.0L Turbo (930)
Porsche 911 1978-1989 3.3L Turbo (930)
Fare clic su "Ingrandisci" per visualizzare lo schema delle parti più grandi.
Diagramma rif. n. 2, 3 e 4
Numeri di riferimento correlati
Numeri correlati, sostituiti, riferimenti incrociati o alternativi per il confronto.
HEATERCLAMP911T
Il prodotto che stai visualizzando fa riferimento a questi numeri
- Porsche 911 1965-1968 2.0L / 912 SWB (F)
- Porsche 911 1968-1973 2.2L / 2.4L / 2.7L RS LWB (F)
- Porsche 911 1974-1977 2.7L / 1976-77 3.0 Carrera
- Porsche 911 1978-1983 3.0L / SC
- Porsche 911 1984-1986 3.2L
- Porsche 911 1975-1977 3.0L Turbo (930)
- Porsche 911 1978-1989 3.3L Turbo (930)
La cinghia di alloggiamento della ventola/girante dell'alternatore fissa il gruppo ventola di raffreddamento alla struttura del motore, mantenendolo correttamente posizionato e stabile durante l'avviamento del motore, le vibrazioni e i cicli termici.
Adatto a:
Porsche 911 1965 - 1989
Porsche 911 (930) Turbo 1975 - 1989
Porsche 964 Turbo 3.3L / Turbo 3.6L 1991 - 1994
Porsche 914-6 1970 - 1976
Schema rif. n. 2
L'alloggiamento della ventola/girante è un componente fondamentale del sistema di raffreddamento del motore Porsche raffreddato ad aria, in quanto garantisce il flusso d'aria sulle testate e sui cilindri. Una cinghia di montaggio sicura aiuta quindi a mantenere la corretta tensione della cinghia, un allineamento costante della ventola e prestazioni di raffreddamento affidabili.
Installata tra l'alloggiamento della ventola e il suo punto di ancoraggio sul carter motore o sulla staffa degli accessori, questa cinghia assorbe e distribuisce il carico derivante dalle forze di rotazione della ventola, dalle vibrazioni del motore e dalla tensione della cinghia. L'uso del titanio migliora notevolmente la resistenza alla fatica e alle sollecitazioni rispetto all'acciaio di serie, contribuendo a ridurre il rischio di deformazione o rottura della cinghia nel tempo e contribuendo alla riduzione complessiva del peso del vano motore.
La lega di titanio del cinturino garantisce inoltre una maggiore resistenza alla corrosione, particolarmente utile per le auto utilizzate in ambienti umidi o costieri, dove la corrosione galvanica può danneggiare l'hardware standard.
La cinghia in acciaio della ventola di serie è sottoposta a un carico continuo dovuto alla tensione della cinghia, alla rotazione della ventola e all'espansione termica. Nel tempo, le cinghie in acciaio possono allungarsi, affaticarsi o rompersi, compromettendo l'allineamento della ventola e potenzialmente causando lo slittamento della cinghia, una riduzione del flusso d'aria di raffreddamento o un'usura accelerata delle pulegge. L'aggiornamento a una cinghia in titanio migliora l'integrità strutturale, riduce la manutenzione periodica e aumenta la robustezza complessiva del sistema di raffreddamento, in particolare in ambienti di guida ad alte prestazioni o ad alto stress.
Quando sostituire:
• Il cinturino originale presenta corrosione, crepe o deformazioni
• Durante la manutenzione del ventilatore o dell'alternatore
• Come parte di un progetto di ricostruzione o restauro del motore
• Aggiornamento a materiali ad alte prestazioni per una maggiore durata
• Quando si riduce la massa rotante e il peso del vano motore
Numeri di riferimento correlati
Numeri correlati, sostituiti, riferimenti incrociati o alternativi per il confronto.
96410625120T
Il prodotto che stai visualizzando fa riferimento a questi numeri
- Porsche 911 1965-1968 2.0L / 912 SWB (F)
- Porsche 911 1968-1973 2.2L / 2.4L / 2.7L RS LWB (F)
- Porsche 911 1974-1977 2.7L / 1976-77 3.0 Carrera
- Porsche 911 1978-1983 3.0L / SC
- Porsche 911 1984-1986 3.2L
- Porsche 911 1987-1989 3.2L G50
- Porsche 911 1975-1977 3.0L Turbo (930)
- Porsche 911 1978-1989 3.3L Turbo (930)
- Porsche 964 (911) TURBO 3.3L 1991-93
- Porsche 964 (911) TURBO 3.6L 1991-93
- Porsche 914 (1970-1976)
Ogni pomello è progettato per integrarsi perfettamente con gli interni della tua Porsche. Che tu stia aggiornando il tuo modello 9×1 o 9×2, la nostra configurazione garantisce l'eccellenza sia estetica che funzionale.
Colori disponibili:
• Direzione di spostamento in avanti (verso “–”):
Guards Red, Shark Blue, Lizard Green, GT Silver (con sfondo nero OEM)
• Direzione di cambio inversa (verso “+”):
Giallo Racing, Rosso Guardie (con sfondo nero OEM e orientamento corretto per i modelli 9×1)
Adatto a:
Porsche 718 Boxster – dal 2017 in poi
Porsche 718 Cayman – dal 2017 in poi
Modelli Porsche 991.2 Carrera – dal 2016 in poi
Porsche 991 GT3 / GT3 RS – dal 2015 in poi
Caratteristiche principali:
• Montaggio diretto per pomello sportivo PDK OEM (codice componente OE 982713120AQT0)
• Prodotto stampato ad iniezione
• Finitura lucida di grado ottico
• Funziona esattamente come l'OEM
• Fornito con cuscinetti adesivi in silicone da 0,5 mm
Nota di installazione: Il pulsante originale è fissato con adesivo siliconico e richiede di fare leva per rimuoverlo. Rimuovi la modanatura che circonda il pulsante del pomello del cambio pizzicandola e tirandola verso l'alto, oppure utilizzando un attrezzo di rimozione della modanatura in plastica da dietro. Fai leva sul pulsante OEM nero e giallo da diverse angolazioni finché non inizia a sollevarsi. Pulisci eventuali residui di silicone e applica il nastro biadesivo al nuovo pulsante. Allinea e premi con decisione. L'adesivo si asciuga completamente in 48 ore.
Numeri di riferimento correlati
Numeri correlati, sostituiti, riferimenti incrociati o alternativi per il confronto.
982713120
Il prodotto che stai visualizzando fa riferimento a questi numeri
- Porsche Boxster 718 2.0L PDK (300 Bhp)
- Porsche Boxster S 718 2.5L PDK (350 Bhp)
- Porsche Boxster T 718 2.0L PDK (300 Bhp)
- Porsche Boxster GTS 718 2.5L PDK (365 Bhp)
- Porsche Boxster GTS 718 4.0L PDK (400 Bhp)
- Porsche Boxster 25 Years 718 4.0L PDK (400 Bhp)
- Porsche 991.1 R 4.0L (500 Bhp) 2016
- Porsche 991.1 GT3 3.8L (475Bhp) 2014-16
- Porsche 991.1 GT3 RS 4.0L (500Bhp) 2015-16
- Porsche 991.2 Carrera 2 3.0L (370 Bhp) 2016-19
- Porsche 991.2 Carrera 2S / GTS 3.0L (420/450 Bhp) 2016-19
- Porsche 991.2 Carrera 4 3.0L (370 Bhp) 2016-19
- Porsche 991.2 Carrera 4S / GTS 3.0L (420/450 Bhp) 2016-19
- Porsche 991.2 Cabriolet 2 3.0L (370 Bhp) 2016-19
- Porsche 991.2 Cabriolet 2S / GTS 3.0L (420/450 Bhp) 2016-19
- Porsche 991.2 Cabriolet 4 3.0L (370 Bhp) 2016-19
- Porsche 991.2 Cabriolet 4S / GTS 3.0L (420/450 Bhp) 2016-19
- Porsche 991.2 Targa 4 3.0L (370 Bhp) 2016-19
- Porsche 991.2 Targa 4S / GTS 3.0L (420/450 Bhp) 2016-19
- Porsche 991.2 Speedster 4.0L (510Bhp) 2019
- Porsche 991.2 GT3 4.0L (500 Bhp) / GT3 RS 4.0L (520 Bhp) 2017-19
- Porsche 991.2 GT2 RS 3.8L PDK (700 bhp) 2018-19
- Porsche 991 GT3 Cup 2018-2019
- Porsche Cayman 718 2.0L PDK (300Bhp)
- Porsche Cayman S 718 2.5L PDK (350Bhp)
- Porsche Cayman T 718 2.0L PDK (300 Bhp)
- Porsche Cayman GTS 718 2.5L PDK (365 Bhp)
- Porsche Cayman GTS 718 4.0L PDK (400 Bhp)
- Porsche Cayman GT4 718 4.0L / GT4 RS 718 4.0L

CONFEZIONE DA 20
Adatto a:
Porsche 911 1965-89
Porsche 964
Porsche 993
Porsche 944
Porsche 968
Porsche 928
Porsche 924
Numeri di riferimento correlati
Numeri correlati, sostituiti, riferimenti incrociati o alternativi per il confronto.
99918200351
Il prodotto che stai visualizzando fa riferimento a questi numeri
- Porsche 911 1965-1968 2.0L / 912 SWB (F)
- Porsche 911 1968-1973 2.2L / 2.4L / 2.7L RS LWB (F)
- Porsche 911 1974-1977 2.7L / 1976-77 3.0 Carrera
- Porsche 911 1978-1983 3.0L / SC
- Porsche 911 1984-1986 3.2L
- Porsche 911 1987-1989 3.2L G50
- Porsche 911 1975-1977 3.0L Turbo (930)
- Porsche 911 1978-1989 3.3L Turbo (930)
- Porsche 964 (911) C2 1989-93
- Porsche 964 (911) C4 1989-93
- Porsche 964 (911) RS 3.6L 1991-93
- Porsche 964 (911) RS 3.8L 1991-93
- Porsche 964 (911) TURBO 3.3L 1991-93
- Porsche 964 (911) TURBO 3.6L 1991-93
- Porsche 993 (911) C2 1994-97
- Porsche 993 (911) C4 1994-97
- Porsche 993 (911) RS 1994-97
- Porsche 993 (911) C2S 1994-97
- Porsche 993 (911) C4S 1994-97
- Porsche 993 (911) TURBO 1994-96
- Porsche 993 (911) GT2 1994-97
- Porsche 993 (911) TURBO S 1994-97
- Porsche 924 2.0L 1976-79
- Porsche 924 2.0L 1980-85
- Porsche 924 Turbo 2.0L 1979-81
- Porsche 924 Turbo 2.0L 1982-84
- Porsche 924 Carrera GT 2.0L 1981
- Porsche 924 Carrera GTS 2.0L 1982
- Porsche 924S 2.5L 1986-87
- Porsche 924S 2.5L 1988
- Porsche 944 2.5L 8V 1982-87
- Porsche 944 2.7L 8V 1988-89
- Porsche 944S 2.5L 16V 1987-88
- Porsche 944S2 3.0L 16V 1989-91
- Porsche 944 Turbo 2.5L 8V 1985-88
- Porsche 944 Turbo 2.5L 8V 1989-91
- Porsche 944 Turbo S 2.5L 8V 1988
- Porsche 968 3.0L 1992-94
- Porsche 968 Sport 3.0L 1994-95
- Porsche 968 CS 3.0L 1993-95
- Porsche 968 Turbo S 3.0L 1993-94
- Porsche 928 4.5L 1978-82
- Porsche 928S 4.7L 1981-83
- Porsche 928S2 4.7L 1984-86
- Porsche 928S4 5.0L 1987-92
- Porsche 928GT 5.0L 1989-91
- Porsche 928GTS 5.4L 1992-95

Adatto a:
Porsche Boxster 986 2.5L 1997-99
Porsche Boxster 986 2.7L 1999-02
Porsche Boxster S 986 3.2L 1999-02
Porsche Boxster 986 2.7L 2003-04
Porsche Boxster S 986 3.2L 2003-04
Kit incluso:
2x Connettore per tubi, 45x49,5x75mm, Titanio
2x Morsetto in titanio
2x Piastra di fissaggio, 5,0 mm
4x Dado di bloccaggio, M8x1,25mm
Numeri di riferimento correlati
Numeri correlati, sostituiti, riferimenti incrociati o alternativi per il confronto.
EXHFITTING.986.1.1T
Il prodotto che stai visualizzando fa riferimento a questi numeri
- Porsche Boxster 986 2.5L 1997-99
- Porsche Boxster 986 2.7L 1999-02
- Porsche Boxster S 986 3.2L 1999-02
- Porsche Boxster 986 2.7L 2003-04
- Porsche Boxster S 986 3.2L 2003-04
Adatto a:
Porsche 991.1 Carrera 2 / Carrera 4 MKI 2012>>2016
Porsche 991.1 Carrera 2S / Carrera 4S MKI 2012>>2016
Il kit include:
2 morsetti per silenziatore centrale e silenziatore laterale (diagramma rif. 13)
2 x morsetti per tubo di scarico (diagramma rif. 27)
*Clicca sull'immagine per vedere un diagramma delle parti di grandi dimensioni*
Numeri di riferimento correlati
Numeri correlati, sostituiti, riferimenti incrociati o alternativi per il confronto.
EXHFITTING.991.1.4T
Il prodotto che stai visualizzando fa riferimento a questi numeri
- Porsche 991.1 Carrera C2 3.4L (350Bhp) 2012-16
- Porsche 991.1 Carrera C2S / GTS 3.8L (400/430 Bhp) 2012-16
- Porsche 991.1 Carrera C4 3.4L (350Bhp) 2012-16
- Porsche 991.1 Carrera C4S / GTS 3.8L (400/430 Bhp) 2012-16
Adatto a:
· Porsche 991.2 Carrera 2 3.0L (370 CV) 2016-19
·
Porsche 991.2 Carrera 2S 3.0L (420 CV) 2016-19
·
Porsche 991.2 Carrera 4 3.0L (370 CV) 2016-19
·
Porsche 991.2 Carrera 4S 3.0L (420 CV) 2016-19
·
Porsche 991.2 Cabriolet 2 3.0L (370 CV) 2016-19
·
Porsche 991.2 Cabriolet 2S 3.0L (420 CV) 2016-19
·
Porsche 991.2 Cabriolet 4 3.0L (370 CV) 2016-19
·
Porsche 991.2 Cabriolet 4S 3.0L (420 CV) 2016-19
·
Porsche 991.2 Targa 4 3.0L (370 CV) 2016-19
·
Porsche 991.2 Targa 4S 3.0L (420 CV) 2016-19
Diagramma rif. n. 15 e 19
Numeri di riferimento correlati
Numeri correlati, sostituiti, riferimenti incrociati o alternativi per il confronto.
EXHFITTING.991.2.1
Il prodotto che stai visualizzando fa riferimento a questi numeri
- Porsche 991.2 Carrera 2 3.0L (370 Bhp) 2016-19
- Porsche 991.2 Carrera 2S / GTS 3.0L (420/450 Bhp) 2016-19
- Porsche 991.2 Carrera 4 3.0L (370 Bhp) 2016-19
- Porsche 991.2 Carrera 4S / GTS 3.0L (420/450 Bhp) 2016-19
- Porsche 991.2 Cabriolet 2 3.0L (370 Bhp) 2016-19
- Porsche 991.2 Cabriolet 2S / GTS 3.0L (420/450 Bhp) 2016-19
- Porsche 991.2 Cabriolet 4 3.0L (370 Bhp) 2016-19
- Porsche 991.2 Cabriolet 4S / GTS 3.0L (420/450 Bhp) 2016-19
- Porsche 991.2 Targa 4 3.0L (370 Bhp) 2016-19
- Porsche 991.2 Targa 4S / GTS 3.0L (420/450 Bhp) 2016-19
Contiene tutte le guarnizioni, i dadi e i bulloni necessari.
Parti incluse:
18 x Collettore di scarico
Borchie in titanio M8x21 (99907353502)
2 x Guarnizione collettore di scarico. (99711110731)
2 x Guarnizione di scarico scatola centrale per catalizzatore (99111148200)
6 x Dado di scarico M8 in titanio (
99908405202 )
6 bulloni da collettore di scarico a convertitore catalitico. Titanio (N01024426)
Adatto a:
Porsche 991.1 Carrera C2 3.4L (350 CV) 2012-16
Porsche 991.1 Carrera C2S 3.8L (400 CV) 2012-16
Porsche 991.1 Carrera C4 3.4L (350 CV) 2012-16
Porsche 991.1 Carrera C4S 3.8L (400 CV) 2012-16
Numeri di riferimento correlati
Numeri correlati, sostituiti, riferimenti incrociati o alternativi per il confronto.
EXHFITTING.991.1.3
Il prodotto che stai visualizzando fa riferimento a questi numeri
- Porsche 991.1 Carrera C2 3.4L (350Bhp) 2012-16
- Porsche 991.1 Carrera C2S / GTS 3.8L (400/430 Bhp) 2012-16
- Porsche 991.1 Carrera C4 3.4L (350Bhp) 2012-16
- Porsche 991.1 Carrera C4S / GTS 3.8L (400/430 Bhp) 2012-16
Adatto a:
Porsche 991.1 Carrera 2 / Carrera 4 MKI 2012>>2016
Porsche 991.1 Carrera 2S / Carrera 4S MKI 2012>>2016
Il kit include:
2 guarnizioni da catalizzatore a silenziatore (diagramma rif. 5)
6 bulloni per guarnizione silenziatore-cat (diagramma rif. 45)
6 x dadi di guarnizione del silenziatore del catalizzatore (rif. diagramma 6)
2 morsetti per silenziatore centrale e silenziatore laterale (diagramma rif. 13)
2 x morsetti per tubo di scarico (diagramma rif. 27)
*Clicca sull'immagine per vedere un diagramma delle parti di grandi dimensioni*
Numeri di riferimento correlati
Numeri correlati, sostituiti, riferimenti incrociati o alternativi per il confronto.
EXHFITTING.991.1.1T
Il prodotto che stai visualizzando fa riferimento a questi numeri
- Porsche 991.1 Carrera C2 3.4L (350Bhp) 2012-16
- Porsche 991.1 Carrera C2S / GTS 3.8L (400/430 Bhp) 2012-16
- Porsche 991.1 Carrera C4 3.4L (350Bhp) 2012-16
- Porsche 991.1 Carrera C4S / GTS 3.8L (400/430 Bhp) 2012-16
Adatto a:
Porsche 996 Carrera 3.4L-3.6L 1998-05
Porsche 996 GT3 3.6 2004-05
Porsche 996 GT3 3.4 1999-01
Kit incluso:
2x 99611122002 Connettore per tubi, 55,5x75 mm
2x 99611110800 Morsetto, Ø70mm
2x 90037818301 Bullone, M8x1,25x140mm
2x 90037810501 Bullone, M8x1,25x70mm
12x 90038000501 Dado di bloccaggio, M8x1,25mm
Numeri di riferimento correlati
Numeri correlati, sostituiti, riferimenti incrociati o alternativi per il confronto.
EXHFITTING.996.1.6T
Il prodotto che stai visualizzando fa riferimento a questi numeri
- Porsche 996 C2 3.4L 1997-08/01
- Porsche 996 C4 3.4L 1997-08/01
- Porsche 996 C2 3.6L 09/01-2005
- Porsche 996 C4 3.6L 09/01-2005
- Porsche 996 C4S 3.6L 09/01-2005
- Porsche 996 GT3 MKI 1999-02
- Porsche 996 GT3 MKII 2003>>
- Porsche 996 GT3 RS 2003-04
Adatto a:
Porsche 997.1 Carrera 2 / Carrera 4 3,6 litri - dal 2005 al 2008
Porsche 997.1 Carrera 2S / Carrera 4S 3,8 litri - dal 2005 al 2008
Incluso nel kit:
2 x Connettore per tubi, 55x58,5x75 mm, acciaio inossidabile
2 bulloni, M8x1,25x140mm
2 bulloni, M8x1,25x70 mm
4 x Dado di bloccaggio, M8x1,25
Numeri di riferimento correlati
Numeri correlati, sostituiti, riferimenti incrociati o alternativi per il confronto.
EXHFITTING.997.1.1T
Il prodotto che stai visualizzando fa riferimento a questi numeri
- Porsche 997 MK1 Carrera 2 3.6L 2005-08
- Porsche 997 MK1 Carrera 2S 3.8L 2005-08
- Porsche 997 MK1 Carrera 4 3.6L 2005-08
- Porsche 997 MK1 Carrera 4S 3.8L 2005-08
Adatto a:
Porsche 996 GT3
Il kit include:
2 guarnizioni della testata (rif. diagramma 3)
2 guarnizioni collettore-catalizzatore (rif. diagramma 7)
2 morsetti per catalizzatori e marmitta (diagramma rif. 29)
2 morsetti per tubo di scarico e marmitta (diagramma rif. 22)
*Clicca sull'immagine per vedere un diagramma dei componenti di grandi dimensioni.
Numeri di riferimento correlati
Numeri correlati, sostituiti, riferimenti incrociati o alternativi per il confronto.
EXHFITTING.996.GT3.1T
Il prodotto che stai visualizzando fa riferimento a questi numeri
- Porsche 996 GT3 MKI 1999-02
- Porsche 996 GT3 MKII 2003>>
- Porsche 996 GT3 RS 2003-04
Adatto a:
Porsche 996 Carrera 3.4L-3.6L 1998-05
Porsche 996 GT3 3.6 2004-05
Porsche 996 GT3 3.6 1999-01
Adatto anche per kit Bypass/Sport del convertitore catalitico
99611196260S, 996PO96260S e 996PO96270S.
Fare clic su "Ingrandisci" per visualizzare lo schema delle parti più grandi.
Diagramma rif. n. 7, 8, 13, 29 e 37
Numeri di riferimento correlati
Numeri correlati, sostituiti, riferimenti incrociati o alternativi per il confronto.
EXHFITTING.996.1.5T
Il prodotto che stai visualizzando fa riferimento a questi numeri
- Porsche 996 C2 3.4L 1997-08/01
- Porsche 996 C4 3.4L 1997-08/01
- Porsche 996 C2 3.6L 09/01-2005
- Porsche 996 C4 3.6L 09/01-2005
- Porsche 996 C4S 3.6L 09/01-2005
- Porsche 996 GT3 MKI 1999-02
- Porsche 996 GT3 MKII 2003>>
- Porsche 996 GT3 RS 2003-04
Adatto a:
Porsche 996 C2 3.4L 1997-08/01
Porsche 996 C4 3.4L 1997-08/01
Porsche 996 C2 3.6L 09/01-2005
Porsche 996 C4 3.6L 09/01-2005
Porsche 996 C4S 3.6L 09/01-2005
Il kit include:
2 guarnizioni della testata (rif. diagramma 3)
2 guarnizioni collettore-catalizzatore (rif. diagramma 7)
2 morsetti per catalizzatori e marmitta (diagramma rif. 29)
2 morsetti per tubo di scarico e marmitta (diagramma rif. 22)
*Clicca sull'immagine per vedere un diagramma dei componenti di grandi dimensioni.
Numeri di riferimento correlati
Numeri correlati, sostituiti, riferimenti incrociati o alternativi per il confronto.
EXHFITTING.996.1.7T
Il prodotto che stai visualizzando fa riferimento a questi numeri
- Porsche 996 C2 3.4L 1997-08/01
- Porsche 996 C4 3.4L 1997-08/01
- Porsche 996 C2 3.6L 09/01-2005
- Porsche 996 C4 3.6L 09/01-2005
- Porsche 996 C4S 3.6L 09/01-2005