Saisissez votre numéro de TVA ici et cliquez sur Vérifier :
Il n'est pas nécessaire de saisir la partie code pays de votre numéro de TVA car elle a déjà été sélectionnée dans votre adresse de facturation ci-dessus.
Vos coordonnées ont été vérifiées. Numéro de TVA enregistré au nom de:
,
.
Votre commande sera désormais détaxée au titre de la TVA. Nous nous réservons le droit de vérifier ces détails une fois votre commande passée et de rétablir la TVA si nécessaire.
Vos données de TVA n'ont pas été reconnues ou n'étaient pas valides. Votre numéro de TVA doit correspondre à votre pays de facturation tel que spécifié ci-dessus. Il est actuellement spécifié comme . Vous n'avez pas besoin de saisir la partie code pays de votre numéro de TVA car elle a déjà été sélectionnée dans les détails de votre adresse de facturation ci-dessus.
Le service de vérification du numéro de TVA est actuellement hors ligne. Veuillez indiquer votre numéro de TVA dans le champ « Commentaires ou instructions spéciales » ci-dessous et nous appliquerons une remise de TVA après avoir passé votre commande.
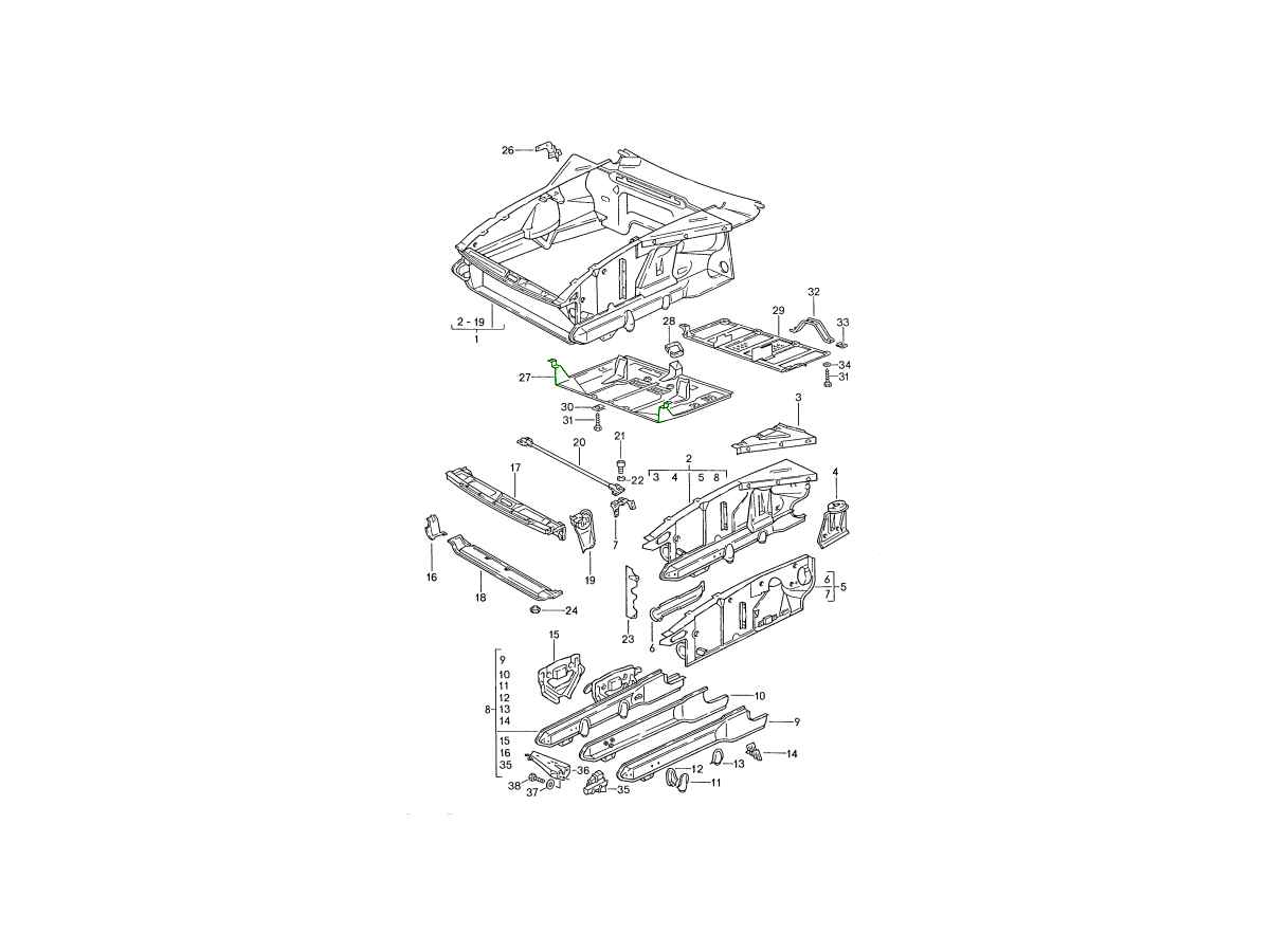
Sous-plateaux de châssis et moteur
Convient à :
Porsche 928 1987-95
Schéma de référence n° 27
Numéros de référence associés
Numéros associés, remplacés, de référence croisée ou alternatifs à des fins de comparaison.
92850402102
Le produit que vous consultez fait référence à ces numéros
- Porsche 928S4 5.0L 1987-92
- Porsche 928GT 5.0L 1989-91
- Porsche 928GTS 5.4L 1992-95
Kit de réparation pour cache-moteur – Réparation de cache-moteur robuste et économique
Les supports de fixation du sabot moteur ou de la plaque inférieure de votre Porsche sont-ils cassés ou fissurés ? C’est un problème courant que nous rencontrons régulièrement dans notre atelier Design911. Avec le temps, les débris de la route, les dos d’âne, un levage incorrect et l’usure générale peuvent fragiliser ou casser les points de fixation d’origine du sabot moteur.
Convient à :
- Porsche 928 S4 5.0L 1987-92
- Porsche 928 GT 5.0L 1989-91
- Porsche 928 GTS 5.4L 1992-95
Kit de réparation pour schéma réf. n° 27
Au lieu de remplacer l'ensemble du sabot moteur – ce qui peut s'avérer coûteux – notre kit de réparation renforcé pour sabot moteur Porsche offre une solution simple, solide et durable.
À quoi servent ces supports de réparation
Les pattes de fixation en plastique d'origine des protections de soubassement Porsche sont fragiles. Lorsqu'elles cassent, la protection peut s'affaisser, vibrer ou se desserrer, ce qui peut entraîner :
• Protection du soubassement
• Aérodynamique
• Gestion du flux d'air de refroidissement
• Stabilité générale du véhicule à vitesse
Nos supports de réparation en nylon imprimés au laser en 3D renforcent et remplacent les points de fixation défectueux. Ils rétablissent une fixation sûre de la plaque inférieure au châssis, prévenant ainsi d'autres dommages et éliminant les vibrations et les mouvements.
Pourquoi opter pour ce kit de réparation ?
Alternative économique
Un carénage de soubassement Porsche neuf peut coûter cher. Ce kit de réparation permet de réparer uniquement les zones de support endommagées, sans avoir à remplacer le carénage entier.
Plus fort que l'original
Fabriqués en nylon haute résistance et flexible imprimé au laser en 3D, ces supports sont conçus pour être plus durables que les pattes de fixation d'origine. Ils résistent aux fissures, aux vibrations et aux chocs routiers.
Solution éprouvée en atelier
Développé suite à la constatation répétée de supports de protection de soubassement cassés dans notre propre atelier, ce kit est une solution pratique, testée en conditions réelles et approuvée par les spécialistes Porsche.
Matériel d'installation complet inclus
Chaque kit comprend 8 écrous, boulons et rondelles par côté, assurant une fixation sûre et une installation simple.
Idéal pour :
• Les propriétaires de Porsche dont les supports de protection sous le châssis sont fissurés ou cassés
• Véhicules dont les plaques de protection inférieures s'affaissent
• Voitures de performance ou de piste soumises à des contraintes de soubassement plus élevées
• Mises à niveau préventives lors du remplacement ou de l'entretien des éléments inférieurs
Numéros de référence associés
Numéros associés, remplacés, de référence croisée ou alternatifs à des fins de comparaison.
92850402REP
Le produit que vous consultez fait référence à ces numéros
- Porsche 928S4 5.0L 1987-92
- Porsche 928GT 5.0L 1989-91
- Porsche 928GTS 5.4L 1992-95
Protégez les composants essentiels de votre Porsche et optimisez l'aérodynamisme avec les protections de châssis et de moteur d'origine Porsche et de reproduction de Design911. Ces panneaux sont conçus pour protéger le soubassement et le compartiment moteur des débris, de l'eau et des dommages causés par la route, tout en améliorant la circulation d'air et la stabilité du véhicule à grande vitesse.
Chaque protection de passage de roue est fabriquée avec précision selon les spécifications OEM, garantissant un ajustement parfait, une résistance structurelle et une durabilité à long terme. Qu'il s'agisse de remplacer un sabot moteur endommagé ou de restaurer le soubassement d'une Porsche classique, notre sélection comprend des protections de passage de roue d'origine et des reproductions de haute qualité, adaptées à tous les modèles, des premières 911 refroidies par air aux dernières Taycan et 992.
Fabriqués à partir de matériaux légers mais durables tels que le plastique ABS, l'aluminium ou des mélanges composites, ces panneaux combinent protection, performance et authenticité pour maintenir votre Porsche en parfait état.
Plateaux inférieurs Porsche d'origine
Dessous de plat d'origine, fabriqués selon les spécifications Porsche. Ils offrent un ajustement, une durabilité et une précision aérodynamique supérieurs.
Reproduction de plateaux et de panneaux
Alternatives de reproduction de haute qualité offrant une protection et une compatibilité de qualité OEM pour une gamme de modèles Porsche - idéales pour les restaurations.
Carters et protections de moteur
Protège le compartiment moteur de la saleté, de la chaleur et des débris de la route. Conçu pour une installation facile et une meilleure circulation de l'air.
Plateaux inférieurs et carters de châssis
Panneaux de châssis sur toute la longueur qui réduisent la traînée et protègent les composants du soubassement, préservant ainsi les performances aérodynamiques d'usine de Porsche.
Supports de montage et matériel de fixation
Clips, vis et supports de spécification OEM requis pour une installation sécurisée du sous-plateau, garantissant un ajustement stable et sans vibrations.
Panneaux de soubassement Porsche classiques
Reproduction authentique de plateaux et de protections pour modèles patrimoniaux tels que les 911 Classic, 964 et 993 — essentiels pour les restaurations concours.