Saisissez votre numéro de TVA ici et cliquez sur Vérifier :
Il n'est pas nécessaire de saisir la partie code pays de votre numéro de TVA car elle a déjà été sélectionnée dans votre adresse de facturation ci-dessus.
Vos coordonnées ont été vérifiées. Numéro de TVA enregistré au nom de:
,
.
Votre commande sera désormais détaxée au titre de la TVA. Nous nous réservons le droit de vérifier ces détails une fois votre commande passée et de rétablir la TVA si nécessaire.
Vos données de TVA n'ont pas été reconnues ou n'étaient pas valides. Votre numéro de TVA doit correspondre à votre pays de facturation tel que spécifié ci-dessus. Il est actuellement spécifié comme . Vous n'avez pas besoin de saisir la partie code pays de votre numéro de TVA car elle a déjà été sélectionnée dans les détails de votre adresse de facturation ci-dessus.
Le service de vérification du numéro de TVA est actuellement hors ligne. Veuillez indiquer votre numéro de TVA dans le champ « Commentaires ou instructions spéciales » ci-dessous et nous appliquerons une remise de TVA après avoir passé votre commande.
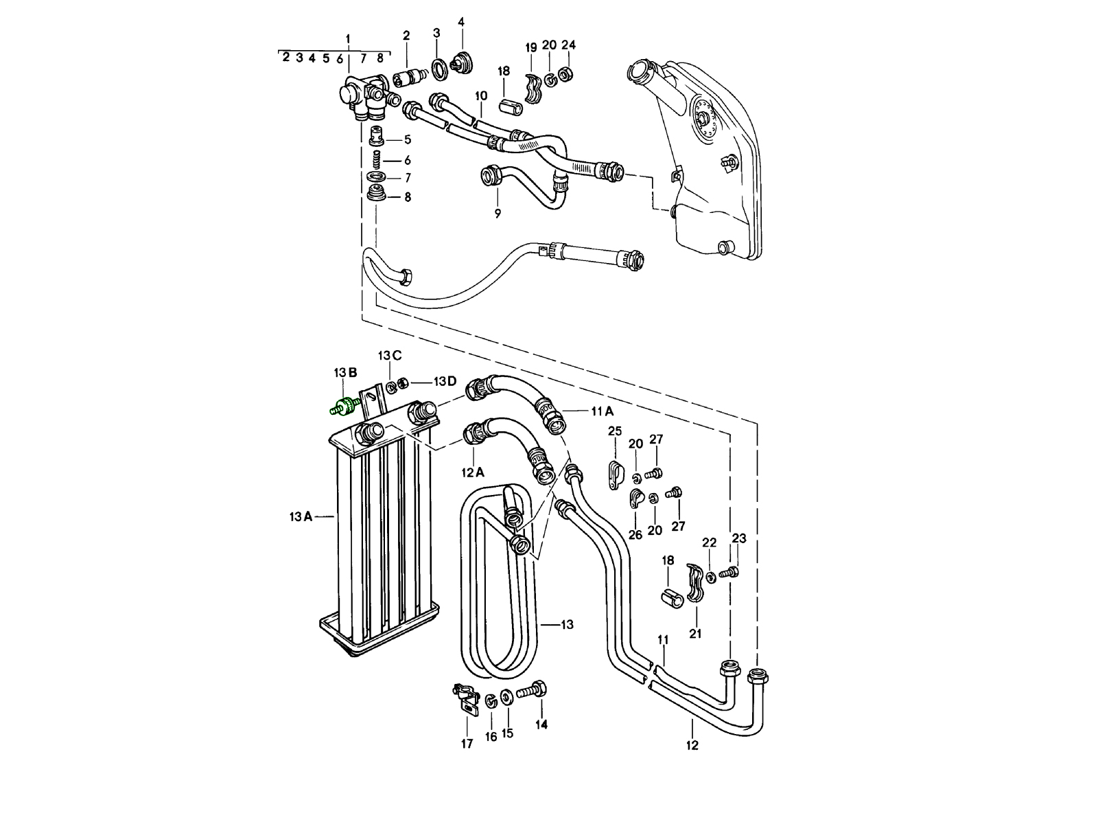
Refroidisseurs d'huile / radiateurs / échangeurs de chaleur
- Porsche 911 1965-1968 2.0L / 912 SWB (F)
- Porsche 911 1968-1973 2.2L / 2.4L / 2.7L RS LWB (F)
- Porsche 911 1974-1977 2.7L / 1976-77 3.0 Carrera
- Porsche 911 1978-1983 3.0L / SC
- Porsche 911 1984-1986 3.2L
- Porsche 911 1987-1989 3.2L G50
- Porsche 911 1975-1977 3.0L Turbo (930)
- Porsche 911 1978-1989 3.3L Turbo (930)

Convient :
Porsche 911S 1969-1971
Cliquez sur « Zoomer » pour afficher le diagramme des grandes pièces.
Schéma Réf No 17
Numéros de référence associés
Numéros associés, remplacés, de référence croisée ou alternatifs à des fins de comparaison.
90110704603
Le produit que vous consultez fait référence à ces numéros
- Porsche 911 1968-1973 2.2L / 2.4L / 2.7L RS LWB (F)
Les butées en caoutchouc collé Porsche 93020723900 / 93020723901 / 93020723902 sont des composants d'origine conçus pour fixer et stabiliser le refroidisseur d'huile des Porsche 911 et Turbo refroidies par air. Chaque support est doté d'une conception de précision en caoutchouc et en acier collés qui isole les vibrations et absorbe les mouvements du moteur, protégeant ainsi le refroidisseur d'huile et ses conduites des contraintes et des dommages.
Vendu à l'unité , 3 requis par voiture
Convient à :
Porsche 911 1984 - 1989
Schéma Réf. N° 14.
Situés entre le carter du refroidisseur d'huile et le châssis ou le support moteur, ces tampons jouent un rôle essentiel dans le maintien d'un alignement correct et la réduction des vibrations du système de refroidissement. Avec le temps, l'exposition à la chaleur, à l'huile et aux vibrations peut provoquer un durcissement ou des fissures du caoutchouc. Le remplacement par des pièces d'origine Porsche rétablit la stabilité d'origine, l'isolation des vibrations et la fiabilité à long terme.
Numéros de référence associés
Numéros associés, remplacés, de référence croisée ou alternatifs à des fins de comparaison.
93020723902
Le produit que vous consultez fait référence à ces numéros
- Porsche 911 1984-1986 3.2L
- Porsche 911 1987-1989 3.2L G50
- Porsche 911 1975-1977 3.0L Turbo (930)
- Porsche 911 1978-1989 3.3L Turbo (930)
Ce tampon de remplacement de haute qualité remplace les supports en caoutchouc collé d'origine utilisés pour soutenir le refroidisseur d'huile des moteurs Porsche refroidis par air. Il permet d'isoler les vibrations, de maintenir un alignement correct et de protéger le refroidisseur et ses composants.
Vendu à l'unité , il en faut 3 par voiture.
Convient à :
Porsche 911 1984 - 1989
Schéma Réf. N° 14.
Il s'agit d'un support ou d'un tampon en caoutchouc (souvent collé à des inserts métalliques) utilisé pour amortir et fixer le refroidisseur d'huile par rapport au moteur ou au châssis. Il absorbe les vibrations, empêche le contact métal contre métal et maintient le refroidisseur en position. Il permet d'éviter les contraintes sur les supports, les conduites et les surfaces de contact du refroidisseur d'huile en offrant un point de fixation flexible.
Remplace : Porsche 930.207.239.00 / 930.207.239.01 / 930.207.239.02
Position : Entre le refroidisseur d'huile et le support moteur ou châssis — isole les vibrations et favorise l'alignement
Fonction : Absorbe les vibrations et les mouvements du moteur, évite les contraintes sur les conduites et les supports du refroidisseur d'huile
Installation : Remplacement OE à montage direct — installez-le en tant qu'ensemble pour de meilleurs résultats
Conseil d'entretien : remplacez-le lorsque le caoutchouc durcit, se fissure ou se sépare du boîtier métallique
Au fil du temps, le caoutchouc du support de butée se dégrade sous l'effet de la chaleur, de l'exposition à l'huile, de l'ozone, des vibrations et de la fatigue. Il peut durcir, se fissurer, se rétracter ou se détacher de son insert métallique. Un support défectueux entraîne des déplacements ou des vibrations excessives du refroidisseur d'huile, ce qui sollicite les durites, les supports et les brides de fixation, et peut entraîner des fuites ou des dommages. Des vibrations excessives peuvent provoquer du bruit, un désalignement ou une fatigue prématurée des pièces de support. Il est conseillé de remplacer cette butée dès que vous constatez des dommages ou une détérioration, lors de la dépose ou de l'entretien du refroidisseur d'huile, ou à titre préventif sur les moteurs à kilométrage élevé.
Numéros de référence associés
Numéros associés, remplacés, de référence croisée ou alternatifs à des fins de comparaison.
93020723902
Le produit que vous consultez fait référence à ces numéros
- Porsche 911 1984-1986 3.2L
- Porsche 911 1987-1989 3.2L G50
- Porsche 911 1975-1977 3.0L Turbo (930)
- Porsche 911 1978-1989 3.3L Turbo (930)

Convient :
Porsche 911 1984-89
Cliquez sur "Zoom avant" pour le schéma des grandes pièces.
Schéma Ref No 31.
Numéros de référence associés
Numéros associés, remplacés, de référence croisée ou alternatifs à des fins de comparaison.
93020735300
Le produit que vous consultez fait référence à ces numéros
- Porsche 911 1984-1986 3.2L
- Porsche 911 1987-1989 3.2L G50
- Porsche 911 1975-1977 3.0L Turbo (930)
- Porsche 911 1978-1989 3.3L Turbo (930)

Convient :
Porsche 911 1980>>
Cliquez sur "Zoom avant" pour le schéma des grandes pièces.
Diagramme Ref No 13D
Numéros de référence associés
Numéros associés, remplacés, de référence croisée ou alternatifs à des fins de comparaison.
PCG91002202
Le produit que vous consultez fait référence à ces numéros
- Porsche 911 1978-1983 3.0L / SC
- Porsche 911 1984-1986 3.2L
- Porsche 911 1987-1989 3.2L G50
- Porsche 911 1978-1989 3.3L Turbo (930)
Cette rondelle s'installe facilement sous la tête de la fixation appropriée et est idéale pour une utilisation lors de l'entretien du refroidisseur, du démontage du radiateur/refroidisseur d'huile ou lors du remplacement de pièces de fixation corrodées ou usées.
Vendu à l'unité
Convient à :
Porsche 911 1980 >>
Diagramme de référence n° 13C
Cette rondelle OE Match assure l'interface adéquate entre la tête de fixation et la surface de montage, contribuant ainsi à préserver l'intégrité du montage tout en évitant l'arrachement ou les dommages à la surface.
La rondelle de fixation du radiateur/refroidisseur d'huile offre une surface d'appui stable pour les fixations. Elle contribue à répartir uniformément la charge de compression, protège les matériaux plus tendres des déformations et garantit le bon alignement et la fixation sécurisée des supports du radiateur et du refroidisseur d'huile, même en conditions de conduite dynamiques.
Numéros de référence associés
Numéros associés, remplacés, de référence croisée ou alternatifs à des fins de comparaison.
90002500703
Le produit que vous consultez fait référence à ces numéros
- Porsche 911 1974-1977 2.7L / 1976-77 3.0 Carrera
- Porsche 911 1978-1983 3.0L / SC
- Porsche 911 1984-1986 3.2L
- Porsche 911 1987-1989 3.2L G50
- Porsche 911 1975-1977 3.0L Turbo (930)
- Porsche 911 1978-1989 3.3L Turbo (930)
Cette rondelle d'origine est utilisée sur les points de fixation du radiateur et du refroidisseur d'huile des modèles 911 depuis le début des années 1980 pour assurer une fixation optimale des éléments du système de refroidissement, avec une force de serrage adéquate et une durabilité à long terme.
Vendu à l'unité
Convient à :
Porsche 911 1980 >>
Diagramme de référence n° 13C
La rondelle de fixation de radiateur/refroidisseur d'huile d'origine Porsche (référence 90002500703) est une petite pièce essentielle du système de refroidissement des modèles 911 classiques (à partir de 1980). Ses dimensions, son matériau et sa qualité garantissent la fixation optimale du radiateur et du refroidisseur d'huile, même sous l'effet de la chaleur, des vibrations et des contraintes routières, assurant ainsi un refroidissement moteur efficace et une fiabilité à long terme.
Numéros de référence associés
Numéros associés, remplacés, de référence croisée ou alternatifs à des fins de comparaison.
90002500703
Le produit que vous consultez fait référence à ces numéros
- Porsche 911 1974-1977 2.7L / 1976-77 3.0 Carrera
- Porsche 911 1978-1983 3.0L / SC
- Porsche 911 1984-1986 3.2L
- Porsche 911 1987-1989 3.2L G50
- Porsche 911 1975-1977 3.0L Turbo (930)
- Porsche 911 1978-1989 3.3L Turbo (930)

Convient :
Porsche 911 1978-89
Cliquez sur "Zoom avant" pour le schéma des grandes pièces.
Schéma Ref No 13B
Numéros de référence associés
Numéros associés, remplacés, de référence croisée ou alternatifs à des fins de comparaison.
99970326300
Le produit que vous consultez fait référence à ces numéros
- Porsche 911 1978-1983 3.0L / SC
- Porsche 911 1984-1986 3.2L
- Porsche 911 1987-1989 3.2L G50
- Porsche 911 1978-1989 3.3L Turbo (930)
Ce support en caoutchouc pour refroidisseur d'huile de radiateur est un isolateur en caoutchouc de remplacement conçu pour supporter le refroidisseur d'huile de radiateur sur les modèles Porsche 911 classiques de 1978 à 1989.
Il amortit et fixe le refroidisseur d'huile du radiateur dans le compartiment moteur, réduisant ainsi les vibrations et le bruit tout en assurant un positionnement correct du refroidisseur. Conforme aux spécifications d'origine, il s'installe directement sur les points de fixation prévus, sans aucune modification.
Vendu à l'unité.
Convient à :
Porsche 911 1978 - 1989
Schéma de référence n° 13B
Le support en caoutchouc absorbe les vibrations du moteur et de la route, isolant ainsi le refroidisseur d'huile des mouvements brusques et le protégeant des contraintes et de la fatigue. Il maintient le refroidisseur correctement aligné, évitant toute tension excessive sur les tuyaux, les raccords et les supports.
Conçu pour supporter le poids du refroidisseur d'huile de radiateur et amortir les forces dynamiques, ce support atténue la transmission des vibrations dans le compartiment moteur. Il garantit la stabilité du refroidisseur d'huile malgré la dilatation thermique, le couple moteur et les mouvements du châssis, tout en contribuant à minimiser le bruit et l'usure.
Avec le temps, les supports en caoutchouc se détériorent sous l'effet de la chaleur, du vieillissement et de l'exposition à l'huile et aux polluants routiers. Un support usé ou cassé peut entraîner un mouvement excessif du refroidisseur, provoquant la fatigue des durites, des fuites d'huile et une baisse des performances de refroidissement. Son remplacement par un support identique à celui d'origine rétablit un maintien optimal et prolonge la durée de vie de votre système de refroidissement d'huile.
Quand remplacer :
• Fissures, déchirures ou déformations visibles dans le caoutchouc
• Refroidisseur d'huile de radiateur desserré ou affaissé
• Augmentation des vibrations ou du bruit provenant du compartiment moteur
• Lors du retrait du refroidisseur d'huile ou des travaux sur le moteur
• Dans le cadre de la maintenance préventive
Numéros de référence associés
Numéros associés, remplacés, de référence croisée ou alternatifs à des fins de comparaison.
99970326300
Le produit que vous consultez fait référence à ces numéros
- Porsche 911 1978-1983 3.0L / SC
- Porsche 911 1984-1986 3.2L
- Porsche 911 1987-1989 3.2L G50
- Porsche 911 1978-1989 3.3L Turbo (930)

Convient :
Porsche 911 1984-89
Cliquez sur "Zoom avant" pour le schéma des grandes pièces.
Schéma Ref No 28.
Numéros de référence associés
Numéros associés, remplacés, de référence croisée ou alternatifs à des fins de comparaison.
93020736100
Le produit que vous consultez fait référence à ces numéros
- Porsche 911 1984-1986 3.2L
- Porsche 911 1987-1989 3.2L G50
- Porsche 911 1975-1977 3.0L Turbo (930)
- Porsche 911 1978-1989 3.3L Turbo (930)

Convient :
Porsche 911S 1973
Cliquez sur "Zoom avant" pour le schéma des grandes pièces.
Schéma Ref No 17
Numéros de référence associés
Numéros associés, remplacés, de référence croisée ou alternatifs à des fins de comparaison.
91110704602
Le produit que vous consultez fait référence à ces numéros
- Porsche 911 1968-1973 2.2L / 2.4L / 2.7L RS LWB (F)

Convient :
Porsche 911 1974-89
Cliquez sur "Zoom avant" pour le schéma des grandes pièces.
Diagramme Réf N° 22.
Numéros de référence associés
Numéros associés, remplacés, de référence croisée ou alternatifs à des fins de comparaison.
91110723300
Le produit que vous consultez fait référence à ces numéros
- Porsche 911 1978-1983 3.0L / SC
- Porsche 911 1984-1986 3.2L
- Porsche 911 1987-1989 3.2L G50
Convient à :
Porsche 930 Turbo 1977-89
Schéma de référence n° 22
Numéros de référence associés
Numéros associés, remplacés, de référence croisée ou alternatifs à des fins de comparaison.
93010723302
Le produit que vous consultez fait référence à ces numéros
- Porsche 911 1975-1977 3.0L Turbo (930)
- Porsche 911 1978-1989 3.3L Turbo (930)
Convient à :
Porsche 930 Turbo 1977-89
Schéma de référence n° 22
Numéros de référence associés
Numéros associés, remplacés, de référence croisée ou alternatifs à des fins de comparaison.
93010723302
Le produit que vous consultez fait référence à ces numéros
- Porsche 911 1975-1977 3.0L Turbo (930)
- Porsche 911 1978-1989 3.3L Turbo (930)
Raccords M22 x 1,5 - 24'LX 5,75'HX 2,16'W
Radiateurs d'huile à barres et plaques style RS pour Porsche 911/930 refroidies par air (jusqu'en 1989) . Ce radiateur d'huile est un remplacement direct et performant des pièces Porsche d'origine, mais il peut également être utilisé comme unité universelle robuste !
Caractéristiques du produit
• Noyau en barre/plaque robuste
• Nouvelle conception de barre Aero-flow pour une faible masse, une résistance et un flux d'air maximal à travers le noyau
• Finition noire satinée pour une protection contre la corrosion et les débris
• Boulons de montage encastrés triangulaires en haut et en bas (M8x1,25)
• Léger angle de 15 degrés pour les connexions (M22x1,5 femelle) avec réservoirs d'extrémité coniques moulés
• 609 mm de longueur x 54,6 mm de largeur x 146 mm de hauteur
Numéros de référence croisés
91110705101
Numéros de référence associés
Numéros associés, remplacés, de référence croisée ou alternatifs à des fins de comparaison.
8110
Le produit que vous consultez fait référence à ces numéros
- Porsche 911 1965-1968 2.0L / 912 SWB (F)
- Porsche 911 1968-1973 2.2L / 2.4L / 2.7L RS LWB (F)
- Porsche 911 1974-1977 2.7L / 1976-77 3.0 Carrera
- Porsche 911 1978-1983 3.0L / SC
- Porsche 911 1984-1986 3.2L
- Porsche 911 1987-1989 3.2L G50
- Porsche 911 1975-1977 3.0L Turbo (930)
- Porsche 911 1978-1989 3.3L Turbo (930)
Raccords M22 x 1,5 - 24'LX 5,75'HX 2,16'W
Radiateurs d'huile à barres et plaques style RS pour Porsche 911/930 refroidies par air (jusqu'en 1989) . Ce radiateur d'huile est un remplacement direct et performant des pièces Porsche d'origine, mais il peut également être utilisé comme unité universelle robuste !
Caractéristiques du produit :
• Noyau en barre/plaque robuste
• Nouvelle conception de barre Aero-flow pour une faible masse, une résistance et un flux d'air maximal à travers le noyau
• Finition noire satinée pour une protection contre la corrosion et les débris
• Boulons de montage encastrés triangulaires en haut et en bas (M8x1,25)
• Léger angle de 15 degrés pour les connexions (M22x1,5 femelle) avec réservoirs d'extrémité coniques moulés
• 609 mm de longueur x 54,6 mm de largeur x 146 mm de hauteur
Numéros de référence croisés
91110705101
Numéros de référence associés
Numéros associés, remplacés, de référence croisée ou alternatifs à des fins de comparaison.
8111
Le produit que vous consultez fait référence à ces numéros
- Porsche 911 1965-1968 2.0L / 912 SWB (F)
- Porsche 911 1968-1973 2.2L / 2.4L / 2.7L RS LWB (F)
- Porsche 911 1974-1977 2.7L / 1976-77 3.0 Carrera
- Porsche 911 1978-1983 3.0L / SC
- Porsche 911 1984-1986 3.2L
- Porsche 911 1987-1989 3.2L G50
- Porsche 911 1975-1977 3.0L Turbo (930)
- Porsche 911 1978-1989 3.3L Turbo (930)
-
carter 911 1970-73 101-05
-
lubrification moteur à partir de 911 à partir de 1973 104-25
-
carter gauche 911 1978-83 101-05
-
carter droit 911 1978-83 101-10
-
pompe à huile lubrification moteur 911 1978-83 104-00
-
bobine de radiateur de graissage moteur 911 1978-83 104-05
-
filtre à air 911 SC 1978-83 106-00
-
filtre à air 911 TURBO 1978-83 106-05
-
Système d'alimentation avant 911 1978-83 201-00
-
k-jetronic 911 SC 930.03/04, 930.05/06, 930.09/10, 930.13/15, 930.19 1978-83 107-10
-
k-jetronic I 911 TURBO 930.60/61, 930.62/66 1978-83 107-20
-
k-jetronic III 911 TURBO 1978-83 107-35
-
refroidisseur d'air de suralimentation 911 TURBO 1978-83 107-45
-
injection d'air 911 SC 1978-83 108-00
-
injection d'air 911 TURBO 1978-83 108-05
-
moteur soufflant 911 SC 1978-83 108-10
-
système d'échappement 911 SC 1978-83 202-00
-
carter d'engrenage, couvercle de transmission 1978-83 302-05
-
transmission suspension 911 1978-83 306-00
-
transmission de rechange, carter de transmission SPM - G 925/16 - 911 1978-83 308-00
-
stabilisateur de train avant 911 1978-83 401-00
-
commande de transmission 911 1978-83 701-00
-
pédales de commande d'accélérateur 911 1978-83 702-10
-
habillage extérieur avant 911 1978-83 801-30
-
Pare-chocs arrière 911 1978-83 802-05
-
couvercle avant 911 1978-83 803-00
-
couvercle arrière 911 1978-83 803-05
-
capote, collier, pièces détachées 911 1978-83 811-13
-
Mécanisme de montage et d'entraînement du compresseur YORK 911 1978-83 813-30
-
Mécanisme de montage et d'entraînement du compresseur NIPPONDENSO 911 TURBO 1978-83 813-35
-
accessoires ligne frigorifique condenseur et autres avant 911 1978-83 813-45
-
antivol de direction électrique moteur 911 1978-83 901-00
-
batterie, boîte à fusibles 911 1978-83 902-00
-
injection system cylinder head and injection pump 911 E/S UPTO 1971 and 911 911 T-E/E/S, CARRERA 2.7 1972 ONWARDS 107-20
-
Injection system with air cleaner and mixture control unit for 911 T-K 1972 ONWARDS 107-35
-
Conduites d'alimentation avec pompe à essence arrière pour 911 T/E/S à partir de 1971 et 911 TV / CARRERA 2.7 / 911 TK 1972 ONAWRDS 201-05
-
exhaust system for 911 T/E/S 1972 ONWARDS and 911 T-V, CARRERA 2.7, 911 T-K 1970-73 202-05
-
carter gauche 911 1987-89 101-05
-
carter droit 911 1987-89 101-10
-
conduites de pompe à huile de lubrification moteur 911 1987-89 104-00
-
refroidisseur d'huile de lubrification moteur 911 1987-89 104-05
-
filtre à air 911 TURBO 930.66/68 1987-89 106-05
-
support de tringlerie d'accélérateur 911 1987-89 107-12
-
K-JETRONIC I 911 TURBO 930.66/68 1987-89 107-20
-
K-JETRONIC III 911 TURBO 930.66/68 1987-89 107-35
-
refroidisseur d'air de suralimentation 911 TURBO 930.66/68 1987-89 107-45
-
injection d'air 911 CARRERA 930.26 1987-89 108-00
-
injection d'air 911 TURBO 930.66/68 1987-89 108-05
-
centre de refroidisseur d'huile de conception à nez plat modèle spécial 911 TURBO M506 à partir de 1988 180-10
-
carter de transmission de remplacement 911 1987-89 302-00
-
stabilisateur de train avant 911 1987-89 401-00
-
carter de transmission couvercle de transmission 911 1987-89 302-05
-
carter de pignon / couvercle de transmission 911 1987-89 302-07
-
tiges de changement de vitesse fourchettes de changement de vitesse pour 911 4 et 5 vitesses 1987-89 304-00
-
transmission suspension 911 1987-89 306-00
-
clutch release sportomatic for 911 T/E UPTO 1971 and 911 T-E/E/S, 911 T-V, CARRERA 2.7 1972 ONWARDS 301-15
-
Transmission cover transmission suspension chilled casting and die casting for 911 UPTO 1970 302-05
-
Carter de transmission de remplacement moulé sous pression pour 911 jusqu'à 1971 302-10
-
Transmission cover, transmission suspension, die casting for 911 1971 302-15
-
transmission cover and transmission suspension for sportomatic 911 T/E Upto 1971 307-05
-
transmission case TYP 905/21 sportomatic for 911 T-V 1972 ONWARDS 307-10
-
commande de transmission 911 TURBO 1987-88 701-00
-
carter de transmission sportomatic TYP 925 pour 911 TE/E/S et CARRERA 2.7 et 911 TK à partir de 1972 307-20
-
commande de transmission 911 CARRERA / TURBO 1987-89 701-01
-
Transmission cover, transmission suspension for sportomatic TYP 925 for 911 T-E/E/S, CARRERA 2.7 and 911T-K 1972 ONWARDS 307-25
-
aile avec coupelle en tôle pour réservoir 911 1978-89 valable jusqu'à : F >>91KS1 00958 COUPE, F >>91KS1 40341 TARGA,
>91KS1 50414 CABRIO, F >>93KS0 00184 COUPÉ, F >>93KS0 10067 TARGA, F >>93KS0 20083 CABRIO 801-30 -
aile avec godet plastique pour réservoir 911 1987-89 valable à partir de : F 91KS1 00959>> COUPE, F 91KS1 40342>> TARGA, F 91KS1 50415>> CABRIO, F 93KS0 00185>> COUPE, F 93KS0 10068>> TARGA, F 93KS0 20084>> CABRIO 801-31
-
pare-chocs avant 911 1987-89 802-00
-
pare-chocs arrière 911 1987-89 802-05
-
couvercle avant 911 1987-89 803-00
-
couvercle arrière 911 1987-89 803-05
-
Levier de vitesse commande transmission 4ème/5ème vitesse pour 911 année modèle -71/72- 701-00
-
encadrement de vitre de porte 911 COUPE 1987-89 804-15
-
Levier de vitesse commande transmission 4ème/5ème vitesse pour 911 année modèle 1973 701-05
-
Carter gauche 911 1984-86 101-05
-
Carter moteur droit 911 1984-86 101-10
-
Gearshift lever sportomatic 911 1970-73 SPM 701-10
-
Pedals for Left-Hand Drive cars with manual transmission 911 1970-73 702-00
-
Pedals for Left-Hand Drive cars 911 1970-73 SPM 702-10
-
Pedals for Right-Hand Drive cars 911 1970-73 SPM 702-15
-
Couvercle avant 911 1970-73 803-00
-
Couvercle arrière 911 1970-73 803-05
-
Door glass frame 911 1970-73 COUPE 804-20
-
Lignes de pompe à huile de lubrification moteur 911 1984-86 104-00
-
refroidisseur d'huile de lubrification moteur 911 1984-86 104-05
-
Filtre à air 911 TURBO 930.66/68 1984-86 106-05
-
Support de tringlerie d'accélérateur 911 1984-86 107-12
-
K-JETRONIC I 911 TURBO 930.66/68 1984-86 107-20
-
K-JETRONIC III 911 TURBO 930.66/68 1984-86 107-35
-
Refroidisseur d'air de suralimentation 911 1984-86 107-45
-
Injection d'air 911 CARRERA 930.26 (AUS) (CH) (S) 1984-86 108-00
-
Injection d'air 911 TURBO 930.66/68 1984-86 108-05
-
suspension de transmission SPM - G 925/16 - 911 1978-83 312-00
-
étrave de capote principale, cadre de toit, pièces détachées 911 CABRIO 1987-89 811-12
-
mécanisme d'entraînement de montage de compresseur 911 1987-89 813-20
-
accessoires lignes condenseur et autres avant 911 1987-89 813-45
-
accessoires lignes condenseur et autres ARRIERE 911 1987-89 813-55
-
modèle spécial flatnose design revêtement extérieur aile avant 911 TURBO M506 1988-89 880-20
-
electrique moteur - 1 - 911 TURBO 1987-89 901-00
-
electrique moteur - 2 - 911 CARRERA M30.20/25/26 1987-89 901-02
-
batterie, démarreur, générateur 911 1987-89 902-05
-
klaxon 911 1987-89 903-00
-
modèle spécial design flatnose système de lave-glace klaxon 911 TURBO M506 1988-89 980-20
-
carter d'engrenage, couvercle de transmission 911 1984-86 302-05
-
transmission suspension 911 1984-86 306-00
-
stabilisateur de train avant 911 1984-86 401-00
-
commande de transmission 911 1984-86 701-00
-
pédales de commande d'accélérateur 911 1984-86 702-10
-
pédales de commande d'accélérateur 911 1987-89 702-10
-
étrave de capote principale, cadre de toit, pièces détachées 911 1984-86 811-12
-
habillage extérieur avant 911 1984-86 801-30
-
pare-chocs avant 911 1984-86 802-00
-
pare-chocs arrière 911 1984-86 802-05
-
couvercle avant 911 1984-86 803-00
-
couvercle arrière 911 1984-86 803-05
-
Cadre de vitre de porte 911 COUPE 1984-86 804-15
-
Mécanisme de montage et d'entraînement du compresseur 911 1984-86 813-20
-
accessoires ligne frigorifique condenseur et autres avant 911 1984-86 813-45
-
Support de climatiseur pour compresseur pas pour (USA) 911 1970-73 813-60
-
Engine electrics 911 1970-73 901-00
-
battery 911 1970-73 902-00
-
Relais klaxon 911 1970-73 903-15
-
Carter moteur droit 911 1974-77 101-10
-
Engine lubrication 911 1974-77 104-00
-
lubrification moteur, serpentin de radiateur 911 1974-77 104-05
-
Air cleaner k-jetronic 911 1974-77 106-00
-
Mechanical injection right for Model 911/83 1974-77 107-25
-
Injection d'air 911 A PARTIR DE 1977 (JAPON) 108-00
-
Additional blower 911 1975 ONWARDS 108-10
-
Exhaust system K-JETRONIC 911.83 Cars 1974 ONWARDS 202-00
-
Exhaust system K-JETRONIC 1975 ONWARDS 202-10
-
Exhaust system K-JETRONIC 911 (CAL) 1975 ONWARDS / 911 (USA) 1974-77 / 911 (CDN) 1974-77 / 911 (J) 1977 ONWARDS 202-20
-
Transmission de remplacement, carter de transmission 911 1974-77 SPM 308-00
-
Front axle, stabiliser, steel auxiliary support 911 1974-77 401-00
-
Brake master cylinder for cars with brake booster 911 1977 ONWARDS 604-10
-
Commande de transmission 911 1974-77 701-00
-
Pedals for Left-Hand Drive Cars 911 1974-77 702-00
-
Pedals for Right-Hand Drive Cars 911 1974-77 702-05
-
Pedals for Left-hand Drive Cars 911 1974-77 SPM 702-15
-
Pedals for Right-hand Drive Cars 911 1974-77 SPM 702-20
-
aménagement intérieur arrière 911 1987-89 CABRIO / SPEEDSTER 807-07
-
aménagement intérieur arrière 911 1984-86 CABRIO 807-07
-
cadre de siège réglable manuellement 911 CARRERA A PARTIR DE 1985 808-26
-
Pedals for RIGHT-HAND DRIVE cars with manual transmission 911 1970-73 702-05
-
bumper front 911 1970-73 802-00
-
bumper rear 911 1970-73 802-05
-
Exterior panelling front 911 1974-77 801-30
-
bumper rear 911 1974-77 802-05
-
Couvercle avant 911 1974-77 803-00
-
couvercle arrière 911 1974-77 803-05
-
Door glass frame 911 1974-77 COUPE 804-15
-
Climatiseur, montage du mécanisme d'entraînement du compresseur 911 1974-77 813-45
-
Climatisation, conduites de condenseur avant 911 1974-77 813-55
-
engine electrics 911 1974-77 901-00
-
Battery mounting plate 911 1974-77 902-00
-
injection system cylinder head and injection pump for 911 E/S 1969 onwards 107-20
-
engine suspension rear not for (S) + (D) F 074 6700 >>, for (S) + (D) F 083 2814 >>. FOR 912 1966 onwards 109-10
-
exhaust system 911 1965-69 202-10
-
ligne d'échappement pour (D) + (S) pour 912 1965-69 202-15
-
exhaust system not for (D) + (S) for 912 1965-69 202-20
-
clutch release sportomatic for 911 L/S/TU UPTO 1968 and 911 T/E 1969 ONWARDS 301-15
-
couvercle de transmission, suspension de transmission, coulée en coquille et coulée sous pression 911 1965-69 302-05
-
transmission de remplacement, carter de transmission, moulage sous pression 911 à partir de 1969 302-10
-
couvercle de transmission, suspension de transmission, sportomatic 911 1965-69 307-05
-
transmission control 911 1965-69 701-00
-
pédales pour voitures à conduite à gauche avec transmission manuelle 911 1965-69 702-00
-
pédales pour voitures à conduite à droite avec transmission manuelle 911 1965-69 702-05
-
Pedals for Left-Hand Drive cars 911 1965-69 SPM 702-10
-
pedals for Right-Hand Drive Cars 911 1969 SPM 702-15
-
Pare-Choc Avant 911 JUSQU'A 1968 802-00
-
Bumper Front 911 1969 ONWARDS 802-05
-
Bumper Rear 911 UPTO 1968 802-10
-
Bumper Rear 911 1969 ONWARDS 802-15
-
Couvercle Avant 911 1965-69 803-00
-
couvercle arrière 911 1965-69 803-05
-
door glass frame 911 COUPE 1965-69 804-20
-
back seat 911 1965-69 808-10
-
roof 911 TARGA 1965-69 811-05
-
montage compresseur 911 E/S/T à partir de 1969 813-85
-
engine electrics 911 1965-69 901-00
-
mounting plate 911 1965-69 901-10
-
relais klaxon 911 1965-69 903-15
-
camshaft 912 1965-69 103-30
-
carter moteur droit 911 Turbo 1975-77 101-10
-
engine lubrication 911 TURBO 1975-77 104-00
-
graissage moteur, serpentin de radiateur 911 TURBO 1975-77 104-05
-
Mixture control unit, air cleaner 911 TURBO 1975-77 107-00
-
injection d'air 911 TURBO 1975-77 108-00
-
front axle, stabiliser, auxiliary support, light alloy 911 TURBO 1975-77 401-00
-
brake master cylinder for cars with brake booster 911 TURBO 1977 ONWARDS 604-10
-
transmission control 911 TURBO 1975-77 701-00
-
pedals for left-hand drive cars 911 TURBO 1975-77 702-00
-
pedals for right-hand drive cars 911 TURBO 1975-77 702-05
-
exterior panelling front 911 TURBO 1975-77 801-30
-
bumper rear 911 TURBO 1975-77 802-05
-
couvercle avant 911 TURBO 1975-77 803-00
-
couvercle arrière 911 TURBO 1975-77 803-05
-
door glass frame 911 TURBO 1975-77 804-15
-
climatiseur, compresseur, mécanisme d'entraînement, montage 911 TURBO 1975-77 813-45
-
climatiseur, condenseur, conduites avant 911 TURBO 1975-77 813-55
-
engine electrics 911 TURBO 1975-77 901-00
-
battery mounting plate 911 TURBO 1975-77 902-00
-
transmission cover, transmission suspension sportomatic TYP 905/21. for 911 T-V 1972 ONWARDS 307-15
-
electrique moteur - 1 - 911 TURBO 1984-86 901-00
-
electrique moteur - 2 - 911 CARRERA 1984-86 901-02
-
batterie, démarreur, générateur 911 1984-86 902-05
Refroidisseurs d'huile moteur, radiateurs et échangeurs de chaleur – Refroidissement de précision pour les performances Porsche
Le système de refroidissement d'huile moteur et d'échangeur de chaleur joue un rôle essentiel dans la gestion de la température du moteur de votre Porsche. En évacuant l'excès de chaleur de l'huile et des autres fluides, ces composants assurent des températures de fonctionnement stables, une lubrification constante et une longévité maximale du moteur, notamment dans des conditions de performance exigeantes.
Chez Design911, nous proposons une gamme complète de refroidisseurs d'huile moteur, de radiateurs et d'échangeurs de chaleur pour Porsche, anciens et récents. Fabriqués en aluminium haute performance ou en matériaux composites renforcés, ces composants sont conçus pour offrir des performances de refroidissement supérieures, une durabilité et un ajustement parfait, garantissant ainsi à votre Porsche des performances optimales, sur route comme sur circuit.
Qu'il s'agisse de remplacer une unité usée ou de procéder à une mise à niveau pour une meilleure efficacité thermique, nos composants de refroidissement d'huile offrent un contrôle fiable de la température et des performances améliorées.
À quoi servent les refroidisseurs d’huile moteur, les radiateurs et les échangeurs de chaleur ?
Ces composants régulent les températures de l’huile et du moteur pour maintenir des performances optimales et éviter la surchauffe.
Fonctions principales :
- Dissipe l’excès de chaleur de l’huile moteur, du liquide de refroidissement ou du liquide de transmission.
- Maintenez une viscosité d’huile constante et évitez les pannes sous charge.
- Protégez les composants internes du moteur contre l’usure et les pannes liées à la chaleur.
- Améliorez l'efficacité globale des performances lors de longs trajets ou de séances sur piste.
Ensemble, le refroidisseur d'huile, le radiateur et l'échangeur de chaleur forment un système de gestion thermique essentiel, aidant votre Porsche à fonctionner à des performances optimales tout en protégeant les composants vitaux.
Pourquoi les refroidisseurs d’huile et les échangeurs de chaleur tombent-ils en panne ?
Au fil du temps, l’exposition aux cycles de chaleur, aux vibrations et aux contaminants peut entraîner une perte d’efficacité ou une panne complète.
Les causes courantes d’échec comprennent :
- Corrosion ou fissures dues à l’âge ou à l’impact des débris de la route.
- Obstruction interne causée par des boues ou de l’huile contaminée.
- Fuites au niveau des joints ou des raccords , réduisant la pression et l'efficacité du fluide.
- Fatigue thermique , entraînant une réduction de la capacité de refroidissement.
- Mauvais entretien ou négligence du liquide de refroidissement, accélérant la détérioration.
Les symptômes de défaillance peuvent inclure des températures d’huile élevées, des fuites d’huile, une contamination du liquide de refroidissement ou des performances réduites du moteur, qui signalent tous la nécessité d’une inspection ou d’un remplacement.
Pourquoi remplacer les composants du refroidissement d’huile ?
Remplacer un refroidisseur d'huile, un radiateur ou un échangeur thermique usé ou présentant une fuite est essentiel pour préserver la qualité de la lubrification et éviter des dommages coûteux dus à la surchauffe. Nos composants, parfaitement ajustés et hautement durables, rétablissent un refroidissement optimal et une fiabilité optimale en toutes circonstances.
Principaux avantages :
- Rétablit une régulation efficace de la température de l'huile et des fluides.
- Empêche la surchauffe et l'usure du moteur.
- Améliore la fiabilité en cas de forte charge ou d'utilisation sur piste.
- Fabriqué à partir de matériaux résistants à la corrosion et hautes performances.
- Compatibilité directe avec les moteurs Porsche classiques et modernes.
- Idéal pour les reconstructions, l'entretien et les mises à niveau des performances.
La mise à niveau ou le remplacement des composants de votre système de refroidissement contribue à garantir que le moteur de votre Porsche reste efficace, durable et prêt pour une conduite dynamique.
Points forts:
- Gamme complète de refroidisseurs d'huile, de radiateurs et d'échangeurs de chaleur Porsche.
- Conçu avec précision pour un contrôle constant de la température.
- Fabriqué à partir de matériaux légers et résistants à la corrosion.
- Conçu pour la fiabilité dans les conditions de route et de sport automobile.
- Améliore la lubrification et protège les performances du moteur.
- Parfait pour l'entretien, les reconstructions ou les améliorations des performances.