Por favor, espere… 
Por favor, espere mientras procesamos su orden,
no presiones el botón para volver… 
Design 911 Design 911 supply Porsche parts, Porsche spares and Porsche accessories, to both retail and to the trade. Our Porsche product and accessory range includes brakes, exhausts, tyres, wheels and Porsche panels and interiors. https://design91.uk/images/schemaLogo.png https://design91.uk/images/schemaLogo.png +443456003478 https://design91.uk Facebook Instagram

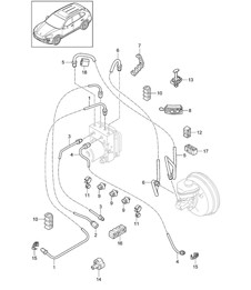
Tubos flexibles y conductos del freno

MOSTRANDO de 1 a 1 (de 1 productos)
Artículo de pedido especial
95535554210
Product Information
Product Information
Soporte de plástico que fija las líneas de freno a medida que salen de la bomba ABS.

Se adapta a:
Porsche 955 Cayenne 2003-06 - Modelos con volante a la derecha
Porsche 957 Cayenne 2007-10 - Modelos con volante a la derecha
Porsche 958 Cayenne 2011-18

Diagrama ref. 15.

Números de referencia relacionados
Números relacionados, reemplazados, de referencia cruzada o alternativos para comparación.

95535554210
95535554210

El producto que está viendo hace referencia cruzada a estos números
MOSTRANDO de 1 a 1 (de 1 productos)
También se ha encontrado en estas páginas
También te puede interesar
Modelos Populares