Por favor, espere… 
Por favor, espere mientras procesamos su orden,
no presiones el botón para volver… 
Design 911 Design 911 supply Porsche parts, Porsche spares and Porsche accessories, to both retail and to the trade. Our Porsche product and accessory range includes brakes, exhausts, tyres, wheels and Porsche panels and interiors. https://design91.uk/images/schemaLogo.png https://design91.uk/images/schemaLogo.png +443456003478 https://design91.uk Facebook Instagram

Mangueras de freno estándar

Filtrar por marca
MOSTRANDO de 1 a 5 (de 5 productos)
95002500
Product Information
Product Information
Líquido de frenos DOT 4 20Ltr Textar


textar

El líquido de frenos es uno de los líquidos más importantes de un automóvil, ya que sin él sería imposible detener el vehículo de forma segura. El líquido de frenos transmite la fuerza ejercida por el conductor sobre el pedal del freno al freno de la rueda.
Para garantizar un perfecto funcionamiento de los frenos, el líquido de frenos debe cambiarse periódicamente durante la inspección o el mantenimiento y comprobarse con el probador de líquido de frenos adecuado.

El líquido de frenos debe cambiarse cada dos años.

Cuanto mayor sea la clase DOT, mayor será la temperatura de ebullición y el punto de ebullición húmedo. Las clases DOT más altas tienden a permitir intervalos de mantenimiento más largos. Los estándares del DOT se basan en el estándar estadounidense FMVSS-116 del Departamento de Transporte (DOT).

Punto de ebullición y viscosidad

Punto de ebullición seco : describe la propiedad del líquido de frenos nuevo sellado. En este estado, el líquido de frenos es casi anhidro (sustancia que no contiene agua). El punto de ebullición seco suele estar entre 240 y 280°C.

Punto de ebullición húmedo
: determina las propiedades del líquido de frenos al final de su ciclo de vida; con un contenido de agua del 3,5%, el líquido debe reemplazarse. Este punto de ebullición húmedo definido no debe ser rebajado.

Viscosidad : describe el caudal del líquido de frenos. Cuanto menor es la viscosidad, más rápido fluye el líquido de frenos a través del sistema de frenos y más rápido se transmiten las señales de freno.

Notas importantes
• El líquido de frenos es venenoso y un desecho peligroso.
• Tenga cuidado al cambiar. El líquido debilita pinturas y plásticos.
• No debe entrar en contacto con los ojos o la piel. Enjuague siempre el líquido derramado con agua.
• No vierta el líquido en agua potable ni lo mezcle con aceite usado.
• El color del líquido de frenos no revela nada sobre su calidad.
• El líquido de frenos debe almacenarse en su embalaje original y en un lugar seco, fresco y bien ventilado.



Obtenga más información sobre la verificación de productos Textar aquí
Oferta especial
L040
Product Information
Product Information
Los discos de freno, pinzas, pastillas y bombas de freno son los cuatro puntos cardinales de cada sistema de frenos; sin embargo, es probable que sean inútiles sin el núcleo de todo el sistema: el líquido de frenos. Este componente está tan descuidado que generalmente se controla de forma sumaria, con un relleno en lugar de un reemplazo más adecuado, con la frecuencia de cambio recomendada por el fabricante.
brembo


PUNTO 4
Al tener un punto de ebullición extremadamente alto y una viscosidad menor que la requerida, cumple y supera ampliamente los estándares reglamentarios. También apto para vehículos con ABS.

Formación de bloqueo de vapor
Este tipo de hábito deja lugar al Vapor Lock, la formación de burbujas de vapor debido a la ebullición del líquido de frenos que reemplazan al líquido normal y se comprimen, enviando así el pedal del freno a su carrera de llenado (pedal esponjoso). El origen incide en la porosidad de los tubos que componen el circuito de frenado, que con el tiempo atraen humedad al fluido, reduciendo drásticamente el punto de ebullición. El resultado es una eficiencia de frenado reducida.

Líquido de frenos premium Brembo
Los líquidos de frenos Brembo Premium tienen un punto de ebullición más alto que el estándar, ofreciendo así una resistencia superior al Vapor Lock y asegurando la eficiencia de frenado incluso a bajas temperaturas. Con altas propiedades anticorrosión y resistencia a la oxidación, el líquido de frenos Brembo también permite mantener las características químicas y físicas del fluido en el circuito operativo inalteradas a largo plazo; por lo tanto, preservando su integridad.



Números de referencia relacionados
Números relacionados, reemplazados, de referencia cruzada o alternativos para comparación.

L040
00004320209
00004320366
00004321082
00004330552

El producto que está viendo hace referencia cruzada a estos números
95006
Product Information
Product Information

Líquido de frenos DOT 4 LV (Baja Viscosidad) Textar.

textar

Textar DOT 4 LV (Low Viscosity) está especialmente recomendado para su uso en sistemas hidráulicos de freno y embrague de vehículos equipados con ESP, ABS y ASR con un alto punto de ebullición y un excelente rendimiento a muy bajas temperaturas.

DOT 4 LV (baja viscosidad)
Punto de ebullición seco ≥ 260° C
Punto de ebullición húmedo ≥ 165° C
Viscosidad a -40C < 750 mm2 /s

El líquido de frenos es uno de los líquidos más importantes de un automóvil, ya que sin él sería imposible detener el vehículo de forma segura. El líquido de frenos transmite la fuerza ejercida por el conductor sobre el pedal del freno al freno de la rueda.
Para garantizar un perfecto funcionamiento de los frenos, el líquido de frenos debe cambiarse periódicamente durante la inspección o el mantenimiento y comprobarse con el probador de líquido de frenos adecuado.

El líquido de frenos debe cambiarse cada dos años.

Cuanto mayor sea la clase DOT, mayor será la temperatura de ebullición y el punto de ebullición húmedo. Las clases DOT más altas tienden a permitir intervalos de mantenimiento más largos. Los estándares del DOT se basan en el estándar estadounidense FMVSS-116 del Departamento de Transporte (DOT).

Punto de ebullición y viscosidad

Punto de ebullición seco : describe la propiedad del líquido de frenos nuevo sellado. En este estado, el líquido de frenos es casi anhidro (sustancia que no contiene agua). El punto de ebullición en seco suele estar entre 240 y 280°C.

Punto de ebullición húmedo : determina las propiedades del líquido de frenos al final de su ciclo de vida; con un contenido de agua del 3,5%, el líquido debe reemplazarse. Este punto de ebullición húmedo definido no debe ser rebajado. <

Viscosidad : describe el caudal del líquido de frenos. Cuanto menor es la viscosidad, más rápido fluye el líquido de frenos a través del sistema de frenos y más rápido se transmiten las señales de freno.

Notas importantes

• El líquido de frenos es venenoso y un desecho peligroso.
• Tenga cuidado al cambiar. El líquido debilita pinturas y plásticos.
• No debe entrar en contacto con los ojos o la piel. Enjuague siempre el líquido derramado con agua.
• No vierta el líquido en agua potable ni lo mezcle con aceite usado.
• El color del líquido de frenos no revela nada sobre su calidad.
• El líquido de frenos debe almacenarse en su embalaje original y en un lugar seco, fresco y bien ventilado.



Obtenga más información sobre la verificación de productos Textar aquí

Números de referencia relacionados
Números relacionados, reemplazados, de referencia cruzada o alternativos para comparación.

95006
00004330552
00004320366
00004321082
00004320209

El producto que está viendo hace referencia cruzada a estos números
95002
Product Information
Product Information
Líquido de frenos DOT 4

textar

El líquido de frenos es uno de los líquidos más importantes de un automóvil, ya que sin él sería imposible detener el vehículo de forma segura. El líquido de frenos transmite la fuerza ejercida por el conductor sobre el pedal del freno al freno de la rueda.

Para garantizar un perfecto funcionamiento de los frenos, el líquido de frenos debe cambiarse periódicamente durante la inspección o el mantenimiento y comprobarse con el probador de líquido de frenos adecuado.

El líquido de frenos debe cambiarse cada dos años.

Cuanto mayor sea la clase DOT, mayor será la temperatura de ebullición y el punto de ebullición húmedo. Las clases DOT más altas tienden a permitir intervalos de mantenimiento más largos. Los estándares del DOT se basan en el estándar estadounidense FMVSS-116 del Departamento de Transporte (DOT).

Punto de ebullición y viscosidad

Punto de ebullición seco : describe la propiedad del líquido de frenos nuevo sellado. En este estado, el líquido de frenos es casi anhidro (sustancia que no contiene agua). El punto de ebullición en seco suele estar entre 240 y 280°C.

Punto de ebullición húmedo : determina las propiedades del líquido de frenos al final de su ciclo de vida; con un contenido de agua del 3,5%, el líquido debe reemplazarse. Este punto de ebullición húmedo definido no debe ser rebajado.

Viscosidad : describe el caudal del líquido de frenos. Cuanto menor es la viscosidad, más rápido fluye el líquido de frenos a través del sistema de frenos y más rápido se transmiten las señales de freno.

Notas importantes
• El líquido de frenos es venenoso y un desecho peligroso.
• Tenga cuidado al cambiar. El líquido debilita pinturas y plásticos.
• No debe entrar en contacto con los ojos o la piel. Enjuague siempre el líquido derramado con agua.
• No vierta el líquido en agua potable ni lo mezcle con aceite usado.
• El color del líquido de frenos no revela nada sobre su calidad.
• El líquido de frenos debe almacenarse en su embalaje original y en un lugar seco, fresco y bien ventilado.

Obtenga más información sobre la verificación de productos Textar aquí

Números de referencia relacionados
Números relacionados, reemplazados, de referencia cruzada o alternativos para comparación.

95002
00004430501
00004321082
00004330552
00004320366
00004320209

El producto que está viendo hace referencia cruzada a estos números
Artículo de pedido especial
99735533101
Product Information
Product Information
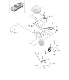
Clip de resorte de retención de la línea de freno
Vendidos cada uno

porsche

Se adapta a:
Porsche 986 Boxster 1997-04
Porsche 996 Carrera 1998-05
Porsche 996 Turbo / GT2
Porsche 996 GT3
Porsche 997 Carrera MKI y MKII 2005>>
Porsche 997 Turbo / GT2 2007>>
Porsche 987 Boxster MKI y MKII 2005>>
Porsche 987C Caimán MKI y MKII 2006>>


Números de referencia relacionados
Números relacionados, reemplazados, de referencia cruzada o alternativos para comparación.

99735533101
99735533100
99735533101

El producto que está viendo hace referencia cruzada a estos números
MOSTRANDO de 1 a 5 (de 5 productos)
También se ha encontrado en estas páginas
También te puede interesar
Modelos Populares