Introduzca aquí su número de identificación fiscal (NIF o VAT number) y haga clic en Verificar:
No necesita incluir el código de país de su NIF, dado que ya lo ha indicado antes en su dirección de facturación.
Se han verificado sus datos. NIF registrado a nombre de:
###NUEVO MÉJICO###,
.
Su pedido cuenta ahora con una tasa cero a efectos de IVA. Nos reservamos el derecho a verificar estos datos después de que haya solicitado su pedido y a restablecer el IVA si fuese necesario.
Sus datos de identificación fiscal no han sido reconocidos o no son válidos. Su NIF debe coincidir con el país de facturación que especificó anteriormente. Actualmente se ha especificado como . No necesita incluir el código de país de su NIF, do que ya lo ha indicado antes en los datos de su dirección de facturación.
El servicio de verificación de NIF no está disponible en este momento. Le rogamos que indique sus datos del NIF en los comentarios e en el cuadro de instrucciones especiales que encontrará abajo y le aplicaremos un descuento en el IVA tras realizar su solicitud de pedido.
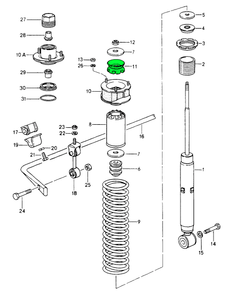
Piezas del amortiguador TRASERO


Porsche 964 1991>> (no Carrera RS)
Haga clic en 'Acercar' para ver el diagrama de piezas grandes.
Diagrama ref no 10
Números de referencia relacionados
Números relacionados, reemplazados, de referencia cruzada o alternativos para comparación.
96433305900
El producto que está viendo hace referencia cruzada a estos números
- Porsche 964 (911) C2 1989-93
- Porsche 964 (911) C4 1989-93
- Porsche 964 (911) TURBO 3.3L 1991-93
- Porsche 964 (911) TURBO 3.6L 1991-93
Este soporte está diseñado para proporcionar una correcta sujeción del rodamiento, una geometría de montaje adecuada y una construcción duradera de goma y metal para el conjunto del amortiguador trasero. Según la lista de piezas, se ajusta a la posición de montaje superior del amortiguador trasero.

Porsche 964 1991>> (no Carrera RS)
Diagrama ref. n.º 10
• Reemplazo de ajuste directo que coincide con las dimensiones y puntos de montaje del fabricante original.
• Diseñado para las características de carga y movimiento de la suspensión trasera, lo que garantiza una alineación precisa y una estabilidad de marcha óptima.
• Aplicación: Soporte de suspensión trasera, soporte de amortiguador/puntal superior, modelos Porsche 964.
El soporte del amortiguador trasero está sometido a las cargas de la carretera, la articulación de la suspensión, vibraciones y el desgaste de los rodamientos. Cuando el soporte se desgasta o el rodamiento falla, puede experimentar ruidos extraños, movimientos excesivos, desalineación de la suspensión trasera o una calidad de marcha deficiente. Reemplazar este soporte restaura la integridad del montaje, la correcta alineación de las ruedas y ayuda a mantener las características de conducción y manejo originales.
Números de referencia relacionados
Números relacionados, reemplazados, de referencia cruzada o alternativos para comparación.
96433305900
El producto que está viendo hace referencia cruzada a estos números
- Porsche 964 (911) C2 1989-93
- Porsche 964 (911) C4 1989-93
- Porsche 964 (911) TURBO 3.3L 1991-93
- Porsche 964 (911) TURBO 3.6L 1991-93

Encaja:
Porsche 964 >>1990
Haga clic en 'Acercar' para ver el diagrama de piezas grandes.
Diagrama ref no 10
Números de referencia relacionados
Números relacionados, reemplazados, de referencia cruzada o alternativos para comparación.
96433306404
El producto que está viendo hace referencia cruzada a estos números
- Porsche 964 (911) C2 1989-93
- Porsche 964 (911) C4 1989-93

Encaja:
Porsche 964 >>1990
Haga clic en 'Acercar' para ver el diagrama de piezas grandes.
Diagrama ref no 10
Números de referencia relacionados
Números relacionados, reemplazados, de referencia cruzada o alternativos para comparación.
96433306404
El producto que está viendo hace referencia cruzada a estos números
- Porsche 964 (911) C2 1989-93
- Porsche 964 (911) C4 1989-93
TRASERO

Encaja:
Porsche 964 >>1990
Haga clic en 'Acercar' para ver el diagrama de piezas grandes.
Diagrama ref no 4.
Números de referencia relacionados
Números relacionados, reemplazados, de referencia cruzada o alternativos para comparación.
92833355100
El producto que está viendo hace referencia cruzada a estos números
- Porsche 964 (911) C2 1989-93
- Porsche 964 (911) C4 1989-93
Trasero

Encaja:
Porsche 964 1989-94
Haga clic en 'Acercar' para ver un diagrama de piezas grandes.
Diagrama de referencia nº 2.
Números de referencia relacionados
Números relacionados, reemplazados, de referencia cruzada o alternativos para comparación.
96433351100
El producto que está viendo hace referencia cruzada a estos números
- Porsche 964 (911) C2 1989-93
- Porsche 964 (911) C4 1989-93
- Porsche 964 (911) RS 3.6L 1991-93
- Porsche 964 (911) RS 3.8L 1991-93
- Porsche 964 (911) TURBO 3.3L 1991-93
- Porsche 964 (911) TURBO 3.6L 1991-93
Trasero

Encaja:
Porsche 964 1989-94
Haga clic en 'Acercar' para ver un diagrama de piezas grandes.
Diagrama de referencia nº 2.
Números de referencia relacionados
Números relacionados, reemplazados, de referencia cruzada o alternativos para comparación.
96433351100
El producto que está viendo hace referencia cruzada a estos números
- Porsche 964 (911) C2 1989-93
- Porsche 964 (911) C4 1989-93
- Porsche 964 (911) RS 3.6L 1991-93
- Porsche 964 (911) RS 3.8L 1991-93
- Porsche 964 (911) TURBO 3.3L 1991-93
- Porsche 964 (911) TURBO 3.6L 1991-93

Encaja:
Porsche 964 >>1990
Haga clic en 'Acercar' para ver el diagrama de piezas grandes.
Diagrama ref no 11
Números de referencia relacionados
Números relacionados, reemplazados, de referencia cruzada o alternativos para comparación.
96433306903
El producto que está viendo hace referencia cruzada a estos números
- Porsche 964 (911) C2 1989-93
- Porsche 964 (911) C4 1989-93

Encaja:
Porsche 964 1991>>
Haga clic en 'Acercar' para ver el diagrama de piezas grandes.
Diagrama ref no 5
Números de referencia relacionados
Números relacionados, reemplazados, de referencia cruzada o alternativos para comparación.
96433310700
El producto que está viendo hace referencia cruzada a estos números
- Porsche 964 (911) C2 1989-93
- Porsche 964 (911) C4 1989-93
- Porsche 964 (911) RS 3.6L 1991-93
- Porsche 964 (911) RS 3.8L 1991-93
- Porsche 964 (911) TURBO 3.3L 1991-93
- Porsche 964 (911) TURBO 3.6L 1991-93

Con ciertas aplicaciones que utilizan nuestras placas de inclinación ajustables 964/993 (SR033/34) o soportes de monobola de amortiguador trasero (SR035/36), es posible que deba adaptar la parte superior del resorte (DI de 62 mm) utilizando nuestros sombreros de copa de resorte 964/993.
Disponible con orificio pasante de 12 mm o 14 mm.
Se vende como un juego de dos.
- Porsche 964 (911) C2 1989-93
- Porsche 964 (911) C4 1989-93
- Porsche 964 (911) RS 3.6L 1991-93
- Porsche 964 (911) RS 3.8L 1991-93
- Porsche 964 (911) TURBO 3.3L 1991-93
- Porsche 964 (911) TURBO 3.6L 1991-93
- Porsche 993 (911) C2 1994-97
- Porsche 993 (911) C4 1994-97
- Porsche 993 (911) RS 1994-97
- Porsche 993 (911) C2S 1994-97
- Porsche 993 (911) C4S 1994-97
- Porsche 993 (911) TURBO 1994-96
- Porsche 993 (911) GT2 1994-97
- Porsche 993 (911) TURBO S 1994-97
Porsche Shock Absorber Parts REAR
Keep the rear of your Porsche composed and refined with quality rear shock absorber parts from Design911. Our range includes rear top mounts, bump stops, dust covers and fitting hardware to support correct damper operation, reduce noise and harsh impacts, and help prevent premature shock wear. Whether you are fitting new rear dampers, refreshing a tired suspension or solving rear knocking noises, we supply parts for classic and modern Porsche models to help restore a secure, confidence-inspiring ride.