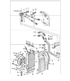
Depósito de aceite y piezas
Se adapta a:
Porsche 911 3,2 Carrera-1984 a 1989
El kit incluye
Tubo de aceite: termostato de aceite del motor
Tubo de aceite - Termostato de aceite al tanque de aceite
Diagrama Ref No 9 y 10
Números de referencia relacionados
Números relacionados, reemplazados, de referencia cruzada o alternativos para comparación.
OILPIPEKIT03
El producto que está viendo hace referencia cruzada a estos números
- Porsche 911 1984-1986 3.2L
- Porsche 911 1987-1989 3.2L G50
Se adapta a:
Gases de escape
Porsche 911 1978>>1989
Porsche 964 1989>>1994
Porsche 924S 1986>>1988
Porsche 944 1985>>1991
Porsche 928 S2 1983>>1986
Colector de admisión
Porsche 955 Cayenne 3.2L V6 2003>>2006
Diagrama Ref No 22
Números de referencia relacionados
Números relacionados, reemplazados, de referencia cruzada o alternativos para comparación.
034133335D
El producto que está viendo hace referencia cruzada a estos números
- Porsche 911 1978-1983 3.0L / SC
- Porsche 911 1984-1986 3.2L
- Porsche 911 1987-1989 3.2L G50
- Porsche 911 1975-1977 3.0L Turbo (930)
- Porsche 911 1978-1989 3.3L Turbo (930)
- Porsche 964 (911) C2 1989-93
- Porsche 964 (911) C4 1989-93
- Porsche 964 (911) RS 3.6L 1991-93
- Porsche 964 (911) RS 3.8L 1991-93
- Porsche 964 (911) TURBO 3.3L 1991-93
- Porsche 964 (911) TURBO 3.6L 1991-93
- Porsche 944 2.5L 8V 1982-87
- Porsche 944 2.7L 8V 1988-89
- Porsche 944S 2.5L 16V 1987-88
- Porsche 944S2 3.0L 16V 1989-91
- Porsche 944 Turbo 2.5L 8V 1985-88
- Porsche 944 Turbo 2.5L 8V 1989-91
- Porsche 944 Turbo S 2.5L 8V 1988
- Porsche 928S2 4.7L 1984-86

Encaja:
Porsche 911 2.7L / 3.0L (SC) y 3.2L 1974-89
Tenga en cuenta que los modelos anteriores al '78 pueden requerir un kit de adaptador de tanque de aceite, ya que puede variar del tanque original del automóvil.
Puede necesitar esto:
Gorra – 034133335D
Clip de manguera – PCG51219802
Cubre números viejos de Porsche OE:
91110700620, 91110700621, 91110700622, 91110700624, 91110700626, 91110700630,
Haga clic en la imagen para ver el diagrama de piezas grandes.
Diagrama Ref No 1.
Números de referencia relacionados
Números relacionados, reemplazados, de referencia cruzada o alternativos para comparación.
91110700631
El producto que está viendo hace referencia cruzada a estos números
- Porsche 911 1974-1977 2.7L / 1976-77 3.0 Carrera
- Porsche 911 1978-1983 3.0L / SC
- Porsche 911 1984-1986 3.2L
- Porsche 911 1987-1989 3.2L G50
Sólo para vehículos con caja de cambios manual

Se adapta a:
Porsche 911 (3,0 l-3,2 l) 08/1977-07/1989
Los datos del proveedor se ajustan a:
3.0L SC Carrera 07,1977-06,1980
3.0L SC Carrera 09,1979-06,1980
3.0L SC Carrera 03,1974-10,1983
3.0L SC 08.1980 - 07.1983
3.2L 08.1986 - 08.1989
3.2L SC Carrera 02.1984 - 06.1987
3.2L SC Carrera 08.1983 - 08.1989
Números de referencia relacionados
Números relacionados, reemplazados, de referencia cruzada o alternativos para comparación.
91110700631
El producto que está viendo hace referencia cruzada a estos números
- Porsche 911 1974-1977 2.7L / 1976-77 3.0 Carrera
- Porsche 911 1978-1983 3.0L / SC
- Porsche 911 1984-1986 3.2L
- Porsche 911 1987-1989 3.2L G50

Encaja:
Porsche 911 - 1972 a 1989
Porsche 911 turbo - 1975 a 1989
Haga clic en 'Acercar' para ver un diagrama de piezas grandes.
Diagrama de referencia nº 23
Números de referencia relacionados
Números relacionados, reemplazados, de referencia cruzada o alternativos para comparación.
99951209100
El producto que está viendo hace referencia cruzada a estos números
- Porsche 911 1968-1973 2.2L / 2.4L / 2.7L RS LWB (F)
- Porsche 911 1974-1977 2.7L / 1976-77 3.0 Carrera
- Porsche 911 1978-1983 3.0L / SC
- Porsche 911 1984-1986 3.2L
- Porsche 911 1987-1989 3.2L G50
- Porsche 911 1975-1977 3.0L Turbo (930)
- Porsche 911 1978-1989 3.3L Turbo (930)

Encaja:
Porsche 911 - 1972 a 1989
Porsche 911 turbo - 1975 a 1989
Haga clic en 'Acercar' para ver un diagrama de piezas grandes.
Diagrama de referencia nº 23
Números de referencia relacionados
Números relacionados, reemplazados, de referencia cruzada o alternativos para comparación.
99951209100
El producto que está viendo hace referencia cruzada a estos números
- Porsche 911 1968-1973 2.2L / 2.4L / 2.7L RS LWB (F)
- Porsche 911 1974-1977 2.7L / 1976-77 3.0 Carrera
- Porsche 911 1978-1983 3.0L / SC
- Porsche 911 1984-1986 3.2L
- Porsche 911 1987-1989 3.2L G50
- Porsche 911 1975-1977 3.0L Turbo (930)
- Porsche 911 1978-1989 3.3L Turbo (930)

Encaja:
Porsche 911 1978-89
Porsche 964 1989-94
Porsche 968 1992-95
Porsche 924S 1986-88
Porsche 944 2.7L 1989
Porsche 944 S2 3.0L 1989-91
Porsche 944 2.5L Turbo 1986-91
Porsche 944 2.5L Turbo S 1987-88
Porsche 928 S4/GT/GTS 1987-95
Haga clic en 'Acercar' para ver el diagrama de piezas grandes.
Diagrama ref no 11
Números de referencia relacionados
Números relacionados, reemplazados, de referencia cruzada o alternativos para comparación.
94410709101
El producto que está viendo hace referencia cruzada a estos números
- Porsche 911 1974-1977 2.7L / 1976-77 3.0 Carrera
- Porsche 911 1978-1983 3.0L / SC
- Porsche 911 1984-1986 3.2L
- Porsche 911 1987-1989 3.2L G50
- Porsche 911 1978-1989 3.3L Turbo (930)
- Porsche 964 (911) C2 1989-93
- Porsche 964 (911) C4 1989-93
- Porsche 964 (911) RS 3.6L 1991-93
- Porsche 964 (911) RS 3.8L 1991-93
- Porsche 964 (911) TURBO 3.3L 1991-93
- Porsche 964 (911) TURBO 3.6L 1991-93
- Porsche 924S 2.5L 1986-87
- Porsche 924S 2.5L 1988
- Porsche 944 2.7L 8V 1988-89
- Porsche 944S2 3.0L 16V 1989-91
- Porsche 944 Turbo 2.5L 8V 1985-88
- Porsche 944 Turbo 2.5L 8V 1989-91
- Porsche 944 Turbo S 2.5L 8V 1988
- Porsche 968 3.0L 1992-94
- Porsche 968 Sport 3.0L 1994-95
- Porsche 968 CS 3.0L 1993-95
- Porsche 968 Turbo S 3.0L 1993-94
- Porsche 928S4 5.0L 1987-92
- Porsche 928GT 5.0L 1989-91
- Porsche 928GTS 5.4L 1992-95

Encaja:
Porsche 911 SC 1974-83 SÓLO DEPORTIVO
Porsche 911 Turbo (3.3L) 09/1977-07/1989
Porsche 964 1989-94
Porsche 968 1992-95
Porsche 924S 1986-88
Porsche 944 2.7L 1989
Porsche 944 S2 3.0L 1989-91
Porsche 944 2.5L Turbo 1986-91
Porsche 944 2.5L Turbo S 1987-88
Porsche 928 S4 / GT / GTS 1987-95
Números de referencia relacionados
Números relacionados, reemplazados, de referencia cruzada o alternativos para comparación.
94410709101
El producto que está viendo hace referencia cruzada a estos números
- Porsche 911 1974-1977 2.7L / 1976-77 3.0 Carrera
- Porsche 911 1978-1983 3.0L / SC
- Porsche 911 1984-1986 3.2L
- Porsche 911 1987-1989 3.2L G50
- Porsche 911 1978-1989 3.3L Turbo (930)
- Porsche 964 (911) C2 1989-93
- Porsche 964 (911) C4 1989-93
- Porsche 964 (911) RS 3.6L 1991-93
- Porsche 964 (911) RS 3.8L 1991-93
- Porsche 964 (911) TURBO 3.3L 1991-93
- Porsche 964 (911) TURBO 3.6L 1991-93
- Porsche 924S 2.5L 1986-87
- Porsche 924S 2.5L 1988
- Porsche 944 2.7L 8V 1988-89
- Porsche 944S2 3.0L 16V 1989-91
- Porsche 944 Turbo 2.5L 8V 1985-88
- Porsche 944 Turbo 2.5L 8V 1989-91
- Porsche 944 Turbo S 2.5L 8V 1988
- Porsche 968 3.0L 1992-94
- Porsche 968 Sport 3.0L 1994-95
- Porsche 968 CS 3.0L 1993-95
- Porsche 968 Turbo S 3.0L 1993-94
- Porsche 928S4 5.0L 1987-92
- Porsche 928GT 5.0L 1989-91
- Porsche 928GTS 5.4L 1992-95

Encaja:
Porsche 911 / 930
Si ha cambiado el filtro de aceite de su 911, entonces sabe exactamente para qué sirve este producto. En el momento en que desenroscas el filtro de aceite del tanque de aceite, inmediatamente tienes un lío en tus manos... así como el riel del bastidor, el estaño del motor y los intercambiadores de calor. Atrapa ese aceite con esta bandeja de goteo y evita el desorden. Esta bandeja está contorneada específicamente para sentarse en el riel del bastidor y envolver la parte inferior del filtro de aceite. Incluso incorpora imanes para permanecer firmemente en su lugar mientras realiza el trabajo.
- Porsche 911 1965-1968 2.0L / 912 SWB (F)
- Porsche 911 1968-1973 2.2L / 2.4L / 2.7L RS LWB (F)
- Porsche 911 1974-1977 2.7L / 1976-77 3.0 Carrera
- Porsche 911 1978-1983 3.0L / SC
- Porsche 911 1984-1986 3.2L
- Porsche 911 1987-1989 3.2L G50
- Porsche 911 1975-1977 3.0L Turbo (930)
- Porsche 911 1978-1989 3.3L Turbo (930)

Se adapta a:
Porsche 911 3.0-3.3 1981-89
Haga clic en “Ampliar” para ver un diagrama de piezas grande.
Diagrama ref n° 10
Números de referencia relacionados
Números relacionados, reemplazados, de referencia cruzada o alternativos para comparación.
93010773101
El producto que está viendo hace referencia cruzada a estos números
- Porsche 911 1978-1983 3.0L / SC
- Porsche 911 1984-1986 3.2L
- Porsche 911 1987-1989 3.2L G50
- Porsche 911 1978-1989 3.3L Turbo (930)

Se adapta a:
Porsche 911 3.0-3.3 81-89
Haga clic en “Ampliar” para ver un diagrama de piezas grande.
Diagrama ref n° 10
Números de referencia relacionados
Números relacionados, reemplazados, de referencia cruzada o alternativos para comparación.
93010773101
El producto que está viendo hace referencia cruzada a estos números
- Porsche 911 1978-1983 3.0L / SC
- Porsche 911 1984-1986 3.2L
- Porsche 911 1987-1989 3.2L G50
- Porsche 911 1978-1989 3.3L Turbo (930)
Se adapta a:
Porsche 911 1965-89
Diagrama Ref No 4
Números de referencia relacionados
Números relacionados, reemplazados, de referencia cruzada o alternativos para comparación.
91420189100
El producto que está viendo hace referencia cruzada a estos números
- Porsche 911 1965-1968 2.0L / 912 SWB (F)
- Porsche 911 1968-1973 2.2L / 2.4L / 2.7L RS LWB (F)
- Porsche 911 1974-1977 2.7L / 1976-77 3.0 Carrera
- Porsche 911 1978-1983 3.0L / SC
- Porsche 911 1984-1986 3.2L
- Porsche 911 1987-1989 3.2L G50
- Porsche 911 1975-1977 3.0L Turbo (930)
- Porsche 911 1978-1989 3.3L Turbo (930)

Encaja:
Porsche 911 1974-89
Haga clic en 'acercar' para ver el diagrama de piezas grandes.
Diagrama ref no 2.
Números de referencia relacionados
Números relacionados, reemplazados, de referencia cruzada o alternativos para comparación.
91164154105
El producto que está viendo hace referencia cruzada a estos números
- Porsche 911 1974-1977 2.7L / 1976-77 3.0 Carrera
- Porsche 911 1978-1983 3.0L / SC
- Porsche 911 1984-1986 3.2L
- Porsche 911 1987-1989 3.2L G50
- Porsche 911 1975-1977 3.0L Turbo (930)
- Porsche 911 1978-1989 3.3L Turbo (930)

Se adapta a:
Porsche 911 1974-89
Haga clic en “Ampliar” para ver un diagrama de piezas grande.
Diagrama Ref No 2.
Números de referencia relacionados
Números relacionados, reemplazados, de referencia cruzada o alternativos para comparación.
91164154105
El producto que está viendo hace referencia cruzada a estos números
- Porsche 911 1974-1977 2.7L / 1976-77 3.0 Carrera
- Porsche 911 1978-1983 3.0L / SC
- Porsche 911 1984-1986 3.2L
- Porsche 911 1987-1989 3.2L G50
- Porsche 911 1975-1977 3.0L Turbo (930)
- Porsche 911 1978-1989 3.3L Turbo (930)

Encaja:
Porsche 911 1974-89
Haga clic en 'Acercar' para ver el diagrama de piezas grandes.
Diagrama Ref No 2.
Números de referencia relacionados
Números relacionados, reemplazados, de referencia cruzada o alternativos para comparación.
91164154105
El producto que está viendo hace referencia cruzada a estos números
- Porsche 911 1974-1977 2.7L / 1976-77 3.0 Carrera
- Porsche 911 1978-1983 3.0L / SC
- Porsche 911 1984-1986 3.2L
- Porsche 911 1987-1989 3.2L G50
- Porsche 911 1975-1977 3.0L Turbo (930)
- Porsche 911 1978-1989 3.3L Turbo (930)

Encaja:
Porsche 911 3.0L 1974-83
Porsche 911 3.2L 1984-89
Números de pieza de equipo original
- 91110773010
- 91110773011
Haga clic en 'Acercar' para ver el diagrama de piezas grandes.
Diagrama Ref No 17.
Números de referencia relacionados
Números relacionados, reemplazados, de referencia cruzada o alternativos para comparación.
91110773013
El producto que está viendo hace referencia cruzada a estos números
- Porsche 911 1974-1977 2.7L / 1976-77 3.0 Carrera
- Porsche 911 1978-1983 3.0L / SC
- Porsche 911 1984-1986 3.2L
- Porsche 911 1987-1989 3.2L G50
- Porsche 911 1975-1977 3.0L Turbo (930)
- Porsche 911 1978-1989 3.3L Turbo (930)
Tanques de aceite y piezas: almacenamiento de lubricación de precisión para el rendimiento de Porsche
El depósito de aceite del motor es un componente vital del sistema de lubricación por cárter seco de Porsche, diseñado para almacenar y gestionar el aceite por separado del cárter. A diferencia de las configuraciones tradicionales de cárter húmedo, este sistema garantiza una presión de aceite constante, una refrigeración eficiente y una lubricación superior en todas las condiciones de conducción, desde un uso intensivo en carretera hasta sesiones de alto rendimiento en circuito.
En Design911, ofrecemos una amplia gama de depósitos de aceite de motor, accesorios y componentes para modelos Porsche, tanto clásicos como modernos. Fabricados con aluminio de alta calidad, acero y materiales resistentes a la corrosión, nuestros productos están diseñados para ofrecer durabilidad, estabilidad térmica y una gestión óptima del aceite.
Ya sea que esté realizando el mantenimiento de un 911 refrigerado por aire o reparando un modelo GT contemporáneo, nuestros tanques de aceite y piezas garantizan la confiabilidad y el rendimiento que su motor merece.
¿Qué función cumplen los tanques y componentes de aceite?
El tanque de aceite funciona como depósito en un sistema de lubricación de cárter seco, lo que permite un flujo continuo de aceite al motor y al mismo tiempo evita la aireación o la falta de aceite durante aceleraciones bruscas, frenadas o curvas.
Funciones principales:
- Almacena y hace circular el aceite independientemente del bloque del motor.
- Mantiene la presión y la temperatura del aceite estables para una lubricación constante.
- Previene la falta de aceite durante la conducción de alto rendimiento.
- Ayuda a enfriar , ayudando a regular las temperaturas de funcionamiento.
- Separa el aire y el aceite , evitando la formación de espuma y la pérdida de presión.
Los componentes de soporte, como accesorios de tanques de aceite, tapas, mangueras y soportes, garantizan un flujo seguro, sellado e integridad del rendimiento en todo el circuito de lubricación.
¿Por qué fallan los tanques de aceite y sus piezas?
Con el tiempo, la exposición al calor, la presión y la vibración pueden provocar que el tanque de aceite y sus componentes asociados se degraden o tengan fugas, comprometiendo el sistema de lubricación.
Las causas comunes de falla incluyen:
- Corrosión o contaminación interna por acumulación de humedad o lodos.
- Grietas o perforaciones causadas por vibración o impacto.
- Fugas de aceite por sellos, tapas o conexiones dañadas.
- Bloqueos en las líneas de alimentación o de respiración que afectan la circulación del aceite.
- Estrés térmico , que provoca fatiga o deformación del material.
Los síntomas típicos incluyen fugas de aceite, presión de aceite fluctuante, sobrecalentamiento o ruido inusual en el motor, todos ellos señales de que se requiere inspección o reemplazo.
¿Por qué reemplazar los componentes del tanque de aceite?
Reemplazar un depósito de aceite desgastado o con fugas garantiza que el sistema de lubricación de su Porsche se mantenga eficiente y protegido. Nuestros depósitos de aceite y accesorios, diseñados con precisión, ofrecen durabilidad, sellado y rendimiento superiores bajo altas exigencias.
Beneficios clave:
- Restablece la presión y circulación estable del aceite.
- Previene fugas y contaminación.
- Mejora la eficiencia y la consistencia del enfriamiento del aceite.
- Construido con materiales resistentes a la corrosión y estables al calor.
- Compatibilidad directa con una amplia gama de motores Porsche.
- Ideal para restauraciones, reconstrucciones y aplicaciones de alto rendimiento.
Un sistema de tanque de aceite mantenido adecuadamente es esencial para garantizar la longevidad y confiabilidad del motor, particularmente en el uso de alto rendimiento y en deportes de motor.
Reflejos:
- Depósitos de aceite Porsche diseñados con precisión y componentes asociados.
- Diseñado para un control constante de la presión y temperatura del aceite.
- Materiales duraderos resistentes al calor y a la corrosión.
- Soluciones de ajuste directo para modelos 911, Cayman, Boxster, GT y más.
- Perfecto para reconstrucciones, restauraciones y mejoras de rendimiento.
- Garantiza una lubricación óptima y la fiabilidad del motor.