Cojinetes y kits para la rueda
TRASERO EXTERIOR

Encaja:
Porsche 911 Turbo (930) 3.0L 1975-77
Porsche 911 Turbo (930) 3.3L 1978-89
Haga clic en 'Acercar' para ver el diagrama de piezas grandes.
Diagrama Ref No 8.
Números de referencia relacionados
Números relacionados, reemplazados, de referencia cruzada o alternativos para comparación.
99905905600
El producto que está viendo hace referencia cruzada a estos números
- Porsche 911 1975-1977 3.0L Turbo (930)
- Porsche 911 1978-1989 3.3L Turbo (930)
Se vende por unidad (se requieren 2 por vehículo)
Se adapta a:
Porsche 911 2.0-2.7 01/63-07/73
Porsche 912 1.6 01/65-02/70
Porsche 914/6 2.0 11/69-12/73
Diagrama ref n° 35
Números de referencia relacionados
Números relacionados, reemplazados, de referencia cruzada o alternativos para comparación.
90134166301
El producto que está viendo hace referencia cruzada a estos números
- Porsche 911 1965-1968 2.0L / 912 SWB (F)
- Porsche 911 1968-1973 2.2L / 2.4L / 2.7L RS LWB (F)
- Porsche 914 (1970-1976)
Se adapta a:
Porsche 356 C 1.6 01/63-12/65
Porsche 911 1965-89
Porsche 930 (911) 1974-89
Porsche 914-6 1970-76
Porsche 924 S 1986-88
Porsche 924 Turbo 1979-84
Porsche 944 1982-86
Haga clic en “Ampliar” para ver un diagrama de piezas grande.
Diagrama Ref No 27,28 y 29.
Números de referencia relacionados
Números relacionados, reemplazados, de referencia cruzada o alternativos para comparación.
99905906500
El producto que está viendo hace referencia cruzada a estos números
- Porsche 911 1965-1968 2.0L / 912 SWB (F)
- Porsche 911 1968-1973 2.2L / 2.4L / 2.7L RS LWB (F)
- Porsche 911 1974-1977 2.7L / 1976-77 3.0 Carrera
- Porsche 911 1978-1983 3.0L / SC
- Porsche 911 1984-1986 3.2L
- Porsche 911 1987-1989 3.2L G50
- Porsche 911 1975-1977 3.0L Turbo (930)
- Porsche 911 1978-1989 3.3L Turbo (930)
- Porsche 924 Turbo 2.0L 1979-81
- Porsche 924 Turbo 2.0L 1982-84
- Porsche 924S 2.5L 1986-87
- Porsche 924S 2.5L 1988
- Porsche 944 2.5L 8V 1982-87
- Porsche 356C 1963-65
- Porsche 914 (1970-1976)
Se adapta a:
Porsche 356 C 1.6 01/63-12/65
Porsche 911 2.0-3.3 01/63-07/89
Porsche 912 1.6 01/65-02/70
Porsche 914-6 2.0 11/69-12/73
Porsche 924 S 2.5 08/85-07/88
Porsche 924 Turbo 2,0 06/80-10/86
Porsche 944 2.5-3.0 06/81-07/91
Diagrama Ref No 28
Números de referencia relacionados
Números relacionados, reemplazados, de referencia cruzada o alternativos para comparación.
99905906500
El producto que está viendo hace referencia cruzada a estos números
- Porsche 911 1965-1968 2.0L / 912 SWB (F)
- Porsche 911 1968-1973 2.2L / 2.4L / 2.7L RS LWB (F)
- Porsche 911 1974-1977 2.7L / 1976-77 3.0 Carrera
- Porsche 911 1978-1983 3.0L / SC
- Porsche 911 1984-1986 3.2L
- Porsche 911 1987-1989 3.2L G50
- Porsche 911 1975-1977 3.0L Turbo (930)
- Porsche 911 1978-1989 3.3L Turbo (930)
- Porsche 924 Turbo 2.0L 1979-81
- Porsche 924 Turbo 2.0L 1982-84
- Porsche 924S 2.5L 1986-87
- Porsche 924S 2.5L 1988
- Porsche 944 2.5L 8V 1982-87
- Porsche 356C 1963-65
- Porsche 914 (1970-1976)

Se adapta a:
Porsche 356 C 1.6 01/63-12/65
Porsche 911 2.0-3.3 01/63-07/89
Porsche 912 1.6 01/65-02/70
Porsche 914-6 2.0 11/69-12/73
Porsche 924 S 2.5 08/85-07/88
Porsche 924 Turbo 2,0 06/80-10/86
Porsche 944 2.5-3.0 06/81-07/91
Haga clic en “Ampliar” para ver un diagrama de piezas grande.
Diagrama Ref No 28
Números de referencia relacionados
Números relacionados, reemplazados, de referencia cruzada o alternativos para comparación.
99905906500
El producto que está viendo hace referencia cruzada a estos números
- Porsche 911 1965-1968 2.0L / 912 SWB (F)
- Porsche 911 1968-1973 2.2L / 2.4L / 2.7L RS LWB (F)
- Porsche 911 1974-1977 2.7L / 1976-77 3.0 Carrera
- Porsche 911 1978-1983 3.0L / SC
- Porsche 911 1984-1986 3.2L
- Porsche 911 1987-1989 3.2L G50
- Porsche 911 1975-1977 3.0L Turbo (930)
- Porsche 911 1978-1989 3.3L Turbo (930)
- Porsche 924 Turbo 2.0L 1979-81
- Porsche 924 Turbo 2.0L 1982-84
- Porsche 924S 2.5L 1986-87
- Porsche 924S 2.5L 1988
- Porsche 944 2.5L 8V 1982-87
- Porsche 356C 1963-65
- Porsche 914 (1970-1976)
Peso 920 g
Diámetro exterior 80 mm
Ancho 42 mm
Se adapta a:
Porsche 911 1974-89 (no Turbo) TRASERO
Porsche 944 1985-91 TRASERO
Porsche 968 1992-95 TRASERO
Tenga en cuenta: se recomienda reemplazar la tuerca del cubo, ya que es un elemento de un solo uso.
Por favor, revise atentamente los detalles del vehículo en las opciones "También te puede gustar" en la Cesta.
Números de referencia relacionados
Números relacionados, reemplazados, de referencia cruzada o alternativos para comparación.
99905302001
El producto que está viendo hace referencia cruzada a estos números
- Porsche 911 1974-1977 2.7L / 1976-77 3.0 Carrera
- Porsche 911 1978-1983 3.0L / SC
- Porsche 911 1984-1986 3.2L
- Porsche 911 1987-1989 3.2L G50
- Porsche 944 2.5L 8V 1982-87
- Porsche 944 2.7L 8V 1988-89
- Porsche 944S 2.5L 16V 1987-88
- Porsche 944S2 3.0L 16V 1989-91
- Porsche 944 Turbo 2.5L 8V 1985-88
- Porsche 944 Turbo 2.5L 8V 1989-91
- Porsche 944 Turbo S 2.5L 8V 1988
- Porsche 968 3.0L 1992-94
- Porsche 968 Sport 3.0L 1994-95
- Porsche 968 CS 3.0L 1993-95
- Porsche 968 Turbo S 3.0L 1993-94
Peso 920 g
Diámetro exterior 80 mm
Ancho 42 mm
Se adapta a:
Porsche 911 1974-89 (no Turbo) TRASERO
Porsche 944 1985-91 TRASERO
Porsche 968 1992-95 TRASERO
Tenga en cuenta: se recomienda reemplazar la tuerca del cubo, ya que es un elemento de un solo uso.
Diagrama Ref No 7Números de referencia relacionados
Números relacionados, reemplazados, de referencia cruzada o alternativos para comparación.
99905302001
El producto que está viendo hace referencia cruzada a estos números
- Porsche 911 1974-1977 2.7L / 1976-77 3.0 Carrera
- Porsche 911 1978-1983 3.0L / SC
- Porsche 911 1984-1986 3.2L
- Porsche 911 1987-1989 3.2L G50
- Porsche 944 2.5L 8V 1982-87
- Porsche 944 2.7L 8V 1988-89
- Porsche 944S 2.5L 16V 1987-88
- Porsche 944S2 3.0L 16V 1989-91
- Porsche 944 Turbo 2.5L 8V 1985-88
- Porsche 944 Turbo 2.5L 8V 1989-91
- Porsche 944 Turbo S 2.5L 8V 1988
- Porsche 968 3.0L 1992-94
- Porsche 968 Sport 3.0L 1994-95
- Porsche 968 CS 3.0L 1993-95
- Porsche 968 Turbo S 3.0L 1993-94
Se requieren 2. El precio es por CADA UNO.
Se adapta a:
Porsche 911 1969-73
Porsche 914 1970-76
Diagrama ref. n.º 6
Números de referencia relacionados
Números relacionados, reemplazados, de referencia cruzada o alternativos para comparación.
99905303400
El producto que está viendo hace referencia cruzada a estos números
- Porsche 911 1965-1968 2.0L / 912 SWB (F)
- Porsche 911 1968-1973 2.2L / 2.4L / 2.7L RS LWB (F)
Se requieren 2. El precio es por CADA UNO.
Se adapta a:
Porsche 911 1969-73
Porsche 914 1970-76
Diagrama ref. n.º 6
Números de referencia relacionados
Números relacionados, reemplazados, de referencia cruzada o alternativos para comparación.
99905303500
El producto que está viendo hace referencia cruzada a estos números
- Porsche 911 1965-1968 2.0L / 912 SWB (F)
- Porsche 911 1968-1973 2.2L / 2.4L / 2.7L RS LWB (F)
El rodamiento de rueda es un componente fundamental del conjunto de ruedas, ya que permite que las ruedas giren de forma suave y eficiente, manteniendo la estabilidad y el soporte de carga del vehículo. Los rodamientos de rueda son esenciales para reducir la fricción y el desgaste en el conjunto de cubo y eje de rueda. Este rodamiento ayuda a absorber las fuerzas radiales y axiales, permitiendo al mismo tiempo una rotación suave de la rueda. Son clave para mantener la maniobrabilidad, el rendimiento y la seguridad del vehículo.

Se adapta a:
Porsche 911 1969-73
Porsche 914 1970-76
Síntomas comunes de un rodamiento de rueda desgastado. Si el rodamiento de rueda falla o está desgastado, podría notar síntomas como un zumbido o un gruñido al conducir, especialmente a altas velocidades. También preste atención a vibraciones o sacudidas en el volante o el asiento. Un desgaste desigual de los neumáticos o una diferencia notable en el manejo, con el auto desviándose hacia un lado, también preste atención a un chirrido en el área de la rueda al girar o al conducir con carga.
Especificaciones técnicas Diámetro interior: 42 mm Diámetro exterior: 75 mm Ancho: 37 mm
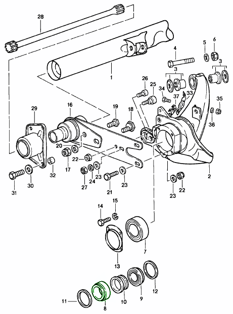
Haga clic en “Ampliar” para ver el diagrama de piezas grande.
Diagrama ref. n.º 6
Números de referencia relacionados
Números relacionados, reemplazados, de referencia cruzada o alternativos para comparación.
99905304104
El producto que está viendo hace referencia cruzada a estos números
- Porsche 911 1965-1968 2.0L / 912 SWB (F)
- Porsche 911 1968-1973 2.2L / 2.4L / 2.7L RS LWB (F)

Encaja:
Porsche 911 (1965 a 1989)
Porsche 914 (1970 a 1976)
Conjunto compuesto por:
Rodamiento de rodillos cónicos 4x,
tornillo hexagonal 10x,
tuerca hexagonal 10x,
2 anillos espaciadores,
2x anillo de sellado radial,
2 juntas tóricas,
10 arandelas elásticas,
1x tubo de grasa.
Números de referencia relacionados
Números relacionados, reemplazados, de referencia cruzada o alternativos para comparación.
PCG05906500
El producto que está viendo hace referencia cruzada a estos números
- Porsche 911 1965-1968 2.0L / 912 SWB (F)
- Porsche 911 1968-1973 2.2L / 2.4L / 2.7L RS LWB (F)
- Porsche 911 1974-1977 2.7L / 1976-77 3.0 Carrera
- Porsche 911 1978-1983 3.0L / SC
- Porsche 911 1984-1986 3.2L
- Porsche 911 1987-1989 3.2L G50
- Porsche 911 1975-1977 3.0L Turbo (930)
- Porsche 911 1978-1989 3.3L Turbo (930)
- Porsche 914 (1970-1976)

2 juegos requeridos por coche
Encaja:
Porsche 911 Turbo (1975 - 1989)
Porsche 911 Carrera (1984 - 1989) M491 Turbo Mira solo
Haga clic en 'Acercar' para ver el diagrama de piezas grandes.
Diagrama ref no 7A, 7B, 7C, 7D, 7E, 24 y 25
Números de referencia relacionados
Números relacionados, reemplazados, de referencia cruzada o alternativos para comparación.
PCG93005900
El producto que está viendo hace referencia cruzada a estos números
- Porsche 911 1984-1986 3.2L
- Porsche 911 1987-1989 3.2L G50
- Porsche 911 1975-1977 3.0L Turbo (930)
- Porsche 911 1978-1989 3.3L Turbo (930)

Se adapta a:
Porsche 911 Turbo (930) 3.0L 1975-77
Porsche 911 Turbo (930) 3.3L 1978-89
Haga clic en la imagen para ver el diagrama de piezas grande.
Diagrama Ref No 10.
Números de referencia relacionados
Números relacionados, reemplazados, de referencia cruzada o alternativos para comparación.
93033160901
El producto que está viendo hace referencia cruzada a estos números
- Porsche 911 1975-1977 3.0L Turbo (930)
- Porsche 911 1978-1989 3.3L Turbo (930)

Se adapta a:
Porsche 911 Turbo (930) 3.0L 1975-77
Porsche 911 Turbo (930) 3.3L 1978-89
Haga clic en la imagen para ver el diagrama de piezas grande.
Diagrama Ref No 10.
Números de referencia relacionados
Números relacionados, reemplazados, de referencia cruzada o alternativos para comparación.
93033160901
El producto que está viendo hace referencia cruzada a estos números
- Porsche 911 1975-1977 3.0L Turbo (930)
- Porsche 911 1978-1989 3.3L Turbo (930)
Se vende por unidad (se requieren 2 por vehículo)
Se adapta a:
Porsche 911 1965-89
Porsche 912 1965-69 / 912 1976
Porsche 930 1978-79 / 930 1989
Porsche 914 1970-76
Diagrama ref n° 29
Números de referencia relacionados
Números relacionados, reemplazados, de referencia cruzada o alternativos para comparación.
90134162300
El producto que está viendo hace referencia cruzada a estos números
- Porsche 911 1965-1968 2.0L / 912 SWB (F)
- Porsche 911 1968-1973 2.2L / 2.4L / 2.7L RS LWB (F)
- Porsche 911 1974-1977 2.7L / 1976-77 3.0 Carrera
- Porsche 911 1978-1983 3.0L / SC
- Porsche 911 1984-1986 3.2L
- Porsche 911 1987-1989 3.2L G50
- Porsche 911 1975-1977 3.0L Turbo (930)
- Porsche 911 1978-1989 3.3L Turbo (930)
- Porsche 914 (1970-1976)
- Porsche 912E 4CYL 1976
Se vende por unidad (se requieren 2 por vehículo)
Se adapta a:
Porsche 911 1965-89
Porsche 912 1965-69 / 912 1976
Porsche 930 1978-79 / 930 1989
Porsche 914 1970-76
Diagrama ref n° 29
Números de referencia relacionados
Números relacionados, reemplazados, de referencia cruzada o alternativos para comparación.
90134162300
El producto que está viendo hace referencia cruzada a estos números
- Porsche 911 1965-1968 2.0L / 912 SWB (F)
- Porsche 911 1968-1973 2.2L / 2.4L / 2.7L RS LWB (F)
- Porsche 911 1974-1977 2.7L / 1976-77 3.0 Carrera
- Porsche 911 1978-1983 3.0L / SC
- Porsche 911 1984-1986 3.2L
- Porsche 911 1987-1989 3.2L G50
- Porsche 911 1975-1977 3.0L Turbo (930)
- Porsche 911 1978-1989 3.3L Turbo (930)
- Porsche 914 (1970-1976)
- Porsche 912E 4CYL 1976
Rodamientos y kits de ruedas Porsche | Componentes de suspensión Design911 para una rotación suave, precisión y seguridad
Los rodamientos de rueda son componentes esenciales del conjunto de suspensión y eje de su Porsche, ya que garantizan una rotación suave y sin fricción. Soportan el peso del vehículo y permiten que las ruedas giren con precisión y silencio a altas velocidades. Un buen funcionamiento de los rodamientos contribuye a la estabilidad, la comodidad de conducción y un manejo predecible, esenciales para mantener el rendimiento y la seguridad característicos de su Porsche.
En Design911, ofrecemos una selección completa de rodamientos y kits de rodamientos para ruedas, diseñados para un ajuste preciso, resistencia y durabilidad. Cada juego de rodamientos está fabricado con materiales de primera calidad y diseñado para satisfacer las exigencias de alto rendimiento de los modelos Porsche clásicos y modernos. Ya sea para mantenimiento rutinario, mejoras de rendimiento o una restauración completa, nuestra gama garantiza que su Porsche disfrute de una conducción silenciosa, estable y segura.
¿Qué hacen los cojinetes de las ruedas?
Los cojinetes de rueda permiten que las ruedas giren suavemente alrededor del cubo mientras soportan cargas verticales y laterales.
Funciones principales:
• Permite una rotación libre y precisa de la rueda con una fricción mínima.
• Soporta el peso del vehículo manteniendo la alineación de las ruedas.
• Reduce la vibración, el ruido y la resistencia a la rodadura.
• Mejora la estabilidad en las curvas y el rendimiento de frenado.
• Protege los componentes de la suspensión y del cubo del desgaste excesivo.
Los cojinetes de alta calidad garantizan un funcionamiento silencioso y un rendimiento suave, proporcionando la dinámica de conducción segura y ágil que exigen los conductores de Porsche.
¿Por qué fallan o se degradan los cojinetes de las ruedas?
Los cojinetes de las ruedas funcionan bajo altas cargas, temperaturas y tensiones rotacionales, lo que eventualmente provoca desgaste o daños.
Las causas comunes de falla incluyen:
• Contaminación por agua, suciedad o residuos de la carretera.
• Pérdida de lubricación o degradación de la grasa.
• Corrosión o picaduras en las pistas de los cojinetes.
• Daños por impacto de baches o bordillos.
• Desgaste debido al paso del tiempo o par de instalación inadecuado.
Cuando fallan los cojinetes de las ruedas, los síntomas pueden incluir zumbidos, vibración, juego de las ruedas o desgaste desigual de los neumáticos, todo lo cual reduce la precisión de manejo y la seguridad al conducir.
¿Por qué reemplazar o actualizar los cojinetes de las ruedas de su Porsche?
Reemplazar los rodamientos de rueda desgastados restaura un funcionamiento suave y silencioso, y garantiza una conducción estable y predecible. Los kits de rodamientos mejorados ofrecen mayor durabilidad para vehículos de alto rendimiento o de pista.
Beneficios clave:
• Elimina la vibración, el juego de las ruedas y el ruido.
• Restaura la dirección precisa y la estabilidad de la suspensión.
• Mejora la seguridad, el agarre y la confianza en las curvas.
• Disponible como kits completos de cojinetes delanteros o traseros para modelos Porsche.
• Compatible con Porsche 911, 944, 968, Boxster, Cayman, Cayenne, Panamera y Macan.
• Ideal para mantenimiento, restauraciones o actualizaciones de alto rendimiento.
Los cojinetes y kits de ruedas Porsche de Design911 están diseñados para brindar precisión, durabilidad y rendimiento, lo que garantiza que su Porsche funcione tan suave y estable como el día que salió de la línea de ensamblaje.
Reflejos
• Cojinetes de rueda Porsche de primera calidad y kits de cojinetes completos.
• Diseñado con precisión para una rotación silenciosa y sin fricción.
• Restaura el manejo, la precisión de la dirección y la comodidad de conducción.
• Fabricado con materiales de alta resistencia y resistentes al desgaste.
• Adecuado para modelos Porsche clásicos y modernos.
• Perfecto para mantenimiento, ajuste de rendimiento o restauraciones completas.