Introduzca aquí su número de identificación fiscal (NIF o VAT number) y haga clic en Verificar:
No necesita incluir el código de país de su NIF, dado que ya lo ha indicado antes en su dirección de facturación.
Se han verificado sus datos. NIF registrado a nombre de:
###NUEVO MÉJICO###,
.
Su pedido cuenta ahora con una tasa cero a efectos de IVA. Nos reservamos el derecho a verificar estos datos después de que haya solicitado su pedido y a restablecer el IVA si fuese necesario.
Sus datos de identificación fiscal no han sido reconocidos o no son válidos. Su NIF debe coincidir con el país de facturación que especificó anteriormente. Actualmente se ha especificado como . No necesita incluir el código de país de su NIF, do que ya lo ha indicado antes en los datos de su dirección de facturación.
El servicio de verificación de NIF no está disponible en este momento. Le rogamos que indique sus datos del NIF en los comentarios e en el cuadro de instrucciones especiales que encontrará abajo y le aplicaremos un descuento en el IVA tras realizar su solicitud de pedido.
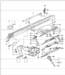
El perno hexagonal M6 x 16 para cerradura de tapa es un perno de fijación con especificaciones OEM, diseñado para asegurar el mecanismo de cierre/pestillo de la tapa en los modelos Porsche 911. Este perno M6 tiene una longitud de 16 mm y se utiliza para montar o sujetar componentes del sistema de cierre de la tapa, garantizando una alineación correcta, una fijación segura y un funcionamiento fiable.
Se adapta a:
- Porsche 911 1965-1968 2.0L / 912 SWB (F)
- Porsche 911 1968-1973 2.2L / 2.4L / 2.7L RS LWB (F)
- Porsche 911 1974-1977 2.7L / 1976-77 3.0 Carrera
- Porsche 911 1978-1983 3.0L/SC
- Porsche 911 1984-1986 3.2L
- Porsche 911 1987-1989 3.2L G50
- Porsche 911 1975-1977 3.0L Turbo (930)
- Porsche 911 1978-1989 3.3L Turbo (930)
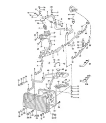
Diagrama Ref No 16
Este tipo de sujetadores son fundamentales para el correcto funcionamiento de los conjuntos de cierre del capó, el maletero o la tapa del motor, donde una fuerza de sujeción constante y la resistencia a las vibraciones son esenciales. Con el tiempo, los pernos de cierre de la tapa pueden corroerse, desgastarse, faltar o dañarse durante las reparaciones, lo que hace necesario reemplazarlos para restablecer la seguridad del pestillo.
Este perno se fabrica según las especificaciones de fábrica para un paso de rosca, ajuste y resistencia correctos, lo que lo convierte en un reemplazo confiable para trabajos de mantenimiento, reparación o restauración.
Qué hace este producto:
- Asegura el mecanismo de bloqueo/pestillo de la tapa en su lugar
- Mantiene la alineación correcta de la cerradura para una apertura y cierre suaves.
- Evita que se afloje por vibración con el tiempo.
- Admite una función de bloqueo de tapa segura y confiable
- Garantiza una fijación correcta del OEM durante reparaciones o reemplazos
Síntomas de un perno faltante o defectuoso:
- Conjunto de bloqueo de tapa suelto o traqueteante
- Pestillo desalineado o dificultad para cerrar la tapa
- La tapa no cierra bien
- Falta un sujetador después de un trabajo de reparación
- Roscas de pernos oxidadas, agarrotadas o peladas
- Movimiento visible en el mecanismo de bloqueo.
Por qué es importante el reemplazo:
- Mantiene la cerradura de la tapa firmemente montada y correctamente alineada
- Ayuda a garantizar que la tapa/capó se cierre de forma segura y protegida.
- Previene el desgaste prematuro del mecanismo de cierre.
- Restaura la fijación y el ajuste correctos de fábrica.
- Favorece el funcionamiento seguro del vehículo y evita la liberación inesperada de la tapa.
Números de referencia relacionados
Números relacionados, reemplazados, de referencia cruzada o alternativos para comparación.
PCG07505702
El producto que está viendo hace referencia cruzada a estos números
- Porsche 911 1965-1968 2.0L / 912 SWB (F)
- Porsche 911 1968-1973 2.2L / 2.4L / 2.7L RS LWB (F)
- Porsche 911 1974-1977 2.7L / 1976-77 3.0 Carrera
- Porsche 911 1978-1983 3.0L / SC
- Porsche 911 1984-1986 3.2L
- Porsche 911 1987-1989 3.2L G50
- Porsche 911 1975-1977 3.0L Turbo (930)
- Porsche 911 1978-1989 3.3L Turbo (930)
-
104-00
-
104-25
-
104-30
-
104-35
-
104-40
-
101-10
-
104-00
-
104-10
-
105-05
-
107-10
-
107-35
-
108-05
-
108-10
-
201-15
-
202-10
-
602-05
-
604-00
-
701-05
-
702-10
-
803-05
-
808-00
-
808-10
-
808-25
-
105-05
-
813-45
-
904-00
-
101-10
-
104-01
-
105-05
-
107-20
-
107-35
-
107-45
-
108-05
-
201-15
-
202-00
-
202-05
-
202-15
-
301-07
-
604-00
-
701-05
-
803-05
-
101-10
-
701-20
-
702-00
-
702-10
-
702-15
-
803-00
-
803-05
-
105-05
-
107-35
-
108-05
-
201-15
-
202-00
-
202-05
-
202-15
-
813-05
-
813-45
-
880-20
-
880-25
-
813-05
-
980-00
-
302-01
-
501-00
-
604-00
-
701-05
-
702-10
-
803-05
-
813-05
-
813-45
-
813-15
-
813-50
-
813-65
-
904-05
-
904-10
-
104-00
-
104-20
-
105-05
-
201-25
-
201-30
-
202-10
-
701-05
-
702-00
-
702-05
-
702-15
-
702-20
-
808-00
-
808-10
-
702-05
-
802-05
-
803-05
-
808-00
-
808-10
-
813-25
-
813-30
-
813-55
-
904-05
-
904-10
-
104-00
-
104-20
-
201-05
-
701-10
-
702-00
-
702-05
-
702-10
-
702-15
-
801-10
-
802-10
-
802-15
-
803-00
-
803-05
-
813-40
-
813-75
-
901-05
-
904-05
-
904-10
-
104-00
-
105-05
-
107-00
-
108-00
-
201-30
-
202-00
-
701-05
-
702-00
-
702-05
-
803-05
-
808-00
-
808-10
-
813-30
-
813-55
-
904-05
-
904-00
-
801-45
-
809-01
-
809-02
-
809-03
-
903-00
-
904-10
-
911-00
-
107-35
-
108-05
-
202-15
-
301-10
-
302-05
-
302-10
-
701-01
-
103-05
-
301-05
-
302-05
-
911-00
-
301-05
-
301-06
-
301-05
-
301-05
-
301-05
-
301-06
-
301-005
-
301-006
-
104-000
-
104-007
-
604-000
-
702-005
-
901-000
-
101-010
-
201-005
-
604-010
-
801-005
-
803-000
-
804-005
-
807-000
-
813-000
-
901-000
-
117-005
-
201-005
-
702-000
-
702-005
-
803-000
-
803-005
-
803-010
-
808-000
-
809-000
-
901-015
-
904-010
-
904-015
-
904-020
-
101-005
-
360-000
-
401-000
-
403-005
-
813-015
-
911-000
-
101-010
-
105-005
-
105-010
-
106-000
-
107-010
-
302-000
-
308-000
-
309-000
-
701-005
-
702-015
-
801-010
-
806-000
-
808-001
-
813-030
