Please wait… 
Please wait while we process your order,
do not press the back button… 
Design 911 Design 911 supply Porsche parts, Porsche spares and Porsche accessories, to both retail and to the trade. Our Porsche product and accessory range includes brakes, exhausts, tyres, wheels and Porsche panels and interiors. https://design91.uk/images/schemaLogo.png https://design91.uk/images/schemaLogo.png +443456003478 https://design91.uk Facebook Instagram

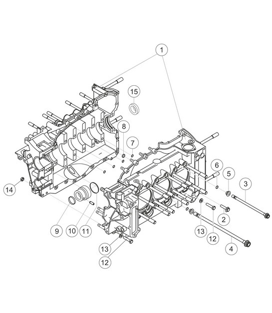
Crank case 911 (991) GT3 CUP 2016 - PORSCHE

Click the image numbers to view product info

Diagram 1.1-02 Porsche 991 (911) MK1 2012-2016 Engine SKU: 99610102284, as crankcase index 0 SKU: 99921711101, combination screw SKU: 96410117470, screw SKU: 95910117301, screw crankcase SKU: 96410131305, washer SKU: 99970100641, o-ring 8,00x2,0 n*pn 707 2/mvq 60 rt SKU: 99970159640, rubber o-ring 8,30x2,4 s* fpm 70 SKU: 99970417250, sealing ring 16,3x22x9,5 fpm-c65 pn705 SKU: 99710226591, shaft sealing ring SKU: 90001206100, cylindrical pin 5h8x10 i 2338 st SKU: 99970728541, sealing ring 51,00x4,5 n*pn 707 2/fpm 70 rt SKU: 90007404003, hexagon-head bolt SKU: 90007404003, hexagon-head bolt SKU: 90003110501, washer 8 i 7092 200hv c343 SKU: 90003110501, washer 8 i 7092 200hv c343 SKU: 99908420201, lock nut SKU: 99710226491, shaft sealing ring 1.1-02